Оглавление
-
Дорога к бессмертию
-
Бессмертие и религия
-
Философия бессмертия
-
Бессмертие и наука
-
История анабиоза
-
Смерть
-
Кора головного мозга
-
Бессмертие и анабиоз
-
Анабиоз, медицина и биология
-
Анабиоз и экономика
-
Анабиоз и закон
-
Анабиоз в Антарктиде
-
Техническое обеспечение анабиоза
-
Бессмертие и вера
-
Библиотека Ordo Deus
-
Контактная страница Ordo Deus
|
Дермоид
Дермоид (греческий derma кожа + eidos вид; синонимы: дермоидная киста, кистозная тератома, тератома кожного типа) — кистозное образование, возникающее при нарушениях эмбриогенеза и содержащее элементы эктодермы. К Дермоид относят некоторые эпидермоидные кисты (смотри полный свод знаний).
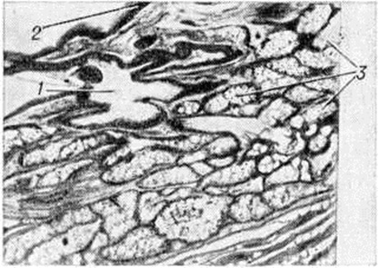
Дермоид обязательно содержит ткани, не характерные для данной области и не образующиеся в процессе метаплазии местных тканевых элементов. Дермоид обычно имеет округлую, не всегда правильную форму, гладкую или чуть бугристую поверхность. Величина его от долей сантиметра до крупных размеров. Консистенция плотноэластическая или тестоватая, неоднородная на различных участках. Дермоид бывает однокамерным и многокамерным, содержимое его — сало или желеобразные массы различной густоты, сероватого или буроватого цвета, с клубками волос. Комки сальной массы состоят из слущённых клеток плоского эпителия, кристаллов холестерина и аморфного жира; стенка кисты состоит из плотной соединительной ткани с участками обызвествления, иногда содержит хрящевую или костную ткань. Внутренняя поверхность часто имеет вид кожи и выстлана многослойным плоским эпителием (рисунок 1). Глубже расположены сальные и потовые железы, волосяные луковицы и обильная сосудистая сеть. Встречаются кисты, имеющие на внутренней поверхности возвышение — так называемый головной бугор. Он плотен, покрыт кожей и может содержать элементы всех трёх зародышевых листков. В некоторых Дермоид внутренняя поверхность на различном протяжении лишена эпителиальной выстилки, покрыта ржавого вида наложениями. Такой Дермоид называют абортивным или стареющим. Стенка его кое-где гиалинизирована, содержит лимфоцитарные инфильтраты, отложения гемосидерина, кристаллы холестерина, очаги ксантоматоза. Утрата эпителиальной выстилки, которая заменяется грануляционной тканью, значительно затрудняет диагностику. Дермоид возникает чаще в местах слияния и зарастания эмбриональных борозд и полостей, где образуются идущие вглубь складки эпидермиса. Встречается Дермоид в различных частях тела, но чаще всего в области головы, переднем средостении, и яичниках, в брюшной стенке, в толще забрюшинной и тазовой клетчатки, реже в печени, почках, головном мозге и его оболочках. При локализации на открытых частях тела Дермоид обнаруживаются в молодом возрасте. Дермоид, расположенные в клетчатке брюшной и тазовой области, в грудной полости, выявляются поздно, иногда сопровождаются болевыми ощущениями.
|
Клинической, проявления Дермоид зависят от его расположения и размеров, а также степени нарушения функции соседних органов. При прорыве Дермоид в соседние полости или на поверхность кожи может выделяться его содержимое. Длительное давление Дермоид на кости вызывает их атрофию, давление на прилежащие органы может сопровождаться симптомами их сдавления. Дермоидные кисты иногда нагнаиваются, ножки дермоидных кист яичника могут перекручиваться и отрываться.
Рентгенологическое исследование (рентгеноскопия, рентгенография, томография и другие специальные методики) представляет надёжный способ выявления Дермоид. С помощью рентгенографии обнаруживаются углубления и дефекты в костях черепа, обусловленные истончением кости от давления Дермоид Контуры дефекта гладки и чётки, с уплотнённой каймой по краю. Дермоид пресакрального пространства могут обусловить краевой дефект передней
стенки крестца и отклонение копчика кзади. При расположении Дермоид в средостении наиболее полную информацию даёт пневмомедиастинография (смотри полный свод знаний) в сочетании с томографией (смотри полный свод знаний). Дермоид обычно представляется в виде однородной овоидной тени в верхнем или среднем отделе средостения (рисунок 2). Латеральные его контуры, выступающие чаще в правое лёгочное поле, обычно гладки или слегка волнисты; медиальные сливаются с тенью средостения, а при больших Дермоид они могут выступать и слева от него. Нередко отмечается обызвествление стенки Дермоид, могут обнаруживаться костные включения, зубы. В отличие от целомических и паразитарных кист конфигурация Дермоид не меняется в зависимости от дыхания и натуживания.
Отсутствует активная пульсация стенки. В распознавании Дермоид брюшной и тазовой полостей помогает Пневморетроперитонеум (смотри полный свод знаний) и пневмоперитонеум (смотри полный свод знаний).
Лечение только оперативное. Рецидивы редки. Дермоид в подавляющем большинстве случаев — доброкачественные, медленно растущие образования. В 5—8% случаев происходит малигнизация одного из тканевых компонентов Дермоид: при этом чаще всего развивается плоскоклеточный рак.
Смотри полный свод знаний также Тератома.
|
Все статьи в полном изложении, Вы можете найти в большой медицинской энциклопедии — Главный редактор: академик АН СССР (РАН) и АМН СССР (РАМН) Б.В. Петровский. — Москва издательство «Советская энциклопедия» 1989г.
|
|
Внимание! Вы находитесь в библиотеке «Ordo Deus». Все книги в электронном варианте, содержащиеся в библиотеке «Ordo Deus», принадлежат их законным владельцам (авторам, переводчикам, издательствам). Все книги и статьи взяты из открытых источников и размещаются здесь только для чтения.
|
|
Библиотека «Ordo Deus» не преследует никакой коммерческой выгоды.
|
|
Все авторские права сохраняются за правообладателями. Если Вы являетесь автором данного документа и хотите дополнить его или изменить, уточнить реквизиты автора, опубликовать другие документы или возможно вы не желаете, чтобы какой-то из ваших материалов находился в библиотеке, пожалуйста, свяжитесь с нами по e-mail: info @ ordodeus. ru Формы для прямой связи с нами находятся в нижней части страниц: контакты и устав «Ordo Deus», для перехода на эти страницы воспользуйтесь кнопкой контакты вверху страницы или ссылкой в оглавлении сайта.
|
Вас категорически не устраивает перспектива безвозвратно исчезнуть из этого мира? Вы не желаете закончить свой жизненный путь в виде омерзительной гниющей органической массы пожираемой копошащимися в ней могильными червями? Вы желаете вернувшись в молодость прожить ещё одну жизнь? Начать всё заново? Исправить совершённые ошибки? Осуществить несбывшиеся мечты? Перейдите по ссылке:
«главная страница».
|