Дизентерия

Оглавление

  1. Дорога к бессмертию
  2. Бессмертие и религия
  3. Философия бессмертия
  4. Бессмертие и наука
  5. История анабиоза
  6. Смерть
  7. Кора головного мозга
  8. Бессмертие и анабиоз
  9. Анабиоз, медицина и биология
  10. Анабиоз и экономика
  11. Анабиоз и закон
  12. Анабиоз в Антарктиде
  13. Техническое обеспечение анабиоза
  14. Бессмертие и вера
  15. Библиотека Ordo Deus
  16. Контактная страница Ordo Deus

Дизентерия

Дизентерия (dysenteria; греческий dys + enteron кишка, кишечник) — инфекционная болезнь, характеризующаяся признаками интоксикации организма, преимущественным функциональным и морфологическим поражением толстой кишки, вызываемая бактериями из рода шигелл.

Оглавление

История

Статистика

Этиология

Эпидемиология

Патогенез

Патологическая анатомия

Иммунитет

Клиническая картина

Острая дизентерия

Хроническая дизентерия

Бактерионосительство

Осложнения

Диагноз

Лабораторная диагностика

Дифференциальный диагноз

Лечение

Прогноз

Профилактика

Дизентерия у детей

Особенности эпидемиологии и профилактики дизентерии в войсках

История

Дизентерия известна с древнейших времён, болезнь была знакома Гиппократу, который и дал ей название. Обстоятельное по тому времени (1 век нашей эры) описание «натужного поноса» оставил Аретей, с тех пор Дизентерия постоянно упоминается на страницах медицинский литературы. Эпидемии Дизентерия в Европе описаны уже в 6 век, а в 16—19 веков о Дизентерия говорится во многих исторических описаниях.

Дизентерия всегда сопутствовала войнам, голоду и другим социальным потрясениям. Доптер (С. Dopter) писал, что во все исторические эпохи бациллярная Дизентерия была постоянным бичом армий во время войн, вызывая иногда поражения более ужасные, чем огонь врага. Показательны в этом отношении войны конца 19 век — начала 20 век. В гражданскую войну в США (1861 —1865) за четыре года Дизентерия заболело около 287 000 человек, из которых умерло 9431, а заболеваемость так называемый диареей составила около 1,5 миллионов случаев; при этом умерло около 35 тысяч человек. Очевидно, что среди последней категории больных было значительное число страдавших Дизентерия. Ещё большей была заболеваемость Дизентерия во время других войн (таблица 1).

В Великую Отечественную войну заболевания Дизентерия в советских войсках, по материалам Т. Е. Болдырева (1955), составили 66,02% всех инфекционных болезней; из общего числа заболеваний в действующей армии — 48,75%, в тыловых войсках — 51,25%.

Статистика

Дизентерия распространена глобально и составляет до 75% всех кишечных инфекций, которые ежегодно поражают около 500 миллионов человек и являются, по данным ВОЗ, причиной смерти почти 5 миллионов грудных детей.

Заболеваемость в странах Европы в 1959 — 1963 годы, по данным Костшевского и Стыпульковской-Мисюревич (J. Kostrzewski, Н. Stypulkowska-Misiurewicz, 1968), варьировала в пределах от 0,6—1,2 до 133,3 —173,2 на 100 000 населения.

В США около 60% заболевших приходится на детей в возрасте от 1 до 9 лет [Льюис, Левенстайн (J. N. Levis, М. S. Loewenstein), 1972].



Информация об Ordo Deus Перейти в оглавление сайта



В большинстве развивающихся стран Дизентерия остаётся одной из основных причин смертности среди детей. Например, по Гордону (J. Е. Gordon, 1964), в Сальвадоре летальность от острой диареи среди детей в возрасте до 4 лет составила 60 на 100 детей.

В развивающихся странах превалирует Дизентерия, вызванная шигеллами Флекснера, летальность достигает 10—15%. При дизентерии Зонне, преобладающей в развитых странах, летальность не превышает 0,01— 0,2%. В конце 60-х годы в странах Центральной Америки вспыхнула эпидемия дизентерии Григорьева — Шиги, заболеваемость которой в Сальвадоре составила 284 на 10 000 населения, а летальность — 35% [Реллер (L. В. Reller) с сотрудники, 1971].

В СССР дизентерия Флекснера встречается редко, а дизентерия Зонне стала основной этиологического формой заболевания. Уровень бактериологических подтверждения Дизентерия достиг 55%. Госпитализируется более 80% больных.

Этиология

Возбудители Дизентерия — бактерии рода Shigella трибы Escherichieae семейства Enterobacteriaceae.

Шигеллы — грамотрицательные бактерии длиной от 2 до 4 микрометров и шириной от 0,5 до 0,8 микрометров, не имеющие жгутиков и капсулы, не образующие спор и пигмента, хорошо окрашивающиеся анилиновыми красителями. Возбудители Дизентерия хорошо растут в аэробных условиях на простых питательных средах. Оптимальная температура роста 37°, однако, по данным Слопека (St. Slopek, 1968), шигеллы Зонне способны размножаться при t от 10° до 45°. Оптимальная реакция среды (pH) около 7,2.

К роду Shigella относятся бактерии, постоянно ферментирующие глюкозу и непостоянно маннит, дульцит, лактозу, сахарозу, не образующие кислоты при росте на средах с адонитом, инозитом и салицином, не утилизирующие малонат, фенилаланин и цитрат (на средах Кристенсена и Симмонса), не способные разжижать желатину, расщеплять мочевину и образовывать сероводород, дающие положительную реакцию с метиловым красным и отрицательную реакцию Фогеса — Проскауэра, редуцирующие нитраты, не растущие на среде с KCN, образующие и не образующие индол. Основной дифференциальный признак шигелл — расщепление углеводов без газообразования. Исключение составляют некоторые биохимический варианты шигелл Ньюкасл, сбраживающие глюкозу с образованием кислоты и газа (таблица 2).

В зависимости от ферментативной активности по отношению к манниту и лактозе шигеллы по классификации, принятой в СССР в 1962 год, подразделяются на 3 подгруппы: не расщепляющие маннит, расщепляющие маннит, медленно расщепляющие лактозу, а по Международной классификации 1958 год — на 4 подгруппы: подгруппа А — S. dysenteria, подгруппа В — S. flexneri, подгруппа С — S. boydii, подгруппа Д — S. sonnei. Антигенная структура шигелл отличается простотой и представлена в основном соматическим термостабильным О-антигеном.

По классификации, принятой в СССР, шигеллы, не расщепляющие маннит, подразделяются на 4 вида и 10 серотипов. Каждый серотип имеет типовой антиген, по которому может быть идентифицирован (таблица 2).

Шигеллы вида Григорьева — Шиги — первый из открытых возбудителей Дизентерия — были впервые описаны в России А. В. Григорьевым в 1891 год; их эпидемиологический роль при Дизентерия доказана японским учёным Шигой (К. Shiga) в 1898 год. Детально эти бактерии изучены в 1900 год немецкий исследователем Крузе (W. Kruse). В 1903 год Коиради (Н. Conracli) обнаружил их способность продуцировать экзотоксин, оказывающий отрицательное влияние на центральная нервная система, особенно на вегетативную ее часть.

Шигеллы вида Штуцера — Шмитца впервые одновременно описаны в 1917 год русским учёным М. И. Штуцером и немецкий учёным Шмитцем (К. Е. F. Schmitz).

В 1934 год Лардж (D. Т. Large) и Санкаран (О. К. Sankaran) обнаружили бактерии, напоминающие по ферментативной активности описанные выше два вида шигелл, но отличающиеся от них серологически. В 1943 год Сакс (A. Sachs) добавил к этой группе ещё один тип. В СССР эти возбудители выделены и описаны Э. М. Новгородской и соавторами в 1943—1948 годы. Всего описано 5 серотипов шигелл вида Ларджа — Сакса (таблица 2).

К подгруппе шигелл, не расщепляющих маннит, относятся также шигеллы вида «Провизорные», подразделяющиеся на 3 самостоятельных серологически обособленных типа (8, 9, 10).

Расщепляющие маннит шигеллы представлены видом шигелл Флекснера, объединяющим подвиды Флекснера, Ньюкасл и Бойда. Шигеллы подвида Флекснера впервые изучены и описаны в 1900 год амер. Учёным С. Флекснером и его учениками Стронгом (R. P. Strong) и Масгрейвом (W. Е. Musgrave) и в 1901 год. Крузе в Германии. Шигеллы этого подвида подразделены на серогруппы, имеющие общие групповые антигены. Каждый серотип обладает типовым антигеном.



Информация об Ordo Deus Перейти в оглавление сайта



Шигеллы подвида Ньюкасл впервые были выделены в 1925 —1929 годы в Англии Клейтоном (F. Н. Clayton) и Уорреном (S. Н. Warren). В 1931 год Дауни (A. W. Downie) с соавторами и в 1931 — 1938 годы Бойд (J. S. Boyd) описали сходные бактерии, серологически идентичные, по отличающиеся по ферментации маннита. Бойд показал, что, несмотря на некоторые различия в ферментативной активности, микробы Ньюкасл, Дентон — Манчестер и Бойд-88 серологически идентичны.

Шигеллы подвида Бойда впервые были обнаружены английский учёным Бойдом в 1932—1938 годы. У нас в стране их роль в этиологии Дизентерия установила Э. М. Новгородская с соавторами (1943). Она описала серотипы II. IV (1943) и VI (1945). Серотипы этого подвида обладают типоспецифическими антигенами.

Шигеллы вида Зонне получили наименование в честь датского учёного Зонне (С. Sonne), подробно описавшего в 1915 год этих возбудителей Дизентерия, серологически отличавшихся от всех известных ранее и способных медленно сбраживать лактозу. Шигеллы Зонне склонны к диссоциации и дают на твердых питательных средах круглые, гладкие колонии (S-форма) и плоские, шероховатые (R-форма). Установлено, что R-формы являются мутантами S-форм, в которых блокированы определённые ступени биосинтеза полисахарида.

Серологически шигеллы Зонне обособлены от остальных возбудителей Дизентерия; установлено два антигенных компонента, характерных для круглых и плоских вариантов. Гладкие и переходные варианты в своём составе имеют примесь R-компонента. Преобладание R-форм в культурах ведёт к спонтанной агглютинации со всеми (или большинством) дизентерийными агглютинирующими сыворотками.

Для отбора S-форм используется псевдотуберкулезный фаг, который не обладает строгой специфичностью и лизирует некоторые виды энтеробактерий, в том числе R-формы шигелл Зонне. Шигеллы Зонне подразделяются для целей эпидемиологический анализа по ферментативным свойствам на 7 биотипов, а также по отношению к типовым фагам, способности продуцировать колицины — специфические антибиотические вещества (смотри полный свод знаний Бактериоциногения) и устойчивости к различным антибиотикам. В нашей стране при типировании шигелл Зонне выявлены 64 фаготипа (смотри полный свод знаний Фаготипирование). Типирование возбудителей Дизентерия по способности продуцировать колицины наиболее применимо к шигеллам Зонне, шигеллам Ньюкасл и шигеллам Бойда, которые, по данным И. В. Шейной (1974), колициногенны соответственно в 60— 90, 30—88 и 50% случаев.

Образование токсинов изучено главным образом у шигелл вида Григорьева — Шиги, продуцирующих два вида токсинов: термолабильный экзотоксин и термостабильный эндотоксин. Экзотоксин, образуемый S и R-формами шигелл, обладает выраженным нейротропным действием, поражает у подопытных животных кровеносные сосуды, особенно сосуды серого вещества головного и спинного мозга. Термостабильный эндотоксин, так называемый энтеротоксин, соответствует О-антигену (комплекс из полисахаридных, липоидных и протеиновых соединений), вызывает у подопытных животных кишечные и другие нарушения, такие как лейкопения, повышение температуры, снижение гликогена в печени и содержания аскорбиновой кислоты в надпочечниках, кровотечения. Эндотоксин обнаружен у всех представителей рода. Механизм патогенного действия шигелл обусловлен эндотоксином, освобождающимся при их гибели.

У всех шигелл обнаружен также термолабильный эндотоксин или нейротоксин (липопротеидная часть О-антигена, лишённая полисахаридов), напоминающий токсическим действием экзотоксин шигелл вида Григорьева — Шиги. Показан цитопатический эффект нейротоксина в культуре клеток HeLa и эмбриональной ткани человека. Продукция токсина в пищевых продуктах (молоке) шигеллами Зонне происходит интенсивнее, чем шигеллами Флекснера. Эндотоксин S-форм более токсичен, чем R-форм.

Возбудители Дизентерия характеризуются неодинаковой устойчивостью к окружающей среде. Наименее устойчивы шигеллы Григорьева — Шиги, наиболее устойчивы шигеллы Зонне. В воде открытых водоисточников шигеллы Зонне выживают до 48, Флекснера — до 9—13 и Ньюкасл до 6—16 суток. В водопроводной воде шигеллы Зонне и Ньюкасл выживают до 61 — 80 дней (при комнатной температуре). В молоке шигеллы Григорьева — Шиги сохраняют жизнеспособность при комнатной температуре 2—3 дня, Штуцера — Шмитца — 3—5, Флекснера — 2—6, Ньюкасл — 3—6, Зонне — 6—10 дней. Особенно долго могут сохраняться шигеллы Зонне в сливочном масле при хранении в холодильнике (до 6—8 месяцев).

Возбудители Дизентерия характеризуются выраженной лекарственной устойчивостью, особенно шигеллы Зонне.

Смотри полный свод знаний также Schigella.

.

Эпидемиология

Эпидемиология Дизентерия определяется её полиэтиологичностью, полиморфизмом клин, проявлений, многофакторностью фекально-орального механизма передачи, высокой устойчивостью возбудителей, видо и типоспецифичностью постинфекционного иммунитета, всеобщей восприимчивостью, особенно высокой у детей.

Источником инфекции при Дизентерия является больной человек. Заражение в основном происходит от больных лёгкими или стёртыми формами Дизентерия, реже от реконвалесцентов и больных хронический формами Дизентерия. Некоторые считают, что при Дизентерия, вызываемой шигеллами Флекснера, роль реконвалесцентов и больных хронический формами как источников инфекции выше, чем при дизентерии Зонне.

Наиболее часто формирование хронический формы Дизентерия отмечено у детей в возрастных группах 1—2 лет (23%), 2—3 лет (29,5%). Больные субклинический, формами Дизентерия составляют 2,6%.

Особенно велика эпидемиологический значимость больных Дизентерия работников пищевых предприятий. При бактериологических обследованиях этих лиц высеваемость возбудителя Дизентерия доходит до 0,2—1,2%. Больной Дизентерия опасен для окружающих с первого дня болезни, когда выделение возбудителя в окружающую среду происходит наиболее интенсивно, а в 1 грамм испражнений может содержаться 104 — 106 шигелл; при острой форме Дизентерия бактериовыделение продолжается чаще 2—3 недель.

Пути распространения

Фекально-оральный механизм передачи инфекции при Дизентерия осуществляется с участием различных факторов распространения. Возбудитель Дизентерия выделяется из организма больного или носителя с содержимым кишечника и может попадать на различные объекты в их окружении. При этом распространение Дизентерия происходит контактно-бытовым, водным или пищевым путями, а также через посредство мух.

Контактно-бытовой путь распространения Дизентерия влечёт за собой заражение как при непосредственном соприкосновении с больным человеком (напр., при уходе за ним), так и через загрязнённые выделениями больного (носителя) различные предметы обихода: посуду, дверные ручки, выключатели, судна, щётки для чистки одежды и так далее. В конечном итоге заражение Дизентерия при контактно-бытовом пути передачи инфекции происходит через руки, так или иначе загрязнённые выделениями больного; загрязнёнными руками возбудитель переносится либо на пищевые продукты, либо на посуду.

Контактно-бытовой путь заражения взрослых чаще наблюдался в очагах Дизентерия, вызываемой шигеллами Григорьева — Шиги. Согласно опытам на добровольцах в США, наиболее вирулентны бактерии Григорьева—Шиги (заражающая доза для взрослых 101 микробных клеток), несколько в меньшей степени — шигеллы Флекснера наиболее распространённого подтипа 2а (заражающая доза 102) и в наименьшей степени — шигеллы Зонне (заражающая доза 107).

Дизентерия при контактно-бытовом пути передачи чаще наблюдается в виде спорадических случаев, реже групповых («гнездных») заболеваний. Вспышка при отсутствии мер профилактики течёт обычно длительно. Инфицирование людей в этих случаях происходит не одномоментно; заболевания нарастают постепенно и связаны, как правило, с разными источниками. В организованных коллективах, в частности в детских учреждениях, при своевременном выявлении и госпитализации больных контактно-бытовой путь распространения Дизентерия не имеет большого значения и становится опасным при серьёзных нарушениях санитарно-гигиенических правил, особенно в организации питания.

Водный путь распространения Дизентерия характеризуется острым подъёмом (вспышка или эпидемия) и относительно быстрым падением заболеваемости, однако при этом остаётся «хвост» эпидемии за счёт неполного осуществления противоэпидемические мер. Заболеваемость Дизентерия при инфицировании водопроводной воды может быть значительной и регистрироваться среди населения, обеспечиваемого водой данного водопровода. Загрязнение возбудителем Дизентерия колодца может обусловить также быстрый подъем заболеваемости, которая, как правило, возникает среди лиц, пользующихся водой из данного колодца. Заражение воды открытых водоёмов может быть длительным за счёт постоянного проникновения в них нечистот. В этих случаях заболеваемость Дизентерия приобретает хронический характер, хотя в летнее время (сезон купания) могут наблюдаться подъёмы заболеваемости. Таким образом, заболеваемость Дизентерия при водном пути распространения (централизованное водоснабжение) характеризуется чаще взрывным развитием, охватывая население, пользующееся общим источником водоснабжения, и при устранении источника инфицирования быстро спадает.

Пищевой путь распространения Дизентерия нередко приобретает первостепенное значение. При этом пищевые продукты могут быть инфицированы руками неопрятных больных (носителей), работников пищевых объектов и мухами.

Многие пищевые продукты при оптимальных температурных условиях являются достаточно благоприятной средой для размножения возбудителя Дизентерия Важное значение в распространении Дизентерия имеют пищевые продукты, которые не подвергаются термической обработке перед употреблением: молоко и молочные продукты, салаты, винегреты, холодцы, паштеты, овощи, фрукты, ягоды и другие

Вспышки Дизентерия пищевого происхождения имеют взрывной характер, если в торговой сети, в системе общественного питания или в детском учреждении инфицируется молоко, сметана, творог, кремы и другие

Заражение продуктов и при благоприятных температурных условиях размножение в них возбудителя Дизентерия обусловливает возникновение вспышки, протекающей клинически и эпидемиологически по типу пищевой токсикоинфекции (смотри полный свод знаний Токсикоинфекции пищевые). Такие проявления Дизентерия присущи обычно дизентерии Зонне и связаны, по-видимому, с массивной дозой заражения в результате интенсивного размножения возбудителя в продуктах.

Инфицирование пищевых продуктов, используемых ограниченным кругом лиц, обычно вызывает относительно небольшую заболеваемость, которая имеет место при контактно-бытовом пути передачи. Если инфицирование продуктов было однократным, то в ряде случаев причины возникновения этих заболеваний могут быть и не выявлены.

Роль мух в распространении Дизентерия оценивается различными исследователями неодинаково. Одни авторы придают этому фактору решающее значение в определении сезонности Дизентерия (Л. В. Громашевский, 1947), другие полностью отрицают роль мух в передаче Дизентерия. Так, Э. М. Новгородская (1957) наблюдала в одном из городов Ленинградской области повышенную заболеваемость при тотальном истреблении мух. Такая крайняя точка зрения вряд ли состоятельна, поскольку доказано, что возбудитель Дизентерия способен сохранять в течение 2—3 дней жизнеспособность в кишечнике или на поверхности тела мухи, и доступ мух как к нечистотам, так и к пищевым продуктам может играть определённую роль в распространении Дизентерия

Сезонность

По временам года Дизентерия распределяется неравномерно. Зимой регистрируется примерно 15% годовой заболеваемости, весной — 12% , летом — 31% , осенью — 42%, что отражает меняющееся в течение года значение отдельных путей передачи.

Случаи загрязнения воды хозяйственно-питьевых водопроводов как чрезвычайные происшествия чаще могут возникать зимой и весной; соответственно и групповые заболевания, связанные с заражением воды, обычно регистрируются в это время. Повышение заболеваемости в летний период определяется как изменением характера питания, так и возрастающими возможностями нарушения гигиенических правил приготовления, хранения и реализации пищевых продуктов. Приобретают значение и такие дополнительные факторы, как употребление загрязнённых ягод, овощей и фруктов, а также купание в загрязнённых водоёмах.

Патогенез

Механизм развития патологический процесса при Дизентерия сложен и недостаточно изучен.

Заражение при Дизентерия происходит только через рот. В зависимости от функционального состояния желудочно-кишечного тракта, местного и общего иммунитета, а также дозы возбудителя может произойти следующее: в одних случаях под воздействием желудочно-кишечного сока (соляная кислота, лизоцим и другие факторы) возбудитель погибает в верхнем отделе желудочно-кишечного тракта; в других — проходит через кишечник и выделяется в окружающую среду, не вызывая при этом заметной ответной реакции со стороны макроорганизма; в третьих, в ответ на внедрение в организм шигелл развивается патологический процесс с клинической картиной Дизентерия. По данным Н. Н. Сиpотинина и Е. А. Бродской (1955), шигеллы в течение суток (иногда и дольше) могут находиться в желудке, при этом часть из них распадается, освобождая эндотоксин, выжившие бактерии продвигаются в тонкий кишечник, где могут задерживаться до нескольких суток и даже размножаться, а затем продвигаются в нижележащие отделы кишечника.

При резко сниженной сопротивляемости организма и массивных дозах заражения может наблюдаться кратковременная бактериемия, которая, по мнению большинства авторов, не имеет существенного патогенетического значения. Лишь при Дизентерия, вызванной шигеллами Григорьева — Шиги, особенно у детей, бактериемии принадлежит существенная роль в патогенезе болезни. Основная же роль в патогенезе Дизентерия принадлежит токсинам возбудителя, которые всасываются и обусловливают первые проявления болезни: озноб, лихорадку и другие. Все шигеллы содержат эндотоксин, а вид Григорьева — Шиги продуцирует также и экзотоксин. Токсины в организме действуют двояко: непосредственно воздействуют на слизистую оболочку желудочно-кишечного тракта и на нервные окончания, сосуды и рецепторы слизистой оболочки, а всосавшиеся токсины оказывают влияние на различные отделы нервной системы и внутренних органов.

Развитие лёгких, особенно гастроэнтероколитических форм Дизентерия, при которых даже самое тщательное бактериологических исследование кала не позволяет выделить возбудителей, скорее всего объясняется также токсемией (смотри полный свод знаний), возникающей при разрушении основной массы бактерий. Токсемией объясняется вовлечение с первых дней заболевания в патологический процесс и тонкой кишки, на что указывает острое капиллярное полнокровие, обнаруживающееся в слизистой оболочке, нарушение её двигательной, всасывательной и пищеварительной функций. Об этом же свидетельствует и обнаружение эндотоксина в сыворотке крови больных с первых дней болезни и выделение его с мочой.

Попавшие в кровь токсины, по мнению Л. С. Бибиновой (1932), И. В. Давыдовского (1956) и других, выделяются не только почками, но и через слизистую оболочку толстой кишки, при этом в первую очередь страдает нервно-сосудистый аппарат кишечника, а изменения в слизистой оболочке развиваются вторично. Определённую роль в патогенезе Дизентерия, очевидно, играет и аллергический фактор. По мнению А. А. Колтыпила (1936), В. Дизентерия Тимакова (1949), В. О. Мохнач (1957) и другие, весь патологический процесс в толстой кишке развивается после предварительной её селсибилизации (смотри полный свод знаний). А. Ф. Блюгер с соавторами (1972) также выявил аутосенсибилизацию к ткани кишечника — органу, преимущественно вовлекаемому в патологический процесс. Н. Н. Сиротинин и Е. А. Бродская (1959) считают, что Дизентерия не является типичным аллергическим заболеванием, а заключает в себе лишь отдельные компоненты аллергии.

М. В. Войно-Ясенецкий (с 1962 по 1973 год), Огава (Н. Ogava) с сотрудники (1964, 1966), И. К. Мусабаев (1975) и другие ведущее значение в патогенезе Дизентерия придают внутриклеточной инвазии шигелл. Однако В. И. Покровский и Н. Б. Шалыгина (1973), А. В. Цинзирлинг с соавторами (1973), А. Ф. Колесникова с соавторами (1975) и другие считают, что нет достаточных оснований придавать внутри-эпителиальному размножению шигелл основное значение в патогенезе Дизентерия человека. Очевидно, правы некоторые авторы [Шига (К. Shiga), 1898; Леттерер (Е. Letterer), 1949, и другие], которые главную роль в патогенезе Дизентерия отводили токсинам (смотри полный свод знаний).

Наряду с непосредственным (органотропным) воздействием на ряд органов эндотоксины Дизентерия вызывают общие обменные нарушения в организме: блокируют окислительные реакции, нарушают водно-солевой, углеводный, белковый обмен, вызывают полигиповитаминозы (за счёт повышенной потребности организма больных в витаминах) и явления дисбактериоза, приводят к изменению состава и количества микроэлементов, снижают содержание натрия и калия в остром периоде заболевания.

Эти нарушения можно рассматривать как неспецифическую реакцию организма на воздействие токсина. Со стороны макроорганизма в ответ на внедрение шигелл развиваются комплексные специфические и неспецифические защитные реакции, которые в большинстве случаев ведут к быстрому выздоровлению. Однако иногда процесс принимает затяжное течение, а в ряде случаев переходит в хронический форму.

Патогенез хронический Дизентерия ещё более сложен, что обусловлено наличием большого количества причин, которые нарушают ход обратного развития острого процесса, часть из них имеет место и при острой Дизентерия К их числу относят преморбидное состояние макроорганизма, функциональную неполноценность желудочно-кишечного тракта, пониженную иммунобиологических реактивность и возникновение повышенной сенсибилизации организма к ряду аллергенов, поздно начатое и неправильное лечение больных, нарушение больными пищевого режима в период ранней реконвалесценции. Формирование хронический Дизентерия может быть обусловлено также способностью шигелл образовывать L-формы с пониженной вирулентностью и патогенностью. Все это препятствует проявлению физиол. защитных механизмов и ведёт к переходу острой Дизентерия в хроническую.

По мнению Н. И. Рагозы (1949), Ф. Билибина (1958, 1959), М. Домрачева (1966), И. В. Сеппи (1963) и другие, при хронический Дизентерия явления интоксикации играют вторичную роль, а на первое место выступают прогрессирующие нарушения всасывательной и пищеварительной функций желудочно-кишечного тракта.

Патологическая анатомия

Характерные для Дизентерия морфологически изменения возникают в дистальных отделах пищеварительного тракта. В развитии дизентерийных колитов можно выделить два основных типа воспалительной реакции: разлитое катаральное и очаговое гнойно-некротическое воспаление слизистой оболочки. Катаральное воспаление характеризуется гиперемией, набуханием слизистой оболочки и иногда кровоизлияниями (цветной рисунок 1,7 и 8) и усиленной выработкой слизи бокаловидными клетками. Эпителиальный покров остаётся целым, лейкоцитарная инфильтрация, как правило, отсутствует. В отдельных местах, где слизистая оболочка частично разрушена, накапливается много полиморфно-ядерных лейкоцитов (рисунок 1), а выработка слизи, наоборот, подавлена. Такие очаги воспаления могут быть мелкими и редкими, различимыми лишь под микроскопом, или глубокими, захватывающими значительные участки слизистой оболочки. Воспалительный экссудат нередко образует плёнчатые наложения (рисунок 2) над повреждённой слизистой оболочкой — то нежные, сероватые, то довольно толстые желтовато-белые. Эти наложения принято называть фибринозными, однако фибрина они содержат мало, а состоят главным образом из распадающихся полиморфно-ядерных лейкоцитов, слизи и остатков разрушенной ткани. По удалении (или отторжении) плёнок на их месте остаются поверхностные изъязвления неправильной угловатой формы.



Информация об Ordo Deus Перейти в оглавление сайта

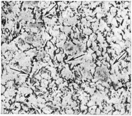
Рис. 1.
Микропрепарат слизистой оболочки толстой кишки при дизентерийном катаральном колите: выражены очаговые поражения и лейкоцитарная инфильтрация (указано стрелками); × 40.





Информация об Ordo Deus Перейти в оглавление сайта

Рис. 2.
Микропрепарат слизистой оболочки толстой кишки при дизентерии: на участке глубокого разрушения слизистой оболочки видна сплошная плёнка (обозначена черным цветом) из распадающихся полиморфно-ядерных лейкоцитов (указана стрелками). Окраска по Гольдману; × 55.



При острых дизентерийных колитах нарушения целости тканей и скопления полиморфно-ядерных лейкоцитов ограничены пределами собственно слизистой оболочки. В подслизистой основе обычно наблюдается лишь расширение кровеносных сосудов с миграцией полиморфно-ядерных лейкоцитов, а также возникает то более, то менее выраженный отёк, иногда с кровоизлияниями. При особо тяжёлых формах колитов, называемых дифтеритическими (цветной рисунок 3), на обширных участках слизистая оболочка почти полностью отсутствует, подслизистая основа очень сильно утолщена и пронизана густой сетью волокон фибрина с обильными кровоизлияниями.

При благоприятном течении болезни воспалительный процесс в слизистой оболочке толстого кишечника стихает. Небольшие повреждения её эпителизируются, но в области более крупных дефектов слизистая оболочка некоторое время остаётся более низкой. Для затянувшихся тяжёлых колитов характерно образование язв (цветной рисунок 5, 9 и 10), нередко многочисленных и крупных. Края таких язв подрыты. При обширных язвах края их сливаются друг с другом. Однако дизентерийные язвы не глубоки, распространяются в пределах подслизистого слоя и в противоположность брюшнотифозным крайне редко ведут к перфорации. По той же причине рубцевание язв (цветной рисунок 4) редко вызывает сужение просвета кишки. Иногда наблюдается неправильная (избыточная) регенерация повреждённой слизистой оболочки с полипозными её разрастаниями (цветной рисунок 2).

При затяжном и рецидивирующем течении Дизентерия в толстом кишечнике могут обнаруживаться разные по давности и по тяжести изменения. Обострение инфекции проявляется усилением катара и появлением новых очагов воспаления, часто на месте прежних, например, по краям язв.

Тканевые изменения, присущие бактериальной Дизентерия, наиболее резко выражены в прямой, сигмовидной и нисходящей кишках, но не менее тяжёлыми они могут быть и в других отделах кишечника, подчас захватывая даже терминальные участки тонкой кишки. Поражения, как правило, имеют локальный характер и часто чередуются с мало изменёнными участками слизистой оболочки; сильнее всего страдают вершины складок.

Выраженность и некоторые морфологически особенности поражения кишечника позволяют различать следующие основные формы дизентерийного колита.Катаральный колит проявляется набуханием и гиперемией слизистой оболочки толстого кишечника, нередко покрытой слизью и мутной или гноевидной жидкостью. При исследовании через ректоскоп и на вскрытиях изменения слизистой оболочки представляются распространенными и довольно однородными, лишь кое-где удаётся различить мелкие кровоизлияния и эрозии (катарально-геморрагическая форма — цветной рисунок 6) или заметить незначительные плёнчатые экссудативные наложения. Степень выраженности катарального колита бывает разной — от лёгкого набухания и розовой окраски слизистой оболочки прямой и сигмовидной кишок до резко выраженного катара, захватывающего всю толстую кишку.

При катаральном колите у маленьких детей с сильно развитым лимфатический, аппаратом иногда над поверхностью слизистой оболочки отчётливо выступают крупные солитарные фолликулы, окаймлённые узким пояском гиперемии. Однако обособлять такой колит, называя его фолликулярным, нет оснований, тем более, что при Дизентерия (в противоположность сальмонеллёзам) лимфоидные образования кишечника сами по себе в патологический процесс не вовлекаются.

Фибринозный, или гнойный, колит наряду с ярко выраженным диффузным катаром характеризуется массивными, но легко снимающимися желтовато-белыми плёнчатыми наложениями, прикрывающими повреждённые участки слизистой оболочки.

Дифтеритический колит (цветной рисунок 3) отличается резким утолщением, уплотнением и кровянистой окраской всей стенки толстой кишки. При этом поверхность слизистой оболочки кажется неровной и покрытой грязными зеленовато-серыми или коричневато-серыми тусклыми наложениями вследствие выпадения фибрина в самой кишечной стенке (рисунок 3), почти лишённой эпителиального покрова.

Гангренозный колит — особо опасная форма; стенка толстой кишки окрашена в темно-коричневый, почти чёрный цвет, зловонна и легко рвётся. Такие поражения кишки при Дизентерия встречаются весьма редко и, очевидно, являются результатом присоединившейся анаэробной инфекции.

Язвенный колит (цветной рисунок 5, 9 и 10) характерен для длительной тяжёлой Дизентерия Язвы, возникающие главным образом в дистальных отделах толстой кишки, заживают медленно, нередко сохраняясь и после затухания дизентерийной инфекции (постдизентерийный колит).

Указанные поражения толстого кишечника при Дизентерия нередко считают не отдельными формами, а стадиями развития дизентерийного колита, начинающегося катаром и заканчивающегося образованием язв. Однако такая последовательность совершенно не обязательна. У больных Дизентерия, вызванной шигеллами Флекснера и Зонне, изменения толстой кишки обычно ограничиваются простым катаром с мелкими малозаметными очажками деструктивных изменений слизистой оболочки.



Информация об Ordo Deus Перейти в оглавление сайта

Рис. 3.
Микропрепарат толстой кишки при дифтеритическом колите: выпадение фибрина в подслизистом слое толстой кишки (волокна чёрного цвета, указаны стрелками). Окраска по Гольдману × 40.





Информация об Ordo Deus Перейти в оглавление сайта

Рис. 4.
Микропрепарат толстой кишки обезьяны, больной дизентерией: в эпителиальных клетках слизистой оболочки видны шигеллы (указаны стрелками).



В подслизистом и межмышечном нервных сплетениях толстого кишечника обнаруживаются дегенеративные изменения нейронов; их считают причиной замедленной регенерации дизентерийных язв.

В других органах при Дизентерия обнаруживаются дистрофические изменения, объясняемые как нарушением питания (особенно при длительной болезни), так и действием бактериальных продуктов и других токсических веществ, проникающих через повреждённую слизистую оболочку кишки.

С появлением химиотерапевтических препаратов направленного действия смертельные исходы и тяжёлые формы колита вообще почти не встречаются. С помощью методов морфологически исследований (иммуногистохимического, электронно-микроскопического и другие) удалось получить новые данные, важные для понимания патологический анатомии и патогенеза дизентерийной инфекции. Так, в эксперименте была установлена способность шигелл к паразитированию в эпителиальных клетках кишечника (рисунок 4). При этом покровные клетки, поражённые шигеллами, обнаруживаются только в очагах гнойного воспаления и отсутствуют в участках простого катара. По мере размножения микробов эпителиальные клетки разрушаются и слущиваются. В маленьких кусочках ткани, получаемых путём биопсии при катаральных колитах у человека, очажки воспаления с шигеллами в эпителии попадаются редко.

Иммунитет

Особенности дизентерийной инфекции (склонность к переходу в хронический форму, частые рецидивы) способствовали тому, что вопрос о наличии иммунитета при этой болезни долгое время оставался спорным.

Клинической, и экспериментальные наблюдения П. К. Лихторович и другие (1956), Н. А. Яхнина (1958), Хонжо (S. Honjo) с сотрудники (1967) и другие свидетельствуют о возникновении постинфекционного специфического иммунитета (смотри полный свод знаний) продолжительностью от 1—3 месяцев до 1 года.

До 60-х годы вопросы специфического иммунитета при Дизентерия рассматривались исключительно в связи с функцией ретикулоэндотелиальной и мезенхимальной систем организма. Был накоплен большой материал, свидетельствующий о повышении в ходе болезни содержания сывороточных антител (агглютининов, преципитинов, комплементсвязывающих антител, гемагглютининов) и превентивной активности сыворотки крови, получены данные о накоплении в сыворотке крови больных Дизентерия бактериолизинов. Однако установлено, что уровень антител не определяет степени невосприимчивости организма к последующему заражению и в ряде случаев не соответствует тяжести болезни.

При Дизентерия наряду с гуморальной усиливается клеточная защитная реакция. По мнению М. В. Войно-Ясенецкого (1963) и другие, захват и переваривание шигелл в слизистой оболочке кишечника в основном осуществляют полиморфно-ядерные лейкоциты. Такеути (A. Takeuchi, 1968) и сотрудники полагают, что в этом процессе участвуют также мононуклеары — тканевые макрофаги и гистиоциты.

Более конкретны стали представления о местном иммунитете при дизентерии Преобладающее большинство работ по этому вопросу проведено на кератоконъюнктивальной модели (у морской свинки).

По мнению Формала (S. Formal, 1966) и сотрудники и Ю. А. Белой (1970), местный иммунитет имеет в основном клеточно-тканевой характер. Другим вероятным механизмом местного иммунитета при Дизентерия является невосприимчивость самих эпителиальных клеток. Дизентерия Г. Манолов и Г. В. Костурков (1967) считают, что механизм местного иммунитета заключается в появлении более резистентной популяции эпителиальных клеток с приобретёнными свойствами антибактериальной защиты. По мнению В. И. Бахуташвили (1968), в популяции клеток возможна селекция естественно устойчивых клонов.

Дизентерия относится к числу болезней, при которых чрезвычайно важную роль играют факторы неспецифической защиты макроорганизма. Это положение установлено в результате многочисленных клиническо-эпидемиологический наблюдений.

Заболевания, протекающие с диареей, в частности Дизентерия, наиболее часто встречаются и тяжело протекают у лиц, получающих неполноценное питание. В опытах на обезьянах и мелких животных показана роль белковой и витаминной недостаточности для заболевания Дизентерия

Большое теоретическое и практическое значение имеет проблема защитных функций слизистой оболочки желудочно-кишечного тракта. В. И. Покровский и другие (1972); Б. А. Годованный и другие (1973); М. И. Семашко и другие (1975) показали в эксперименте зависимость между состоянием кишечной стенки и восприимчивостью организма к заражению дизентерийными микробами. Был выяснен один из механизмов снижения устойчивости организма к возбудителям Дизентерия при повреждениях или заболеваниях кишечника — восприимчивость к малым дозам возбудителя, не вызывающим в норме заболевания у здоровых особей.

К неспецифическим физиол. элементам защиты организма при Дизентерия, так же как и при других инфекционных болезнях, относятся механизмы разрушения и выделения токсических субстанций бактериальной клетки.

Клиническая картина

По клинической, течению Дизентерия подразделяют на острую и хроническую, а также бактерионосительство. Острая Дизентерия длится от нескольких дней до 3 месяцев Дизентерия, длящаяся более 3 месяцев, расценивается как хроническая.

Продолжительность инкубационного периода 2—3 дня, редко затягивается до 7 дней. При поступлении в организм массивной дозы возбудителя эти сроки могут сокращаться до нескольких часов.

Особенности течения болезни обусловлены видом возбудителя, состоянием макроорганизма и зависят от характера и срока начала лечения.

Отдельные этиологического варианты Дизентерия имеют клин, особенности. Так, Дизентерия, вызванная шигеллами Григорьева — Шиги, чаще протекает очень тяжело, с интенсивной диареей с примесью в испражнениях слизи, крови и гноя, выраженной дегидратацией, высокой септической лихорадкой, бактериемией, лейкоцитозом крови. Дизентерия, вызванная шигеллами Флекснера, характеризуется большей выраженностью колитического синдрома, большей интенсивностью очаговых поражений слизистой оболочки кишечника. Случаи заболевания, вызванного шигеллами Зонне, чаще протекают в форме гастроэнтероколита, с более выраженным правосторонним колитом. Однако при всех этиологического вариантах Дизентерия встречаются лёгкие и стёртые формы болезни.

Острая Дизентерия имеет четыре клинической, формы: колитическую, гастроэнтероколитическую, гипертоксическую и стёртую. Первые две формы по тяжести течения подразделяются на лёгкую, средней тяжести и тяжёлую. Гипертоксическая форма всегда протекает тяжело, а стёртая отличается очень лёгким течением.

Хронический Дизентерия имеет две клинической, формы: рецидивирующую и непрерывную.

Бактерионосительство, вероятно, представляет собой самый частый вариант инфекционного процесса Дизентерия. У большинства носителей при гистологический исследовании биопсийного материала слизистой оболочки кишечника и иммунологический исследованиях обнаруживаются признаки инфекционного процесса, в связи с чем эту форму носительства иногда обозначают как субклиническую.

Острая дизентерия

Колитическая форма

Лёгкое течение характеризуется типичной, хотя и недостаточно очерченной клин, картиной, с незначительной интоксикацией и слабовыраженным колитическим синдромом (скудный учащённый стул, часто с примесью слизи и крови, тенезмы, боли внизу живота). Если симптомы интоксикации бывает трудно установить клинически, то функциональные и морфологически изменения толстой кишки выявляются при этой форме отчётливо.

Болезнь чаще начинается внезапно. У больных появляются умеренные боли, локализующиеся внизу живота, преимущественно в области сигмовидной кишки, которые предшествуют акту дефекации, а после него нередко остаются тянущие боли в области прямой кишки — тенезмы (смотри полный свод знаний). Частота стула от 3—5 до 10 раз в сутки, испражнения калового характера, содержат примеси слизи, а иногда и крови. Температура тела, как правило, нормальная или субфебрильная. Больные жалуются на незначительную слабость, снижение аппетита. Симптомы поражения сердечно-сосудистой системы при данной форме острой Дизентерия, как правило, не выражены. В периферической крови у 1/3 больных — умеренный лейкоцитоз со сдвигом формулы влево. При ректороманоскопии (смотри полный свод знаний) чаще обнаруживается катаральное воспаление слизистой оболочки, иногда точечные геморрагии и реже эрозии. Репарация указанных изменений наступает к концу 2-й, началу 3-й недель болезни.

Среднетяжёлое течение. Характерные симптомы болезни выражены более четко. Обычно остро или после короткого продромального периода, который характеризуется недомоганием, слабостью, познабливанием, чувством дискомфорта в животе, появляются характерные симптомы заболевания.

В первую очередь появляются боли в животе, которые носят схваткообразный характер и локализуются преимущественно в левой подвздошной области. Одновременно с болями или несколько позже появляются позывы к дефекации. Постепенно объем каловых масс уменьшается и они становятся скудными, появляется примесь слизи и крови, но частота дефекаций нарастает. В разгар болезни испражнения могут терять каловый характер и иметь вид так называемый ректального плевка, то есть состоять из скудного количества слизи с кровью. Дефекация сопровождается болезненными тенезмами, очень часты ложные позывы к дефекации. Примесь крови в испражнениях больных острой Дизентерия обычно незначительна по количеству и находится в них в виде кровяных точек или прожилок. Частота стула колеблется от 10—15 до 25 раз в сутки. Одновременно с дисфункцией кишечника, а иногда и предшествуя ей, появляется головная боль, у большей части больных повышается температура тела: чаще до 38—39°, реже до субфебрильных цифр. Продолжительность лихорадочного периода у большинства больных при лечении не превышает 2—3 дней, без лечения может продолжаться и больше. В разгар болезни характерно нарастание слабости, адинамия. Больные часто становятся раздражительными, могут наблюдаться головокружения и даже кратковременные обмороки. Пульс учащён. Максимальное АД понижено. Уменьшается величина пульсового давления.

В периферической крови отмечается увеличение нейтрофильных лейкоцитов с отчётливым сдвигом формулы влево.



Информация об Ordo Deus Перейти в оглавление сайта

Рис. 1 — 6. Слизистая оболочка толстой кишки при различных формах дизентерии: рисунок 1 — острый катаральный колит (складки слизистой оболочки утолщены, гиперемированы, с кровоизлияниями); рисунок 2 — избыточная регенерация слизистой оболочки с полиповидными разрастаниями (указаны стрелками); рисунок 3 — дифтеритический колит (стенка кишки и складки слизистой оболочки утолщены, покрыты фибринозными наложениями); рисунок 4 — рубцевание слизистой оболочки после перенесённой дизентерии (слизистая оболочка атрофична, со сглаженной складчатостью); рисунок 5 — язвенный колит (слизистая оболочка набухшая, со сглаженной складчатостью и множественными мелкими изъязвлениями — указаны стрелками); рисунок 6 — катаральный колит (катарально геморрагическая форма) при токсической дизентерии (складки слизистой оболочки утолщены и резко гиперемированы). Рис. 7 — 10. Микропрепараты стенки толстой кишки при дизентерии: рисунок 7 — полнокровие (указано стрелками) слизистой оболочки и подслизистой основы кишечника в первые дни заболевания; рисунок 8 — обильный диффузный лейкоцитарный инфильтрат слизистой оболочки (7), отёк и полнокровие (2) подслизистой основы; рисунок 9 — поверхностные некрозы (указаны стрелками) слизистой оболочки с переходом на солитарный фолликул; рисунок 10 — язвенная форма дизентерии — видна язвенная поверхность (7), на фоне которой выступают сохранившиеся островки слизистой оболочки (2).





Информация об Ordo Deus Перейти в оглавление сайта

Ректороманоскопическая картина при дизентерии (рисунок 1 и 2— вид слизистой оболочки различных участков сигмовидной кишки в норме — даётся для сравнения). Рис. 3. Эрозивный проктосигмоидит: эрозии (1) и отложения слизи (2) на верхушке складки катарально изменённой слизистой оболочки. Рис. 4. Катарально слизистый проктосигмоидит: выражены гиперемия (1) слизистой оболочки и отложение слизи (2). Рис. 5. Катарально-геморрагический проктосигмоидит: геморрагии слизистой оболочки (указаны стрелками). Рис. 6. Эрозивный проктосигмоидит: эрозии слизистой оболочки (указаны стрелками). Рис. 7. Язвенный проктосигмоидит: язвы на слизистой оболочке (указаны стрелками). Рис. 8. Эрозивный сигмоидит: 1 — скопление гноя; 2 — эрозии (стрелкой указан эрозивно изменённый наружный сфинктер заднего прохода). Рис. 9 — 14. Лабораторная диагностика на дифференциально-диагностических средах: рисунок 9 —рост шигелл Зонне (светлые колонии) на чашках Петри (а — на среде Плоскирева, б — на среде Левина); рисунок 10 — 14 — среда агар с лактозой, глюкозой и мочевиной, индикатор — смесь голубого водного красителя с розоловой кислотой: рисунок 10 —среда без посева — даётся для сравнения; рисунок 11—расщепление мочевины при росте Bact. proteus (среда приобретает красновато оранжевый оттенок); рисунок 12 — расщепление глюкозы до кислоты (столбик среды синеет) — подозрение на рост возбудителя дизентерии; рисунок 13 — расщепление глюкозы до кислоты и газа — рост Bact. coli; рисунок 14 — расщепление лактозы и глюкозы (среда синеет) — рост бактерий, подозрительных на возбудителя дизентерии (шигеллы Зонне).



Основное беспокойство больным доставляют схваткообразные боли, которые у большинства из них продолжаются 3—4 дня и редко носят постоянный характер. Чаще они локализуются в нижней части живота, в половине случаев — преимущественно в левой подвздошной области, а у 1/3 лиц имеют разлитой характер; иногда возникают боли атипичной локализации — в эпигастральной или умбиликальной областях. Нередко отмечается метеоризм. Частота стула в течение суток до 10—20 раз наблюдается у половины больных, свыше 20 раз — почти у 1/3 больных. Без патологический примесей испражнения встречаются очень редко, с примесью слизи значительно чаще, типичной является примесь не только слизи, но и крови.

При пальпации живота у подавляющего большинства больных выявляется уплотнённая, болезненная сигмовидная кишка. При ректороманоскопии — признаки выраженного катарального воспаления, на фоне которого нередко видны очаговые изменения — геморрагии, эрозии или язвы.

При исследовании функционального состояния кишечника путём физиологический нагрузок моно-, и диполисахаридами выявляются нарушения переваривающей, всасывательной и моторной функций тонкого кишечника. Установлено (прижизненной биопсией), что слизистая оболочка верхних отделов тощей кишки находится в состоянии лёгкого катарального воспаления, отмечаются умеренно выраженные явления дистрофии её эпителия, серозный отёк, кровоизлияния, клеточная инфильтрация стромы, гиперсекреция слизи. Нередко выявляются также признаки гастрита. Изменения тонкого кишечника и желудка находятся в соответствии с тяжестью, длительностью течения болезни и встречаются особенно часто при склонности к затяжному течению. У больных, перенёсших среднетяжёлую форму острой Дизентерия, при благоприятном исходе полное функциональное и морфологически восстановление кишечника может затягиваться до 2—3 месяцев.

Тяжёлое течение характеризуется типичной клинической, картиной с выраженной интоксикацией и колитическим синдромом.

Болезнь, как правило, начинается бурно, больные жалуются на сильные схваткообразные боли в животе, очень частый жидкий стул, испражнения скудные, слизистокровянистые, иногда с примесью гноя. Отмечается слабость, высокая температура, нередко тошнота и рвота, обезвоживание. Отчётливо выявляются изменения со стороны сердечно-сосудистой системы: тахикардия, одышка, АД резко снижается, иногда возникает коллапс (смотри полный свод знаний). В разгар болезни развивается слабость, апатия, расстройство сна. Нередко сильная головная боль, судороги, иногда икота.

Могут возникать психические расстройства. Чаще они определяются различными степенями оглушения, достигающими иногда глубины сопора (смотри полный свод знаний Оглушение). При обратном развитии симптомов оглушения могут возникать психосенсорные расстройства, делириозные эпизоды (смотри полный свод знаний Делириозный синдром), гипнагогические галлюцинации (смотри полный свод знаний Галлюцинации). Дольше всего держатся различные проявления астении (смотри полный свод знаний Астенический синдром).

Со стороны периферической крови — выраженный лейкоцитоз (более 12 000—15 000). Абсолютный и относительный нейтрофилез, резкий сдвиг лейкоцитарной формулы влево вплоть до юных форм. Нередко регистрируется токсическая зернистость нейтрофилов. РОЭ ускорена. При ректороманоскопии чаще (но не всегда) преобладают деструктивные изменения слизистой оболочки в виде эрозий и язв. Заболевание длится до 6 и более недель.

У лиц, перенёсших тяжёлую форму острой Дизентерия, сроки функциональный и морфологически восстановления кишечника могут задерживаться до 3—4 месяцев.

Гастроэнтероколитическая форма.

Инкубационный период обычно короткий — 6—8 часов, что связано с массивностью дозы микробов, попадающих в организм.

Болезнь часто протекает по типу пищевой токсикоинфекции (смотри полный свод знаний Токсикоинфекции пищевые), характеризуется острым началом. Преобладающий синдром — гастроэнтерит, сопровождающийся высокой лихорадкой и интоксикацией. Заболевание чаще начинается со рвоты, а затем присоединяется профузный понос. Испражнения водянистые, обильные. Больных беспокоят боли по всему животу. Течение бурное, но короткое. К концу первых — началу вторых суток в испражнениях появляется примесь слизи и крови. Испражнения убывают в объёме и принимают вид типично дизентерийных.

Тяжесть течения болезни, как и при колитической форме, определяется в первую очередь степенью интоксикации организма, выраженностью симптомов поражения сердечно-сосудистой и пищеварительной систем.

Гипертоксическая форма

На первый план выступают симптомы резкой интоксикации (смотри полный свод знаний). У больного может развиться менингеальный синдром, коматозное состояние, коллапс. Симптомы поражения желудочно-кишечного тракта присоединяются позднее. Течение болезни, как правило, очень тяжёлое.

Стёртая форма отличается незначительными или кратковременными клин, проявлениями. Картина заболевания исчерпывается одним или несколькими слабовыраженными симптомами: кашицеобразный стул, слабые боли в животе, уплотнение и болезненность сигмовидной кишки при пальпации, изменения слизистой оболочки кишки, выявляемые при ректороманоскопии.

Хроническая дизентерия

Острая Дизентерия в 2—5% случаев может принимать хронический течение. Факторами, способствующими переходу острой Дизентерия в хронический форму, являются предшествующие заболевания органов пищеварительной системы; снижение иммунореактивных свойств макроорганизма; сопутствующие болезни, среди которых на первом месте стоят протозойные и глистные инвазии; несвоевременное и неправильное лечение как в остром периоде, так и в периоде реконвалесценции; неправильный режим питания. Хронический Дизентерия протекает в виде двух форм: рецидивирующей и непрерывной.

Рецидивирующая форм а встречается значительно чаще, чем непрерывная. Она характеризуется тем, что после перенесённой острой Дизентерия через 2—5 месяцев мнимого благополучия возникает рецидив болезни.

В этот период у больных отмечается учащённый стул, испражнения кашицеобразные со значительной примесью слизи, а часто и крови. Преобладают боли в животе, связанные с ходьбой, тряской и даже переменой положения тела. Характерно наличие тенезмов и ложных позывов. При пальпаций определяется не только уплотнённая, инфильтрированная, болезненная, ограниченно подвижная сигмовидная кишка, но и болезненная и уплотнённая слепая кишка. Дисфункция кишечника носит стойкий характер, период ремиссии может не наступать длительное время.

Стойкий и рецидивирующий характер диареи имеет в своей основе не только глубокое поражение всего желудочно-кишечного тракта, но и вовлечение в патологический процесс других органов пищеварения — поджелудочной железы и органов гепатобилиарной системы, чем и объясняется наличие у больных жалоб на урчание, вздутие живота, чувство дискомфорта, снижение аппетита, непереносимость отдельных видов пищи (например, молочных продуктов), чрезвычайная чувствительность к нарушению режима питания. Эти обширные поражения ведут к резким нарушениям процессов пищеварения и всасывания. Но при этом поражение дистального отдела кишечника всегда остаётся преобладающим.

В межрецидивный период состояние больных удовлетворительное, работоспособность сохраняется, но остаётся функциональная недостаточность кишечника. Это проявляется неустойчивым стулом, нарушением пищеварительной и всасывательной функции. Кратковременные дисфункции кишечника возникают после обильной острой пищи. Возникает плохая переносимость некоторых продуктов (молока, продуктов, богатых грубой клетчаткой или вызывающих брожение, пряностей). Длительно держится ощущение дискомфорта в животе.

Больные хронический Дизентерия раздражительны, эмоционально лабильны, склонны к невротическим реакциям. Учащение стула может быть также вызвано повышенной физических нагрузкой, сильными эмоциями.

Непрерывная форма

Основная особенность этой формы — отсутствие периодов ремиссии. При этом имеет место постоянное прогрессирование болезни и ухудшение состояния больного. Симптомы интоксикации у больных хронический Дизентерия обычно выражены слабо, во время обострений у них не наблюдается высокой температуры, признаков сердечно-сосудистой недостаточности.

Бактерионосительство

Бактерионосительство характеризуется отсутствием какой-либо дисфункции кишечника как в период обследования, так и в предшествовавшие ему 1—3 месяцев при наличии выделения возбудителей с калом.

.

Осложнения

У больных острой и хронический Дизентерия могут наблюдаться различные осложнения, влияющие как на клинической, проявления болезни, так и на её исход. При Дизентерия, вызванной шигеллами Зонне, осложнения встречаются реже, чем при Дизентерия, вызванной шигеллами Флекснера и особенно Шиги.

Редким, но наиболее грозным осложнением является перитонит (смотри полный свод знаний). Перитонит у больных Дизентерия характеризуется медленным нарастанием интоксикации, отсутствием или слабой выраженностью болевых симптомов и локального напряжения мышц брюшной стенки. Характерные симптомы перитонита (вздутие живота, напряжение мышц брюшной стенки, симптомы раздражения брюшины, тошнота, рвота, икота и другие) бывают отчётливо выражены только в поздние сроки развития осложнения.

Упорные поносы, спазмы кишечника могут служить предпосылкой для развития инвагинации кишечника (смотри полный свод знаний Непроходимость кишечника). По данным В. П. Арсеньева (1936), инвагинация при Дизентерия наблюдалась в 0,5% случаев. И. К. Мусабаев и Ф. 3. Абубакирова (1973) указывают, что инвагинация в ряде случаев разрешается самостоятельно и в силу этого диагностируется значительно реже, чем встречается.

Значительно чаще у больных острой Дизентерия появляются трещины и эрозии заднего прохода (смотри полный свод знаний), выпадение слизистой оболочки прямой кишки (смотри полный свод знаний Выпадение прямой кишки) и обострение геморроя (смотри полный свод знаний).

У больных Дизентерия описаны такие осложнения, как полиартриты, нефриты, иридоциклиты, полиневриты, токсические гепатиты.

Для острой Дизентерия характерно нарушение биоценоза кишечника, который довольно часто усугубляется назначением антибактериальных препаратов и может привести к развитию кишечного дисбактериоза (смотри полный свод знаний).

Диагноз

Диагноз ставят на основании клиническо-эпидемиологический данных с учётом результатов лабораторных исследований.

Большое значение имеют анамнез, выявление последовательности появления и взаимосвязи различных симптомов болезни, установление возможности и характера контакта данного больного с другими, ранее болевшими Дизентерия, или лицами, страдающими какой-либо дисфункцией кишечника. Такие характерные симптомы Дизентерия, как схваткообразные боли в животе, связанные с актом дефекации, учащённый стул, испражнения, содержащие примесь слизи и крови, наличие тенезмов не всегда чётко выражены, интенсивность этих симптомов зависит от тяжести и периода болезни. При пальпации живота наряду со спазмированной и ограниченной в подвижности болезненной сигмовидной кишкой могут пальпироваться и другие отделы инфильтрированной толстой кишки.

Существенную помощь при постановке диагноза Дизентерия оказывают лабораторно-инструментальные данные, особенно при атипичных и субклинический, формах болезни.

Большое значение в диагностике болезни имеют результаты бактериологических исследования испражнений, меньшую ценность представляет обнаружение специфического антигена в моче больных и антител в сыворотке крови.

Определённую роль в диагностике Дизентерия играет кожно-аллергическая проба с дизентерином. Препарат в объёме 0,1 миллилитров вводится строго внутрикожно и результаты реакции учитываются через 24 часа.

Из инструментальных методов исследования наибольшее признание получила ректор оманоскопия (смотри полный свод знаний), которая помогает в диагностике и дифференциальной диагностике. Если диагноз Дизентерия не вызывает сомнения, ректороманоскопическое исследование можно не проводить.

В записи результатов ректороманоскопии должно быть отражено расстояние, на к-рое удалось ввести тубус ректоскопа, отмечен тонус кишки и цвет слизистой оболочки, перечислены и описаны очаговые изменения в ней, отмечено наличие слизи на стенках и в просвете кишки. Обязательно описание всех осмотренных отделов толстой кишки, включая анус. Характер изменений слизистой оболочки или отсутствие их должны фиксироваться в заключении.

При макроскопическом осмотре и оценке состояния слизистой оболочки прямой и сигмовидной кишки при Дизентерия различают катаральный, катарально-слизистый, катарально-геморрагический, эрозивный, язвенный, эрозивно-язвенный сигмоидиты и проктосигмоидиты (цветной рисунок 3—8).

Перечисленные формы встречаются с неодинаковой частотой и в различных комбинациях, причём слизистая оболочка сигмовидной, прямой кишки и ануса по характеру изменений может быть различна у одного и того же больного. При острой Дизентерия изменения слизистой оболочки отмечаются с начала болезни и достигают максимума ко 2—4-му дню заболевания.

Клинической, симптомы острой Дизентерия исчезают к 7—10-му дню болезни, макроскопические изменения слизистой оболочки, выявляемые при ректороманоскопии, сохраняются более продолжительное время, а при микроскопическом исследовании биопсийного материала слизистой оболочки патологический изменения сохраняются до 3—4 недель от начала болезни и более.

Отрицательный результат, особенно однократного лабораторного или инструментального исследования у больных с характерной клин, картиной, не может служить основанием для отказа от диагноза острой Дизентерия

Диагноз хронический Дизентерия ставят на основании сведений о перенесенной в течение последних двух лет острой Дизентерия, характерных болей в животе, учащенного кашицеобразного стула с патологический примесями, наличия уплотненной, часто болезненной с ограниченной подвижностью сигмовидной кишки, положительных результатов бактериологических исследования кала и серологические исследования.

В то же время отрицательные результаты отдельных лабораторных исследований при наличии клинической, данных так же, как и при острой Дизентерия, не могут служить основанием для отклонения диагноза хронический Дизентерия

С целью подтверждения клин, диагноза хронический Дизентерия должны быть использованы все лабораторно-инструментальные методы, которые нашли применение при диагностике острых форм данной болезни.

У больных хронический Дизентерия изменения со стороны слизистой оболочки толстого кишечника носят полиморфный характер. Во время обострения ректороманоскопическая картина напоминает изменения, характерные для острой Дизентерия. Однако при внимательном осмотре интенсивность изменений на различных участках неодинакова. Возможно чередование яркой гиперемии с более бледными участками слизистой оболочки, на которых отчётливо видна расширенная сосудистая сеть. Слизистая оболочка в этих местах истончена, тусклая, легко ранимая. При гистологический исследовании обнаруживается выраженная дистрофия эпителия. Во время стихания острых явлений слизистая оболочка выглядит менее отёчной и более тусклой, чем в аналогичный период при острой Дизентерия

Лабораторная диагностика

Лабораторная диагностика Дизентерия осуществляется бактериологических, иммунологический и копрологические методами. Основным является бактериологических метод идентификации возбудителя, выделенного из испражнений, рвотных масс и промывных вод желудка, загрязнённой воды и пищевых продуктов, трупного материала.

Испражнения (1—2 грамм) берут деревянной или стеклянной палочкой из судна или пелёнки, включая комочки гноя и слизи (но не крови), или непосредственно из прямой кишки ватным тампоном или ректальной трубкой. Испражнения у больных собирают до начала этиотропного лечения. Наилучшие результаты даёт посев материала непосредственно у постели больного. При невозможности немедленного посева испражнения помещают в пробирки с консервирующим раствором в соотношении 1:3 — 1:4. В качестве консерванта применяют глицериновую смесь, буферный раствор фосфорнокислых солей (pH 8,0) и другие Рвотные массы и промывные воды желудка, остатки пищевых продуктов, кусочки органов трупа собирают в стерильные баночки ёмкостью 200—250 миллилитров. Материал в жестяных контейнерах доставляют в бактериологических лабораторию, а при невозможности быстрой доставки помещают в холодильник (не более чем на сутки).

Первый день исследования

Посев производят в две чашки с дифференциально-диагностическими средами Плоскирева (смотри полный свод знаний Плоскирева среда) и Эндо (смотри полный свод знаний Эндосреда) или Левина (смотри полный свод знаний Левина среда) с левомицетином (25 микрограмм/1 миллилитров) или синтомицином (50 микрограмм (миллилитров) для повышения высеваемости и параллельно в соотношении 1 : 5 на селенитовую среду обогащения, к-рая увеличивает высеваемость шигелл Зонне. При посеве рвотных масс и промывных вод используют селенитовую среду двойной концентрации и обеспечивают соотношение посевного материала к среде 1:1. Все посевы инкубируют при t° 37° 18— 20 часов.

Второй день

Просматривают чашки с посевами (цветной рисунок 9) и подозрительные колонии отсевают на среду Расселла (смотри полный свод знаний Расселла среда) или на скошенный столбик с мочевиной (лактоза, глюкоза и мочевина). Возбудители Дизентерия растут в виде круглых, нежных, бесцветных, прозрачных колоний диаметром 1—2 миллиметров; колонии шигелл Зонне более плотные, крупные, иногда мутноватые, с изрезанными краями. С селенитовой среды производят высев на среду Плоскирева. Все посевы инкубируют при t° 37° 18— 20 часов.

Третий день

Выделенные накануне культуры идентифицируют по морфологии, биохимический (цветной рисунок 10—14) и серологические свойствам в реакции агглютинации на стекле с адсорбированными сыворотками и после этого дают предварительный ответ. Изучают культуры грамотрицательных бесспоровых палочек, не расщепляющих лактозу и мочевину, расщепляющих глюкозу до кислоты. Учитывают, что шигеллы Зонне способны ферментировать лактозу до кислоты (на вторые сутки и позже), а некоторые варианты шигелл Ньюкасл расщепляют глюкозу с образованием кислоты и газа. Для окончательной идентификации культуры засевают па среды Гисса с углеводами: сахарозой, мальтозой, ксилозой, арабинозой, рамнозой и многоатомными спиртами, маннитом и дульцитом (смотри полный свод знаний Гисса среды), на столбик с 0,2% агаром для определения подвижности, среду Клиглера для определения способности образовывать сероводород, на скошенный мясопептонный агар для дальнейшего изучения ферментативных и колициногенных свойств культуры, среду Кристенсена, ацетатную, Симмонса, с аминокислотами — орнитином, лизином и фенилаланином. Расщепление аминокислот до индола выявляется по изменению цвета бумажки, пропитанной реактивом Эрлиха (смотри полный свод знаний Эрлиха реакция) и помещённой под пробку в пробирку с посевом на мясопептонный бульон.

Просматривают чашки с пересевами из селенитовой среды и отбирают подозрительные колонии. Посевы инкубируют при t 37° 18— 20 час.

Четвёртый день

Отмечают изменения углеводных сред Гисса — длинный «пёстрый» ряд; образование индола и сероводорода, образование щелочи и к-ты на среде Кристенсена (посев выдерживают до 2 суток), декарбоксилирование аминокислот (до 4 суток), рост на ацетатной среде и цитрате Симмонса (до 7 дней). У культур, биохимический свойства которых соответствуют шигеллам, устанавливают антигенную формулу при помощи повторной агглютинации на стекле и выдают окончательный ответ о результатах исследования. Дополнительно изучают чувствительность к поливалентному дизентерийному бактериофагу и ставят кератоконъюнктивальную пробу на морских свинках. Большинство свежевыделенных дизентерийных бактерий на вторые-третьи сутки вызывает специфический кератоконъюнктивит.

Для эпидемиологический анализа заболеваемости Дизентерия проводят изучение ряда ферментативных свойств шигелл Зонне, не дифференцируемых серологические методами, и способности к колициногении (смотри полный свод знаний Бактериоциногения). Шигеллы Зонне по способности расщеплять рамнозу и ксилозу подразделяются на 4 (I, II, III, IV), а по способности сбраживать рамнозу, ксилозу и мальтозу — на 7 биохимический типов — Ia, Ib, Ilg, IIе, IIId, IIIс, IVf (таблица 3).



Информация об Ordo Deus Перейти в оглавление сайта



Шигеллы Ньюкасл в зависимости от характера расщепления глюкозы, маннита и дульцита подразделяются по Эдвардсу и Юингу (P. R. Edwards, W. Н. Ewing, 1962) на 7 биохимический типов (таблица 4).

Для ускоренной диагностики Дизентерия применяют метод флюоресцирующих антител (смотри полный свод знаний Иммунофлюоресценция).

При диагностике применяют также иммуно л. реакции, основанные на обнаружении антител к возбудителю. Специфические антитела в сыворотке крови больного при острой Дизентерия обнаруживают с 5—8-го дня болезни с последующим нарастанием их содержания к 15—20-му дню. Наиболее достоверные результаты получают при изучении парных сывороток крови больных, взятых дважды с целью выявления динамики титра антител. Для диагностики Дизентерия можно использовать чувствительную и специфическую реакцию пассивной гемагглютипации (смотри полный свод знаний) с эритроцитарными диагностикумами из шигелл Зонне и Флекснера; гемагглютинины обнаруживаются в сыворотке крови больных Дизентерия в течение 3 месяцев. Диагностическим является титр 1 : 200.



Информация об Ordo Deus Перейти в оглавление сайта



Копрологические исследования пригодны для диагностики Дизентерия лишь в качестве дополнительного метода и являются показателем патологический изменений в кишечнике. Эти исследования предусматривают макро и микроскопическое изучение испражнений. При макроскопическом изучении обращают внимание на наличие тяжей слизи гнойного характера и примеси крови. Под микроскопом в слизистых комочках видны скопления нейтрофилов, часто уже подвергшихся дегенерации, эозинофилы и макрофаги.

Результаты лабораторных исследований должны оцениваться комплексно и обязательно сопоставляться с данными клин, и эпидемиологический обследований.

Дифференциальный диагноз

Дифференциальный диагноз Дизентерия следует проводить со следующими болезнями: пищевыми токсикоинфекциями, в первую очередь сальмонеллезной этиологии, холерой, отравлением грибами и солями тяжёлых металлов, вирусной диареей, острым аппендицитом, новообразованиями толстого кишечника, тромбозом мезентериальных сосудов, непроходимостью кишечника, амебиазом, балантидиазом, неспецифическим язвенным колитом, туберкулёзным энтероколитом.

Пищевые токсикоинфекции в большинстве случаев начинаются настолько остро, что больные указывают не только день, но и час начала болезни. В анамнезе нередко устанавливается связь заболевания с употреблением в пищу того или иного продукта (однако подобное указание всегда должно расцениваться с известной осторожностью), групповой характер заболевания, короткий инкубационный период. Появление у больных тошноты, рвоты, обильного водянистого стула зелёного или коричневого цвета со зловонным запахом в первую очередь заставляют думать о пищевой токсикоинфекции сальмонеллезной этиологии. Стул при сальмонеллёзе остаётся обильным на протяжении всего острого периода болезни, а при Дизентерия в процессе болезни объем каловых масс убывает, но нарастает частота дефекаций. У больных Дизентерия сигмовидная кишка спазмирована, болезненна, ограниченной подвижности, у больных пищевыми токсикоинфекциями болезненность чаще всего локализуется в эпигастральной области и вокруг пупка. Для пищевых токсико-инфекций характерен более выраженный лейкоцитоз с палочкоядерным сдвигом вплоть до появления юных форм.

При ректороманоскопии у больных пищевыми токсикоинфекциями может выявляться лёгкий катаральный процесс или единичные точечные геморрагии, но значительно чаще слизистая оболочка остаётся неизменённой (смотри полный свод знаний Сальмонеллёзы, Токсикоинфекции пищевые).

Решающее значение в дифференциальной диагностике этих заболеваний имеют результаты бактериологических исследования.

Из дополнительных лабораторных тестов при проведении дифференциального диагноза могут быть использованы реакция непрямой гемагглютинации и кожно-аллергическая проба.

При наличии эпидемиологический показаний следует исключать холеру, клинически отличающуюся от Дизентерия отсутствием болей в животе, характерными обильными, водянистыми без запаха испражнениями, которые в типичных случаях приобретают вид «рисового отвара». Быстро, иногда в течение нескольких часов, развивается обезвоживание организма (заострённые черты лица, запавшие глаза, «холерные очки», тусклые склеры, нарушение тургора кожи, «руки прачки»). Характерно после начала поноса присоединение рвоты. Температура тела редко субфебрильная, чаще нормальная или субнормальная. В периферической крови лейкоцитоз (25 000—40 000 в 1 микролитров.), увеличение количества эритроцитов до 6—8 миллионов в 1 микролитров., признаки сгущения крови (смотри полный свод знаний Холера).

При распознавании отравлений грибами и солями тяжёлых металлов важнейшее значение имеет тщательно собранный анамнез. Для отравления грибами характерно поражение печени и нервной системы, а также гемолиз эритроцитов, чего нет при острой Дизентерия (смотри полный свод знаний Грибы, отравления). У больных с отравлением солями тяжёлых металлов, кроме схваткообразных болей в животе, повторной рвоты и кровянистого стула, выявляется резкая сухость слизистой оболочки рта, брадикардия, судороги, поражение почек (смотри полный свод знаний Пищевые отравления).

При остром аппендиците более отчётливо локализуются боли в правой подвздошной области, появляются симптомы раздражения брюшины и защитное напряжение мышц живота, но частота и характер стула обычно не изменяются, хотя и могут иметь место ложные позывы (смотри полный свод знаний Аппендицит).

При дифференциальном диагнозе Дизентерия необходимо помнить, что при тромбозе артерий брыжейки боли появляются внезапно, быстро нарастают и носят постоянный характер. В разжиженных испражнениях часто отмечается примесь крови, но ложные позывы, тенезмы отсутствуют, слизи нет или её мало. У больных тромбозом в анамнезе чаще имеются указания на различного рода заболевания сердечно-сосудистой системы: общий атеросклероз, стенокардия, инфаркт миокарда и другие Постепенно развиваются симптомы кишечной непроходимости и перитонита.

Инвагинация кишечника может вначале несколько напоминать острую Дизентерия наличием болей в животе и слизисто-кровянистого стула. От острой Дизентерия инвагинация отличается быстро прогрессирующим ухудшением общего состояния, сменой схваткообразных болей постоянными, задержкой стула и газов, вздутием живота, напряжением брюшной стенки, зиянием ампулы прямой кишки при пальцевом исследовании (смотри полный свод знаний Непроходимость кишечника).

Амебиаз более распространён в районах с жарким климатом, не носит характера эпидемиологическом вспышек, характеризуется длительным инкубационным периодом (от недели до нескольких месяцев). При амебиазе явления интоксикации выражены слабо или отсутствуют. Температура тела нормальная, реже субфебрильная. Стул до 5—15 раз в сутки, имеет каловый характер с примесью прозрачной стекловидной слизи, которая часто пропитана кровью и иногда напоминает «малиновое желе». При ректороманоскопии на фоне неизменённой слизистой оболочки выявляются язвы с подрытыми краями, содержащие некротические массы и окружённые пояском гиперемии. В копрограмме специфичны эозинофилы, макрофаги, кристаллы Шарко—Лейдена. Обнаружение в кале большой вегетативной формы амёбы с фагоцитированными эритроцитами решает диагноз (смотри полный свод знаний Амебиаз).

Балаитидиаз характеризуется более медленным прогрессирующим развитием болезни, сопровождающимся профузными поносами, быстрым исхуданием, анемией. Стул обильный, пенистый, со значительной примесью крови, 6—10 и более раз в сутки. Болевой синдром чаще локализуется в области расширенной урчащей слепой кишки. Течение болезни волнообразное, склонное к переходу в хроническое. При ректороманоскопии обнаруживаются язвы, покрытые белыми рыхлыми, плёнчатыми наложениями, которые обычно легко снимаются.

Для обнаружения балантидий производят посев кала на среду Павловой. Материал для посева лучше забирать при ректороманоскопии со слизистой оболочки вблизи очагов поражения (смотри полный свод знаний Балаитидиаз).

Ранним признаком кишечного шистосоматоза, с которым обычно приходится дифференцировать Дизентерия, является дерматит. Позднее наблюдается выраженная лихорадка, в крови нарастает количество эозинофилов, в лёгких могут определяться эозинофильные инфильтраты. Через 6-8 недель у больных появляется учащённый стул, сопровождающийся тенезмами и содержащий примесь слизи и крови. В более позднем периоде болезни может наблюдаться выпадение прямой кишки, образование фистул, развиться цирроз печени. При ректороманоскопии на гиперемированной слизистой оболочке могут выявляться шистосоматозные бугорки, папилломы. Для диагностики кишечного шистосоматоза (смотри полный свод знаний) важное значение имеет эпидемиологический анамнез (широкое распространение на Африканском континенте) и лабораторные данные (исследование нативных мазков, а также использование метода осаждения и ларвоскопии).

Вирусная диарея протекает обычно с энтеритическим стулом; испражнения обильные, водянистые, жёлтого цвета, пенистые, часто с резким запахом, без патологический примесей. Боли чаще локализуются в верхней половине живота, характерно урчание в животе, которое усиливается при пальпации. При ректороманоскопии очаговые изменения слизистой оболочки толстого кишечника отсутствуют. По данным В. П. Машилова (1973), важное значение для дифференциального диагноза имеет наличие гиперемии и зернистости на слизистой оболочке мягкого неба, наблюдаемое у больных вирусной диареей (смотри полный свод знаний Диарея вирусная).

Дифференциальный диагноз хронический Дизентерия следует проводить с хронический постдизентерийным энтероколитом, колитом туберкулёзной этиологии, с неспецифическим язвенным колитом, новообразованиями, полипозом толстой кишки и с гельминтозами.

У больных хронический постдизентерийным энтероколитом имеются указания о перенесённой острой Дизентерия. В клинической, картине преобладают явления диспепсии или дискинезии и лишь вторично — воспаления. Обязательно имеют место сопутствующие хронический болезни органов пищеварительной системы (желудка, поджелудочной железы, тонкой кишки, печени и желчевыводящих путей) в различных сочетаниях. При многократных бактериологических исследованиях кала возбудитель не обнаруживается. Постдизентерийный хронический колит представляет собой как бы резидуально остаточные явления острой или хронический Дизентерия

У больных туберкулёзным энтероколитом в анамнезе часто имеется заболевание туберкулёзом других органов. Для течения болезни характерно постепенное развитие, постоянные боли в животе, метеоризм, субфебрильная температура. При пальпации живота преимущественно выявляются изменения со стороны слепой кишки. Характерна анемия, кожные пробы, применяемые при туберкулёзе, положительны (смотри полный свод знаний Энтерит, энтероколит).

Для неспецифического язвенного колита характерно постепенное начало с появлением чувства дискомфорта, вздутия живота, ноющих болей и слабости. Важным признаком является появление примеси свежей крови при оформленном стуле. Расстройства стула могут присоединяться несколько позднее, испражнения чаще имеют кашицеобразный характер и содержат примесь слизи и гноя. Температура часто повышена, прогрессирует исхудание. Наблюдается гипохромная или нормохромная анемия. При ректороманоскопии обнаруживается выраженный отёк, повышенная ранимость слизистой оболочки на всем протяжении, множественные эрозии и язвы, гнойный экссудат. При рентгенологическое исследовании выявляется ригидность кишки, нечёткость и зазубренность контуров, исчезновение гаустр (смотри полный свод знаний Язвенный не специфический колит).

При исключении злокачественного новообразования толстой кишки важное значение имеет правильно собранный анамнез, в котором довольно часто имеются указания на появление примеси крови при оформленном стуле. Симптомы заболевания чаще развиваются медленно: увеличивается количество крови и слизи в стуле, появляются постоянные тупые боли в животе, нарастает чувство дискомфорта, присоединяется слабость, потеря в весе. В ранний период болезни можно выявить только отдельные симптомы и только при целенаправленном тщательном расспросе. Возможны изменения лейкоцитарной формулы, ускоренная РОЭ. При малейшем подозрении на бластоматозный процесс необходимо провести пальцевое, ректороманоскопическое , колонфиброскопическое и рентгенологическое исследования (смотри полный свод знаний Кишечник, опухоли).

Примесь крови в кале может иметь место также при полипозе кишечника и геморрое.

Лечение

Комплекс мероприятий по лечению больных острой Дизентерия состоит из следующих основных компонентов: режим, лечебный питание, антимикробные препараты, средства, оказывающие специфическое и неспецифическое действие на иммунологический систему, средства, применение которых ведёт к дезинтоксикации и восстановлению гомеостаза, а также освобождение организма больного от возбудителя и восстановление нарушенных функций ряда органов, и в первую очередь пищеварительной системы.

Выбор средств, длительность их применения и практическое осуществление принципов терапии в процессе лечения больного определяются формой болезни и степенью тяжести её течения. Для больных субклинической, стёртой и лёгкой формой острой Дизентерия допускается активное поведение, прогулки. Больным с гипертоксическим и тяжёлым течением острой Дизентерия необходим строгий постельный режим и тщательный уход.

Лечебный питание является обязательным компонентом лечения всех больных острой Дизентерия с выраженной дисфункцией желудочно-кишечного тракта.

В остром периоде Дизентерия большинству больных (кроме случаев тяжело протекающей гастроэнтероколитической и гипертоксической формы) рекомендуется назначение стола № 46 (смотри полный свод знаний Лечебное питание). Сроки применения диеты строго индивидуальны и определяются состоянием и самочувствием больного. Обычно у больных с лёгким течением острой Дизентерия расширение диеты можно начинать с 4—6-го дня болезни. Для всех больных в периоде реконвалесценции необходимо исключить применение продуктов, раздражающих слизистую оболочку желудочно-кишечного тракта и вызывающих гиперсекрецию (пряности, алкогольные напитки).

Больным с тяжело протекающей гастроэнтероколитической формой острой Дизентерия целесообразно назначать в первые сутки питье (чай, морс и другие), а затем стол № 4.

Ввиду того что полноценные по содержанию белков, жиров и углеводов рационы диеты № 4 не содержат физиологический нормы витаминов, необходимо дополнительное их введение в повышенных дозах.

Наряду с лечебный питанием для нормализации функционального состояния желудочно-кишечного тракта имеет большое значение применение препаратов, содержащих ряд веществ и ферментов, продуцируемых органами пищеварительной системы (амилаза, липаза, протеаза, пепсин, трипсин, катепсин, целуназа, желчные кислоты, секретин, панкреатин). Ферментные препараты принимают во время еды или сразу после неё. Их часто комбинируют с производными 8-оксихинолина, способствующими поддержанию равновесия кишечной флоры. С целью предупреждения возможного дисбактериоза кишечника или восстановления нормальной флоры оправдано применение бактерийных препаратов типа колибактерина (смотри полный свод знаний), бифидумбактерина (смотри полный свод знаний) и бификола, которые принимают за 1/2—1 час до еды по 1—2 и более доз. Назначение эубиотических средств (средств избирательного действия) особенно важно в тех случаях, когда длительно применяются антибиотики широкого спектра действия.

Принимая во внимание наличие не только функциональных нарушений желудка и кишечника, но и деструктивных изменений эпителия последнего, обосновано назначение в остром периоде лекарственных средств, усиливающих репаративные процессы слизистой оболочки кишечника и стимулирующих неспецифический иммунитет. С этой целью рекомендуется назначение пентоксила, метилурацила (метацила). Дополнительным положительным свойством последнего является способность снижать побочные действия антибиотиков, особенно тетрациклинового ряда. Обосновано использование лекарственных средств, нормализующих моторно-эвакуаторную функцию кишечника и обладающих спазмолитическим действием (атропин, но-шпа и другие).

Весьма важна дезинтоксикационная терапия (смотри полный свод знаний) в остром периоде болезни (за исключением случаев легко протекающей Дизентерия). Интенсивность терапии зависит от степени интоксикации. Если в лёгких случаях достаточно обильного питья, то в более тяжёлых требуется внутривенное введение сложных изотонических солевых р-ров и 5% раствора глюкозы поровну, общим объёмом 1,5—2 литров в сутки. При выраженной интоксикации дополнительно применяют гемодез по 100—150 миллилитров и плазму крови по 100—150 миллилитров внутривенно повторно. В наиболее тяжёлых случаях назначают глюкокортикоиды.

При максимально выраженной интоксикации (гипертоксическая форма острой Дизентерия), когда проявления сердечно-сосудистой недостаточности принимают угрожающий характер, проводится комплекс интенсивной терапии с целью дезинтоксикации и восстановления гемодинамики. В этих случаях наряду с проведением регидратации внутривенно вводят полиглюкин до 1 литров, гидрокортизон в дозе 125 миллиграмм повторно до 500 миллиграмм за сутки, при необходимости в течение 2—3 суток. Вместе с солевыми р-рами оправдано введение внутривенно 5% раствора гидрохлорида эфедрина 1—2 миллилитров, а также 1 миллилитров 1% раствора фетанола. Если не удаётся добиться стабильных показателей АД, то дополнительно внутримышечно вводят 0,5% масляный раствор дезоксикортикостерона ацетата по 1—2 миллилитров повторно. Одновременно показано применение строфантина и коргликона.

При гастроэнтероколитической форме острой Дизентерия тяжесть состояния больного в значительной степени определяется нарушениями водно-солевого обмена, обусловленными в основном избыточными потерями воды и электролитов с рвотными массами и испражнениями. Поскольку дегидратация, как правило, не превышает 3—5% веса тела, ограничиваются введением 2—3 литров (объем предполагаемых потерь) сложных изотонических солевых растворов — трисоль, квартасол, Рингера. В случае продолжающихся потерь воды и солей проводится соответствующая корригирующая терапия вливанием указанных растворов.

Антибактериальная терапия должна осуществляться строго дифференцированно с максимальным ограничением назначения антибиотиков широкого спектра действия.

При бактерионосительстве первым этапом в лечении являются мероприятия, направленные на нормализацию функциональных нарушений организма, и в первую очередь со стороны желудка, печени, поджелудочной железы, а также назначение иммунобиологических препаратов, влияющих на специфическую резистентность больных. Если не достигнут успех после этого этапа, возможно применение этиотропных препаратов. Конкретная тактика их применения строго индивидуализирована, поскольку единой общепринятой схемы лечения бактерионосителей не предложено.

Назначение антибактериальных препаратов не показано больным с легко протекающей острой Дизентерия. В этих случаях этиотропная терапия, особенно с использованием антибиотиков широкого спектра действия, оказывает отрицательный эффект (более длительное бактериовыделение и сроки нормализации функции кишечника). Применение антибиотиков должно быть ограничено случаями тяжёлого и частично среднетяжёлого течения.

Из антибиотиков широкого спектра действия на первом месте в лечении острой Дизентерия стоят препараты тетрациклинового ряда (гидрохлорид тетрациклина, витациклин, морфоциклин, гидрохлорид метациклина). Лечение продолжается 5—7 суток. Тетрациклиновые препараты целесообразно сочетать с плохо растворимыми сульфаниламидами (фталазол, сульгин).

Наряду с тетрациклином по тем же показаниям применяют ампициллин. Использование для лечения больных острой Дизентерия левомицетина нецелесообразно ввиду высокой резистентности к нему шигелл. Канамицин, не имея преимуществ по сравнению с другими антибиотиками, часто вызывает обострение энтероколита.

Наиболее широко рекомендуется применение производных нитрофурана как препаратов, которым свойственно эффективное воздействие на шигеллы при минимальном отрицательном влиянии на функцию кишечника больного. Из этих препаратов чаще всего применяют фуразолидон.

При назначении производных 8-оксихинолина (энтеросептол, мексаза, интестопан и другие) прежде всего используют их эубиотическое, а не антишигеллезное действие. Более эффективным является применение мексазы и мексаформа.

Для воздействия на общую специфическую резистентность организма используют лечебный дизентерийную вакцину Чернохвостова внутрикожно, а также ряд препаратов неспецифического действия (продигиозан, алоэ, переливание плазмы или цельной крови). Однако применение их оправдано при острой Дизентерия у больных с выраженной ареактивностью больного. В начальном периоде болезни при обычном её течении нет необходимости применять препараты, вызывающие обострение процесса.

В периоде реконвалесценции при медленном стихании воспалительного процесса в слизистой оболочке кишечника показано применение вяжущих противовоспалительных средств (настой ромашки внутрь и в микроклизмах, настой ольховых шишек и зверобоя внутрь, микроклизмы из масла облепихи, шиповника, бальзама Шостаковского и другие) При закончившемся воспалительном процессе, но длительном спазме толстого кишечника показаны физиотерапевтические процедуры (УВЧ, лечебный клизмы с 0,25—0,5% раствора новокаина, общие тёплые ванны, парафиновые аппликации на кожу живота и так далее).

При выраженном астеническом состоянии больных обосновано применение малых транквилизаторов, препаратов валерианы, белладонны. Важен общий гигиенических уход за больными, находящимися в тяжёлом состоянии.

Лечение хронический Дизентерия проводят в соответствии с общими принципами терапии больных острой Дизентерия: купирование острых явлений, обеспечение максимального щажения желудочно-кишечного тракта, меры по нормализации функции кишечника и лечение сопутствующих заболеваний, стимуляция общих и специфических защитных сил организма больного.

.

Прогноз

Прогноз в большинстве случаев благоприятный, но при тяжёлых формах болезни, вызванной возбудителем Григорьева — Шиги, может быть серьёзным.

Профилактика

Профилактика Дизентерия обеспечивается обще-санитарными мерами по благоустройству населённых пунктов, снабжением населения доброкачественными водой и пищевыми продуктами и проведением санитарно-просветительская, работы среди населения, повышением санитарный культуры.

В связи с большой ролью пищевых продуктов, особенно молочных, в передаче возбудителей Дизентерия необходим усиленный контроль за выполнением правил сбора молока, его переработки, транспортировки и реализации. Особое внимание должно уделяться соблюдению режима пастеризации. Летом с целью профилактики вспышек Дизентерия «молочного» происхождения в дошкольных учреждениях и пионерских лагерях необходимо перед употреблением дополнительно термически обрабатывать молоко и творог. Эта мера оправдана и в системе общественного питания. Обязателен строгий контроль за приготовлением, хранением и сроками реализации пищевых продуктов.

Важно обеспечить действенную санитарно-просветительская, работу среди населения по предупреждению употребления для питья воды сомнительного качества без термической обработки и купания в загрязнённых водоёмах. Обеспечение обеззараженной водой молокоперерабатывающих и других пищевых предприятий остаётся важнейшей задачей профилактики Дизентерия

Эпидемиологический опасность невыявленных больных среди лиц, занимающихся производством, хранением, транспортировкой и реализацией продуктов питания, а также приравненных к ним, особенно велика и требует усиления надзора за ними, повышения уровня их санитарный культуры. Рекомендуется систематически проводить бактериологических исследования на санитарно-показательную микрофлору смывов с рук работающих и рабочих поверхностей на пищевых предприятиях, в дошкольных учреждениях и других объектах. Эта работа ведётся с учётом санитарно-технического состояния и степени потенциальной эпидемиологическом опасности отдельных пищевых и других объектов. Обнаружение санитарно-показательной флоры в смывах с рук и с различных поверхностей, неудовлетворительное санитарный состояние предприятия служат основанием для мер административного воздействия, наведения санитарный порядка, проведения массового бактериологических обследования коллектива. Эффективны внезапные выезды медработников на пищевые объекты с целью забора проб пищевых продуктов, смывов с рук и рабочих поверхностей. Эта работа интенсивно проводится на молокоперерабатывающих предприятиях, молочных кухнях, предприятиях общественного питания, детских дошкольных учреждениях и другие

Лица, поступающие на пищевые предприятия, проходят однократное бактериологических обследование. При выделении возбудителя Дизентерия к работе их не допускают и направляют на лечение.

При возникновении Дизентерия в эпидемиологическом очаге проводят комплекс противоэпидемические мероприятий. Внимание медперсонала направляется на раннее активное выявление больных и их лечение. Ранняя рациональная терапия снижает число хронический форм Дизентерия, число бактерионосителей.

Клинической, показаниями для госпитализации больного являются тяжёлые и среднетяжёлые формы острых кишечных заболеваний, острые кишечные заболевания у лиц, резко ослабленных сопутствующими заболеваниями.

По эпидемиологический показаниям в обязательном порядке госпитализируются больные Дизентерия и бактерионосители из числа работников пищевых предприятий и к ним приравненных. Госпитализация обязательна и в тех случаях, когда соблюдение противоэпидемические режима по месту жительства больного невозможно (смотри полный свод знаний Изоляция инфекционных больных).

Больных, перенёсших острые кишечные заболевания без бактериологически подтверждённого диагноза, лечившихся в больнице или дома, выписывают не ранее чем через три дня после клинической, выздоровления, нормализации стула и температуры. При этих же условиях лиц, имеющих непосредственное отношение к производству продуктов питания, их хранению, транспортировке и реализации и к ним приравненных, обязательно подвергают контрольному однократному бактериологических обследованию, которое проводят не ранее чем через два дня после окончания лечения. Выписывают их только при отрицательном результате обследования.

Больных, перенёсших Дизентерия, подтверждённую бактериологически, лечившихся в больнице или дома, выписывают не ранее чем через три дня после нормализации стула и температуры и обязательного однократного контрольного бактериологических обследования, проводимого не ранее чем по прошествии двух дней после окончания лечения. Всем лицам, занятым производством, хранением, транспортировкой и реализацией продуктов питания, а также к ним приравненным, при этих условиях проводят двукратное бактериологических обследование.

При хронический Дизентерия выписка производится после стихания обострения, исчезновения токсикоза, стойкой (в течение 10 дней) нормализации стула и отрицательного результата однократного бактериологических обследования, проводимого не ранее чем через два дня по окончании лечения.

Лица, занимающиеся производством, хранением, транспортировкой и реализацией продуктов питания, а также к ним приравненные, допускаются к работе по справке врача стационара о выздоровлении без дополнительного бактериологических обследования. Если у этих лиц возбудитель Дизентерия обнаруживается более 3 месяцев после перенесённого заболевания, то решением консилиума (инфекционист, терапевт, эпидемиолог) они как больные хронический формой Дизентерия переводятся на работу, не связанную с продуктами питания.

После выписки реконвалесценты должны находиться под наблюдением врача кабинета инфекционных заболеваний (смотри полный свод знаний) поликлиники. За лицами, страдающими хронический Дизентерия и выделяющими возбудитель, а также бактерионосителями устанавливается диспансерное наблюдение на 3 месяцев с ежемесячным осмотром и бактериологических обследованием. В эти же сроки обследуются лица, у которых длительное время наблюдается неустойчивый стул. Работники пищевых предприятий и к ним приравненные, перенёсшие острую Дизентерия, наблюдаются 3 месяцев, а перенёсшие хронический Дизентерия— 6 месяцев с ежемесячным бактериологических обследованием. По истечении этого срока и полном клин, выздоровлении эти лица могут быть допущены к работе по специальности.

После госпитализации больного в квартире (общежитии) проводится дезинфекция (смотри полный свод знаний). Если больного оставляют дома, его изолируют при соблюдении строгого противоэпидемические режима, включая текущую дезинфекцию. Окружающих больного лиц инструктируют о правилах ухода за инфекционным больным, соблюдении режима изоляции и личной гигиены.

При возникновении острых кишечных заболеваний в детских учреждениях и среди работников пищевых предприятий и приравненных к ним лиц проводится обязательное эпидемиологический обследование. В остальных случаях необходимость эпидемиологический обследования определяется эпидемиологом.

Важное место в борьбе с Дизентерия принадлежит эпидемиологический анализу заболеваемости, который позволяет выявлять пути и факторы распространения возбудителей Дизентерия и принимать действенные профилактические меры. С этой целью в санитарный-эпидемиологическом станциях должны быть разработаны карты-схемы снабжения отдельных объектов обслуживаемой территории различными пищевыми продуктами, в первую очередь молочными, а также схемы распределения продукции молокоперерабатывающих предприятий, расположенных на обслуживаемой территории. На каждый вид продукции подбирается несколько контрольных точек (объектов). Аналогично с помощью контрольных участков с изолированным водоснабжением (отдельный водопровод, колодцы, артезианские скважины, привозная вода и тому подобное) создаётся возможность для исключения или подтверждения роли водного фактора. Сопоставление территориального распределения Дизентерия со схемами водоснабжения и картами-схемами распределения пищевых продуктов позволяет в короткие сроки установить (или исключить) тот или иной фактор передачи инфекции при подъёме спорадической заболеваемости и при вспышках Дизентерия. При оставлении больного на дому в очаге проводится текущая дезинфекция.

Специфическая профилактика (создание активного иммунитета с помощью вакцин либо пассивного — с помощью сывороток или гамма-глобулина) находится в стадии дальнейшей разработки.

По данным Дю Понта (Н. L. Du Pont) с сотрудники (1970, 1972) и В. В. Сергеева (1974), перспективна живая энтеральная вакцина из стрептомицинзависимых мутантов шигелл Флекснера; она оказалась мало реактогенной, достаточно эффективной.

Дизентерия у детей

Среди возбудителей Дизентерия у детей преобладают шигеллы Зонне, значительно реже обнаруживаются шигеллы Флекснера и единично другие виды.

Основные симптомы Дизентерия у детей — общая интоксикация и расстройства со стороны желудочно-кишечного тракта (боли в животе, жидкие испражнения с примесью слизи, крови, тенезмы и другие). Степень выраженности симптомов варьирует и определяет различные по тяжести формы болезни.

У детей различают те же формы течения Дизентерия, что и у взрослых.

Острая дизентерия

Лёгкое течение характеризуется острым началом с повышением температуры до 37,5—38° , которая держится 1—2 дня, рвотой, чаще однократной. Стул до 3—8 раз в сутки. Испражнения обычно не утрачивают калового характера, могут быть обильными с примесью слизи и зелени, кровь чаще отсутствует. Тенезмы слабо выражены, сигмовидная кишка несколько болезненна, анус податлив.

Нередко при этой форме Дизентерия явления общей интоксикации отсутствуют. На фоне нормальной температуры у ребёнка появляется жидкий или кашицеобразный кал, чаще без патологический примесей, стул 1—3 раза в сутки. Наиболее постоянным симптомом является болезненность спастически сокращённой сигмовидной кишки, которая пальпируется в виде плотного тяжа. Кишечные расстройства в таких случаях обычно принимают за нарушение в пищевом режиме ребёнка. В дальнейшем появление повторных случаев заболевания детей и положительные результаты бактериологических обследования выявляют больных Дизентерия. Эти больные представляют серьёзную эпидемиологический опасность в детских коллективах.

Среднетяжёлое течение сопровождается выраженными явлениями интоксикации и изменениями со стороны желудочно-кишечного тракта. Температура повышается до 38—39° и держится в течение 1—2 дней, реже до 3 дней. Общее состояние ухудшается. Наблюдается повторная рвота, появляются схваткообразные боли в животе и тенезмы. Живот умеренно вздут: сигмовидная кишка спастически сокращена и болезненна; урчание по ходу толстой кишки.

Анус податлив, отмечаются явления сфинктерита. Испражнения жидкие, содержат большое количество слизи, зелени, а в половине случаев — кровь. Частота стула может доходить до 8 —15 раз в сутки. Нередко отмечается болезненность при пальпации в правой подвздошной области, что диктует необходимость исключения острого аппендицита.

Тяжёлое течение встречается редко. Тяжесть состояния чаще обусловлена явлениями интоксикации. Характерно бурное начало, повышение температуры до 40° и выше, многократная рвота. Ребёнок теряет сознание, появляются клонико-тонические судороги. Могут наблюдаться менингоэнцефалитические симптомы. Отмечается глухость тонов сердца, падение АД, похолодание конечностей. Пульс частый, слабого наполнения. Появляется цианоз конечностей и носогубного треугольника, «мраморность» кожи. Наблюдается эмфизема лёгких и токсическая одышка. Дыхание становится поверхностным и частым. При многократной рвоте и учащённом стуле могут появиться симптомы эксикоза: снижение тургора тканей, эластичности кожи, повышенная жажда и умеренная сухость кожных покровов и видимых слизистых оболочек, западение большого родничка. В начале болезни стул может отсутствовать, и тогда ошибочно ставят диагноз менингита или пищевой интоксикации. И только через несколько часов появляется частый стул, более 10—15 раз в сутки, испражнения с примесью большого количества мутной слизи и зелени, чаше с прожилками крови. Однако и при этих формах испражнения редко теряют каловый характер.

Явления интоксикации нарастают обычно к 3—5-му дню от начала заболевания — учащается стул, усиливается рвота, снова повышается температура и ухудшается общее состояние ребёнка.

В случаях присоединения сопутствующих заболеваний при Дизентерия токсикоз с эксикозом у детей раннего возраста может возникнуть и при среднетяжёлой и даже при лёгкой форме Дизентерия

Во второй половине 20 век резко снизилось количество тяжёлых форм Дизентерия, преобладают лёгкие формы заболевания. Соответственно снизилась и летальность, к-рая составляет среди детей десятые доли процента.

Вместе с тем отмечается отчётливая зависимость тяжести начального синдрома от путей передачи возбудителей. В отличие от контактного пути заражения, для пищевого пути передачи характерен короткий инкубационный период. Болезнь начинается бурно, с высокой температуры, повторной рвоты и поражения нервной системы в виде возбуждения или адинамии. Могут отмечаться кратковременные судороги. Значительно чаще бывает выражен болевой синдром с локализацией в правой подвздошной области. Расстройство стула при этом запаздывает.

Течение и исход Дизентерия у детей зависят от возраста, иммунобиологических состояния и от сроков начала комплексной терапии, включая и период реконвалесценции.

При благоприятном течении болезни стул нормализуется через 5— 10 дней от начала лечения.

Хроническая дизентерия

Хронический Дизентерия наблюдается у детей со сниженной иммунобиологических реактивностью, страдающих сопутствующими заболеваниями. Особенно часто формируется, когда к Дизентерия присоединяется острая респираторная вирусная инфекция и осложнения, с ней связанные. Это способствует обострению кишечных симптомов, повторному высеву шигелл и затягиванию периода реконвалесценции. Несвоевременная терапия также является причиной формирования хронической Дизентерия

Хронический Дизентерия клинически характеризуется непрерывным или рецидивирующим течением, но нередко протекает с незначительными клинической, проявлениями. У больных при общем удовлетворительном состоянии и чаще нормальном стуле определяется спазмированная и болезненная сигмовидная кишка, а при эндоскопии выявляются диффузные воспалительные изменения катарально-фолликулярного или катарально-эрозивного характера.

При установлении диагноза хронический Дизентерия необходимо исключить реинфекцию. Кроме того, неустойчивый стул после перенесённой Дизентерия может быть результатом дисбактериоза и нарушения ферментативной деятельности желудочно-кишечного тракта.

Диагноз

Диагноз представляет особые трудности в случаях недостаточно выраженного колитического синдрома.

У детей раннего возраста Дизентерия дифференцируют с кишечной коли-инфекцией, обусловленной патогенными штаммами эшерихий, сальмонеллезом, стафилококковыми энтеритами и энтероколитами, вирусной диареей, инвагинацией, аппендицитом.

Особые трудности представляет дифференциальная диагностика Дизентерия с синдромами, сопровождающимися нарушением кишечного всасывания у детей раннего возраста при таких болезнях, как целиакия (смотри полный свод знаний), муковисцидоз (смотри полный свод знаний), дисахаридазная недостаточность (смотри полный свод знаний Мальабсорбции синдром), экссудативная энтеропатия (смотри полный свод знаний Энтеропатия экссудативная). В этих случаях большая роль в установлении диагноза принадлежит специальным лабораторным методам исследования. Результаты лабораторных данных необходимо оценивать только в сочетании с клинико-эпидемиологический показателями^

Лечение

Основным принципом лечения Дизентерия является комплексное применение терапевтических средств и этапность с учётом возраста, общего состояния ребенка, тяжести и фазы инфекционного процесса; правильная организация лечебно-охранительного режима и питания. Проведение лечения, включая и период реконвалесценции, обеспечивает полное выздоровление и предотвращение формирования хронический форм болезни.

При развитии токсикоза у грудного ребёнка делают перерыв в кормлении на 4—8 часов в зависимости от тяжести токсикоза с назначением обильного питья. Затем назначают дозированное кормление — по 10— 20 миллилитров сцеженного грудного молока или кислых смесей (кефира) через каждые 2 часа.

В последующие дни объем питания прибавляют на 100—200 миллилитров в сутки, соответственно увеличивая интервалы между кормлениями. В этих случаях к 6—7-му дню лечения ребёнок уже получает питание по составу, объёму и калорийности соответственно своему возрасту.

Особое место отводится дезинтоксикационной терапии — введение плазмы, глюкозы, неокомпенсана, гемодеза. Способы введения указанных препаратов (струйно, капельно) зависят от тяжести Дизентерия и характера токсикоза. При лёгких формах больному назначают обычное питание, соответствующее его возрасту. Для снижения гипертермии показано внутримышечное введение 0,1 миллилитров/килограмм 4% раствора амидопирина или 0,1 миллилитров на год жизни 50% раствора анальгина.

При возникновении клонико-тонических судорог — внутримышечно 1 миллилитров на 1 год жизни 25% раствора сульфата магния. При резком возбуждении и судорогах применяют литические смеси. Нарушения сердечной деятельности являются показанием для назначения строфантина, коргликона и кокарбоксилазы. При выраженном токсикозе показано применение гормонов коры надпочечников в течение 5—7 дней с постепенным уменьшением суточной дозы в возрастной дозировке (каждые 1—2 дня на 30—50%). Одновременно назначают внутрь 5—10% раствор ацетата или хлорида калия — 20—40 миллилитров в сутки.

У детей первого года жизни при наличии токсикоза с эксикозом следует проводить регидратационную терапию с учётом показателей водно-минерального обмена и кислотно-щелочного равновесия.

Для лечения Дизентерия применяют различные химиопрепараты и антибиотики: фуразолидон, фтазин, бисептол, ампициллин и другие

Повторный курс лечения антибиотиками показан лишь в случаях появления рецидива и при повторном высеве шигелл.

С целью предупреждения развития дисбактериоза и длительного выделения шигелл показано применение биол. препаратов — колибактерина, бифидумбактерина или бификола. Необходимо назначать комплекс витаминов, особенно С и группы В. Широко применяется озокерит на область живота.

Система лечения детей раннего возраста включает пребывание ребёнка после перенесённой Дизентерия в санаторном отделении для реконвалесцентов. Продолжительность пребывания в отделении для реконвалесцентов зависит от состояния ребёнка и в среднем составляет 2—4 недель.

Больных, страдающих хронический формой Дизентерия, после стационарного лечения переводят в санаторное отделение, где они находятся до стойкой нормализации стула и прибавки веса.

Прогноз

При своевременном лечении прогноз благоприятный. Присоединение интеркуррентных заболеваний, особенно острой респираторной вирусной инфекции, может привести к затяжному течению с переходом в хронический форму Дизентерия и длительное бактериовыделение.

Профилактика

Основные профилактические мероприятия те же, что и при Дизентерия у взрослых. Вместе с тем есть и некоторые особенности.

Выявление больных в дошкольных учреждениях обеспечивается тщательным контролем стула и его частоты у детей. Детей с дисфункцией кишечника или с патологический примесями в стуле (слизь, гной, кровь) изолируют. Приём детей в дошкольное учреждение после перенесённой болезни или отсутствия в течение 5 и более дней разрешается только при наличии справки от врача.

Детей младшего возраста, посещающих и не посещающих детские дошкольные учреждения, выписывают после перенесённой Дизентерия не ранее чем через три дня после нормализации стула и температуры, а также однократного отрицательного бактериологических обследования, проводимого не ранее чем через два дня после окончания лечения.

Дети, посещающие дошкольные учреждения, и дети из специализированных санаториев, выписанные из больницы или лечившиеся на дому, допускаются в коллективы после клинической, выздоровления. За ними в течение 1 месяцев устанавливается наблюдение с целью своевременного обнаружения возможного расстройства функции кишечника.

Дети из детских домов и школ-интернатов допускаются в коллективы по выздоровлении, но в течение 2 месяцев не допускаются к дежурству на пищеблоке.

Дети, перенёсшие обострение хронический Дизентерия, допускаются в детский коллектив при наличии нормального стула в течение 5 дней, хорошем общем состоянии и нормальной температуре.

Особенности эпидемиологии и профилактики дизентерии в войсках

Мероприятия по профилактике Дизентерия определяются на основе изучения причин заболеваемости Дизентерия среди личного состава войск и гражданского населения, бытовых условий воинской части, данных обследования нового пополнения, работников продовольственных складов, хлебопекарен, кухонь, столовых, объектов системы водоснабжения и другие Обычно составляется план, относящийся ко всем службам, обеспечивающим проведение профилактических мероприятий (квартирно-эксплуатационной, продовольственной, медицинской и другие), который утверждается командиром части (гарнизона). В нем предусматриваются: 1) мероприятия по благоустройству и сан. содержанию кухонь, столовых, буфетов, солдатских чайных, продовольственных складов, овощехранилищ, хлебопекарен; 2) контроль за соблюдением санитарно-гигиенических требований при обработке продуктов и приготовлении пищи, а также за мытьём столовой и чайной посуды; 3) систематическое бактериологических исследование на кишечную палочку смывов с кухонной посуды и других объектов кухни, столовой, посудомоечной, а также с рук постоянных работников питания и кухонного наряда; 4) контроль за соблюдением личным составом требований личной и общественной гигиены и за созданием надлежащих условий для выполнения гигиенических правил; мероприятия по обеспечению частей достаточным количеством доброкачественной воды, а также по её транспортировке и хранению; контроль за очисткой территории и проведением мероприятий по предупреждению выплода мух и борьбе с ними.

С целью предупреждения заноса Дизентерия в войсковую часть прибывающее пополнение и военнослужащие, возвращающиеся из командировок, а также военнослужащие запаса, прибывающие на переподготовку, подвергаются медицинский обследованию для выявления среди них больных Дизентерия, колитами и энтероколитами и болевших в прошлом. Выявленных больных изолируют и лечат, а болевших кишечными инфекциями в последние 6 месяцев берут на учёт и подвергают комплексному обследованию.

При медицинский освидетельствовании призывников медицинский комиссии военкоматов также проводят комплексное обследование всех болевших острыми кишечными заболеваниями.

Служащих, поступающих на работу, связанную с питанием и водоснабжением, не имеющих в анамнезе заболеваний кишечными инфекционными болезнями (подтверждается справкой эпидемиолога СЭС), допускают к работе только после медицинский обследования и при наличии трёх отрицательных результатов бактериологических исследований, проведённых с интервалом в два дня. За всеми лицами, работающими на объектах питания и водоснабжения, ведётся систематическое медицинский наблюдение, которое включает медосмотры (еженедельные) и бактериологических обследования на Дизентерия, тифо-паратифозные и сальмонеллёзные заболевания (в летне-осенний период — ежемесячно, в остальное время года — не менее одного раза в квартал).

В профилактике Дизентерия весьма эффективно активное проведение лечебно-оздоровительной работы среди болевших кишечными инфекционными болезнями. В течение 6 мес. после выписки из госпиталя за ними устанавливается диспансерное наблюдение с обязательным ежемесячным врачебным осмотром и бактериологических обследованием. Комплексное плановое обследование проводится не менее двух раз в год: весной — в конце зимнего периода обучения и осенью — после летнего периода обучения войск. Полученные данные состоянии здоровья заносятся в медицинский книжку обследуемого.

Работники питания и водоснабжения, болевшие кишечными инфекциями, после выписки из госпиталя не допускаются к работе в течение мес. На этот период они должны быть направлены на работу, не связанную с питанием и водоснабжением, и находиться под медицинский наблюдением. В продолжении этого срока они подвергаются медицинский обследованию, включающему трёхкратное бактериологических исследование испражнений (по одному каждые 10 дней), однократное копрологическое и заключительный осмотр врачом-инфекционистом на 28—30-й день. При отсутствии патологии эти лица допускаются к работе по специальности, однако подлежат диспансерному наблюдению в течение 6 месяцев. При обострении заболевания или обнаружении при одном из бактериологических обследований возбудителя Дизентерия этих лиц вновь госпитализируют и проводят курс лечения. После выписки их не допускают к своей основной работе ещё 1 месяцев, в течение которого снова проводят обследование. Лица, возвратившиеся после перенесённой Дизентерия на прежнюю работу, остаются под медицинский наблюдением в течение 6 месяцев и 1 раз в месяц подвергаются бактериологических обследованию.

Все мероприятия по профилактике Дизентерия в войсках эффективны только в том случае, если они проводятся комплексно и в течение всего года.

Аванесова А.Г.; Агафонов В.И.; Войно-Ясенецкий М.В.; Покровский В.И.; Солодовников Ю.П.; Турчинская М.В.; Ушаков Г.К.; Ющук H.Д.

⇐ Перейти на главную страницу сайта

⇑ Вернуться в начало страницы ⇑

Библиотека Ordo Deus ⇒

⇐ Дивертикул

⇓ Полный свод знаний. Том первый А. ⇓

Дизонтогенетические опухоли ⇒

Все статьи в полном изложении, Вы можете найти в большой медицинской энциклопедии — Главный редактор: академик АН СССР (РАН) и АМН СССР (РАМН) Б.В. Петровский. — Москва издательство «Советская энциклопедия» 1989г.

Внимание! Вы находитесь в библиотеке «Ordo Deus». Все книги в электронном варианте, содержащиеся в библиотеке «Ordo Deus», принадлежат их законным владельцам (авторам, переводчикам, издательствам). Все книги и статьи взяты из открытых источников и размещаются здесь только для чтения.

Библиотека «Ordo Deus» не преследует никакой коммерческой выгоды.

Все авторские права сохраняются за правообладателями. Если Вы являетесь автором данного документа и хотите дополнить его или изменить, уточнить реквизиты автора, опубликовать другие документы или возможно вы не желаете, чтобы какой-то из ваших материалов находился в библиотеке, пожалуйста, свяжитесь с нами по e-mail:
info @ ordodeus. ru
Формы для прямой связи с нами находятся в нижней части страниц: контакты и устав «Ordo Deus», для перехода на эти страницы воспользуйтесь кнопкой контакты вверху страницы или ссылкой в оглавлении сайта.

Вас категорически не устраивает перспектива безвозвратно исчезнуть из этого мира? Вы не желаете закончить свой жизненный путь в виде омерзительной гниющей органической массы пожираемой копошащимися в ней могильными червями? Вы желаете вернувшись в молодость прожить ещё одну жизнь? Начать всё заново? Исправить совершённые ошибки? Осуществить несбывшиеся мечты? Перейдите по ссылке: «главная страница».

© Ordo Deus, 2010. При копировании ссылка на сайт http://www.ordo-deus.ru обязательна.