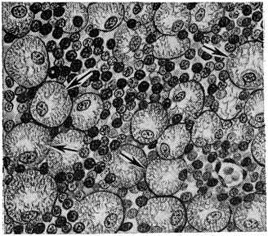
При использовании метода негативного контрастирования установлено, что эти трубочки имеют спиралевидную структуру. Это отличает клетки Гоше от сходных с ними клеток, выявляемых при других заболеваниях, в частности при хронический миелолейкозе (смотри полный свод знаний Лейкозы). При электронной микроскопии в клетках Гоше нередко обнаруживают и остатки эритроцитов. Клиническая картинаРазличают две формы заболевания: острую, или злокачественную, и хроническую. Злокачественная форма Гоше болезнь проявляется в первые месяцы жизни ребёнка. Характерно нарастание тяжести симптомов. Отмечают прогрессирующее увеличение селезёнки и печени, отставание в физ. и психическом развитии, поражение центральная нервная система; развивается гипохромная анемия, лейкопения, тромбоцитопения; последняя, по-видимому, обусловливает появление кожных геморрагий, носовых кровотечений. Поражение центральная нервная система проявляется увеличением размеров головы, умеренно выраженными признаками внутричерепной гипертензии (смотри полный свод знаний Гипертензивный синдром); отмечается также сходящееся косоглазие, гипертонус мышц шеи и гипотония (реже повышение тонуса) мышц конечностей, пирамидные симптомы. Характерными признаками в дальнейшем являются деменция (смотри полный свод знаний Слабоумие), отсутствие фиксации взгляда, ригидность мышц, сменяющаяся опистотонусом (смотри полный свод знаний).
Некоторые авторы считают характерными признаками острой формы Гоше болезнь сочетание косоглазия, дистонии мышц конечностей и гиперэкстензии головы, деменции. Глазное дно обычно остаётся без изменений; у некоторых больных выявляется пигментный ретинит. Описанная неврологический симптоматика может быть ведущей в клинический, картине заболевания. Иногда ведущим в клинический, картине острой формы Гоше болезнь становится лёгочное поражение, обусловленное скоплением клеток Гоше в стенках альвеол. В этих случаях отмечается коклюшеподобный кашель, в мокроте можно найти клетки Гоше. Хронический форма протекает значительно доброкачественнее. В большинстве случаев она проявляется в юношеском возрасте или у взрослых. Физ. и психическое развитие больных, как правило, не страдает. Размеры селезёнки и печени увеличиваются постепенно. Обычно в процесс вовлекаются и лимфатических, узлы, преимущественно висцеральные. Изменения картины крови при хронический форме Гоше болезнь те же, что и при злокачественной форме: анемия, лейкопения, тромбоцитопения; однако выражены они значительно слабее. Геморрагический синдром длительное время проявляется склонностью к подкожным кровоизлияниям и непродолжительными носовыми кровотечениями. Иногда отмечается субфебрильная температура. Характерно появление жёлто-коричневой пигментации на открытых частях кожи, слизистых оболочках и на склерах. Часто возникают боли в костях, вызывающие затруднения при ходьбе. В ряде случаев костные поражения могут быть наиболее ранними симптомами и преобладать во всей клинический, картине болезни. Иногда костные изменения осложняются патологический переломами. У некоторых больных отмечается специфическое поражение лёгких и желудочно-кишечного тракта. При хронический форме Гоше болезнь неврологический нарушения обнаруживают значительно реже, чем при острой, и выражены они весьма незначительно (пирамидные симптомы, интенционный тремор, дисметрия, вегетативные нарушения проявляются гипергидрозом, тахикардией, лабильностью пульса). Ряд авторов выделяет третью форму Гоше болезнь, развивающуюся в юношеском возрасте или у взрослых и характеризующуюся преимущественным поражением центральная нервная система, но имеющую более мягкое течение, сходное с хронический формой. Рентгенологическая картинаРентгенологическое изменения обнаруживают в костной системе, лёгких и в редких случаях в желудочно-кишечного тракте, главным образом при хронический форме болезни. Наиболее часто изменения обнаруживают в длинных трубчатых костях и позвоночнике. Первое место по частоте поражения занимает дистальная половина бедра, где выявляют характерное веретенообразное или булавовидное вздутие кости (рисунок 2 и 3) с истончением коркового слоя, которое часто сочетается с грубо-ячеистой структурой, внутрикостными обызвествлениями, отдельными очагами деструкции и иногда с эностальным склерозом кости. Периостозы, как правило, не развиваются; иногда могут наблюдаться обширные краевые деструкции, сопровождающиеся периостозами. В головке бедренной кости образуются асептические некрозы по типу болезни Пертеса со свойственной данному заболеванию стадийностью процесса и исходами (смотри полный свод знаний Пертеса болезнь). Может наблюдаться утолщение шейки бедра (рисунок 4) с образованием coxa vara. Патологический переломы тел позвонков могут привести к клиновидной их деформации. Сохранность межпозвоночного диска позволяет исключить туберкулёзный характер поражения. В ряде случаев развивается множественное поражение тел позвонков, сопровождающееся уменьшением их высоты и приводящее к снижению роста больного — системная бревиплатиспондилия (рисунок 5). Изменения в органах грудной полости выявляются редко. В лёгких рентгенологически отмечают усиление интерстициального рисунка с точечными очажками уплотнения, иногда в сочетании с увеличением внутригрудных лимф, узлов. Ещё более редки поражения желудочно-кишечного тракта, характеризующиеся появлением в желудке дефектов наполнения. Диагноз ставят на основании клинический, картины, данных лабораторных и рентгенологических исследований. Основным критерием для диагностики Гоше болезнь является обнаружение в пунктате селезёнки, костного мозга или печени клеток Гоше. В пунктате наряду с отдельно лежащими клетками могут встречаться и синцитиальные образования из них. Описаны единичные случаи вымывания клеток Гоше в периферическую кровь и выявления их методом лейкоконцентрации (смотри полный свод знаний Лейкоциты). Гоше болезнь можно диагностировать биохимический методом, выявляя дефицит фермента глюкоцереброзидазы в лейкоцитах периферической крови, в культуре фибробластов кожи и в культуре клеток из амниотической жидкости. У больных с острой формой Гоше болезнь содержание фермента составляет 5—10% нормы, у больных с хронический формой — 40—60%. Для диагностики Гоше болезнь определяют также содержание глюкоцереброзидов в осадке мочи больного или в биопсийном материале, например, в печёночной ткани. Содержание этих глюколипидов повышено. В сыворотке крови больного обнаруживается избыток кислой фосфатазы, выявляется гиперкальциемия. Исследование культуры клеток из амниотической жидкости позволяет выявлять носителей дефицита фермента глюкоцереброзидазы в пренатальном периоде жизни. Лечение острой формы симптоматическое. Основной метод лечения хронический формы Гоше болезнь — спленэктомия (смотри полный свод знаний). Попытка терапии отдельных форм сфинголипидозов, к которым относится Гоше болезнь, введением в плазму больных недостающих ферментов пока не дала надёжных результатов. Прогноз при острой форме Гоше болезнь неблагоприятный; смерть наступает на 1—2-м году жизни. Прогноз хронический формы, как правило, благоприятный. Профилактика. В случае рождения в семье ребёнка со злокачественной формой болезни при последующих беременностях матери больного показано исследование амниотической жидкости плода. При диагностике Гоше болезнь у 11 — 17-недельного плода показано прерывание беременности. Специфической профилактики нет. Смотри также Липоидозы, Сфинголипидозы.
Вас категорически не устраивает перспектива безвозвратно исчезнуть из этого мира? Вы не желаете закончить свой жизненный путь в виде омерзительной гниющей органической массы пожираемой копошащимися в ней могильными червями? Вы желаете вернувшись в молодость прожить ещё одну жизнь? Начать всё заново? Исправить совершённые ошибки? Осуществить несбывшиеся мечты? Перейдите по ссылке: «главная страница».
|
|||||||||||||||||||||||||||||||||||||||