Ксантома
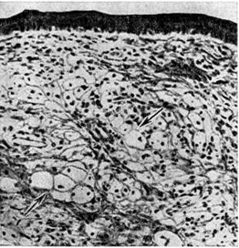
Ксантома (xanthoma; греческий хапthos золотисто-жёлтый + -oma; синонимы: сальный моллюск, липоматозная фиброма) — очаговое отложение в коже и некоторых тканях триглицеридов и холестерина, вызванное нарушениями жирового обмена. Термин «ксантома» введён в 1864 год Смитом (W. F. Smith). Морфологически основой Ксантома являются так называемый ксантомные клетки (рис.) — одно или многоядерные фагоциты с пенистой цитоплазмой, содержащей двоякопреломляющие жировые включения; в дерме может быть лимфогистиоцитарная инфильтрация, встречаются гигантские клетки инородных тел, прогрессирует фиброз.
Различают локальные и генерализованные формы Ксантома Локальными формами Ксантома являются ксантелазма век (смотри полный свод знаний) и туберозная Ксантома, которая имеет вид узлов желтоватого цвета с гладкой поверхностью диаметром до нескольких сантиметров, располагающихся чаще в области локтевого или коленного суставов. Генерализованная форма Ксантома имеет вид множественных мелких узелков, папулёзных и эруптивных элементов на различных участках кожи; встречается при сахарном диабете, болезни Хенда — Шюллера — Крисчена.
При локальных формах Ксантома, в основном с косметической целью, применяется оперативное лечение или местное разрушение узелков с помощью, например, диатермокоагуляции (смотри полный свод знаний), криодеструкции (смотри полный свод знаний Криохирургия). Возможны рецидивы.
Смотри, полный свод знаний Ксантоматоз.
|