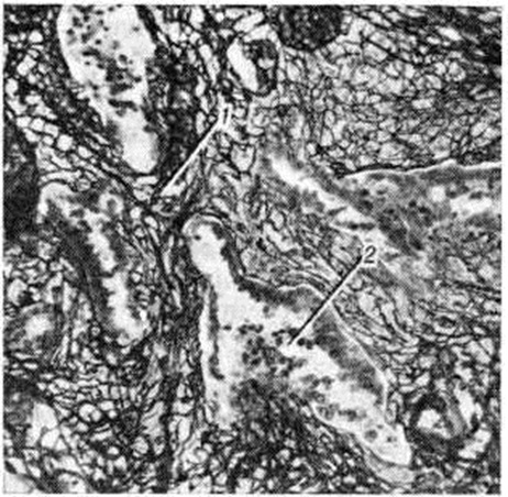
Классификация Вотчала (1962) учитывала этиологию Пневмосклероз с указанием инфекционных и неинфекционных форм, среди которых впервые упоминались химиотоксический, лекарственный, лучевой Пневмосклероз; патогенез с указанием воспалительного, аллергического, экссудативно-дистрофического, смешанного Пневмосклероз; распространённость с выделением ограниченного, рассеянного, многоочагового, диффузного и смешанного Пневмосклероз; функциональные расстройства без выраженного нарушения дыхания, с нарушением бронхиальной проходимости, с ригидностью лёгкого (фиброз), с нарушением диффузии газов и с нарушениями смешанного типа, с сердечной недостаточностью и без неё; активность процесса — стадии обострения и ремиссии; характер течения — прогрессирующий и непрогрессирующий Пневмосклероз В данной классификации отсутствовали формы Пневмосклероз, развивающиеся вследствие пороков развития лёгких, ферментопатий, дистрофий, не был выделен специфический Пневмосклероз, в частности метатуберкулёзный, однако в целом принцип классификации сохранил своё значение и нашёл отражение в современной классификации. Классификация. По этиологии Пневмосклероз делят на инфекционный — специфический (метатуберкулёзный, сифилитический, микотический, паразитарный), неспецифический, в том числе после аспирации инородного тела, и посттравматический; токсический; пневмокониотический; диспластический (вследствие пороков развития лёгкого или врождённых ферментопатий); дистрофический (вследствие лучевого пневмонита, реактивный Пневмосклероз при амилоидозе, микролитиазе, оссификации); аллергический — экзогенный (лекарственный, от вдыхания спор грибов) и эндогенный при фиброзирующих альвеолитах неясной этиологии (синдромы Хаммена — Рича, Гудпасчера, при идиопатическом лёгочном гемосидерозе, при десквамативной и гигантоклеточной интерстициальной пневмонии, коллагеновых болезнях) либо при аллергических гранулематозах (эозинофильной затянувшейся пневмонии, гранулематозе Вегенера, саркоидозе Бека и другие); кардиоваскулярный Пневмосклероз (при приобретённых пороках сердца, врождённых пороках сердечно-сосудистой системы, сопровождающихся гипертензией малого круга кровообращения, при пролонгированных тромбозах и эмболиях малого круга кровообращения). Патогенетически выделяют воспалительный Пневмосклероз (бронхогенный, бронхоэктатический, бронхиолярный, или «сотовое лёгкое», постпневмонический, плеврогенный); ателектатический Пневмосклероз, или фиброателектаз (при синдроме средней доли, инородных телах лёгких, иногда при бронхогенных опухолях); лимфогенный Пневмосклероз, обусловленный лимфоплеторой лёгочного или кардиоваскулярного происхождения; иммунный при ограниченных и диффузных альвеолитах. По патоморфологическим признакам различают: диффузный Пневмосклероз (сетчатый лимфогенный, диффузный альвеолярный, так называемый пневмофиброз, а также миофиброз бронхиол и мелких сосудов); локальный Пневмосклероз (воспалительный, фиброателектатический, диспластический, аллергический — гранулематозный). С учётом нарушения функции лёгких Пневмосклероз может протекать без нарушения дыхания, с нарушением вентиляции по обструктивному типу, с нарушением вентиляции по рестриктивному типу, с гипертензией в малом круге кровообращения или без неё. Кроме того, Пневмосклероз бывает прогрессирующим и непрогрессирующим. Этиология. Наибольшее значение в развитии Пневмосклероз имеет инфекция. Бактерии (стрептококки, стафилококки), некоторые грибки, возбудители паразитарных инфекций (амёбы, токсоплазмы, эхинококки), вызывая нагноение и некроз лёгочной ткани, ведут к развитию бронхоэктазов и пневмоциррозу. Особое место среди инфекционные факторов, вызывающих Пневмосклероз, занимает туберкулёз. При некоторых вторичных формах туберкулёза (фиброзно-кавернозный, цирротический) метатуберкулёзный Пневмосклероз носит локальный деформирующий характер, при гематогенно-генерализованном туберкулёзе — диффузный лимфогенный. Большую роль в развитии метатуберкулёзного Пневмосклероз играет малоэффективная терапия, а также присоединение неспецифического бронхита. Тяжёлый деформирующий Пневмосклероз в виде «дольчатого лёгкого» может развиться при третичном сифилисе. Вирусные инфекции, не осложнённые бактериальной инфекцией, редко приводят к Пневмосклероз, и если последний развивается, например, при орнитозе, то носит характер фиброзирующего альвеолита. Инфекционный Пневмосклероз возникает также при аспирации инородных тел, носит при этом характер опухолевидного образования и вызывает ателектатическое сморщивание значительных отделов лёгких. Близок к инфекционному посттравматический Пневмосклероз, так как в условиях травмы нарушается очистительная функция бронхов, в них активизируются возбудители инфекции, в том числе условно-патогенная флора, гематомы нагнаиваются с развитием абсцессов, что приводит к циррозу лёгких. К. Г. Никулин (1972), наиболее подробно описавший посттравматический Пневмосклероз, различает следующие его формы: ранний и поздний, ограниченный и диффузный, плевральный и лёгочный. Наиболее грубый Пневмосклероз возникает при наличии массивного гемоторакса и пневмоторакса, способствующих ателектазам. Особенно быстро Пневмосклероз развивается при слепых осколочных ранениях, чему способствуют кровоизлияния, аспирация крови с последующей её организацией. При «шоковом лёгком» (смотри полный свод знаний: Лёгкие), наблюдаемом при травме, развивается альвеолярный пневмофиброз. Токсический Пневмосклероз, преимущественно диффузный, в военное время может быть обусловлен действием боевых отравляющих веществ, в мирное — промышленными газами, например, двуокисью азота, а также кислородом при неправильном его применении в процессе лечения, под воздействием высоких концентраций озона и продуктов сгорания пластмасс, повреждающих сурфактант (смотри полный свод знаний). Играет роль не только превышение допустимых концентраций промышленных газов во вдыхаемом воздухе, но и индивидуальная чувствительность к ним. Опасно сочетание токсических газов с туманами (так называемый смог). Пневмокониотический Пневмосклероз возникает в результате запыления воздуха промышленными, минеральными и растительными веществами (смотри полный свод знаний: Пневмокониозы). Наибольшую роль в развитии соединительной ткани в лёгком играют двуокись кремния и бериллий. При бериллиозе (смотри полный свод знаний: Бериллий) особое значение придаётся индивидуальной чувствительности. Диспластический Пневмосклероз обусловлен аномалиями лёгких, чаще всего кистозной гипоплазией (смотри полный свод знаний: Лёгкие), или ферментопатиями — муковисцидозом (смотри полный свод знаний), дефицитом о-антитрипсина, способствующим развитию эмфиземы. При муковисцидозе, помимо нарушения проходимости бронхов вследствие наличия густого секрета, играет роль наследственная аномалия гликозоаминогликанов в фибробластах, а следовательно, нарушение обмена в соединительной ткани лёгких. Дистрофический Пневмосклероз развивается в виде очагов разрастания соединительной ткани, её обызвествления или оссификации, локализующихся в окружности масс амилоида (смотри полный свод знаний: Амилоидоз). Дистрофический характер носит Пневмосклероз, развивающийся при лучевом пневмоните (смотри полный свод знаний: Пневмония), при котором непосредственное лучевое повреждение вызывает некроз, дистрофию альвеолоцитов, причём развитие лучевого Пневмосклероз зависит не столько от дозы ионизирующего излучения, сколько от индивидуальной чувствительности. Соединительная ткань развивается в эксперименте, по данным Бублитца (G. Bublitz, 1973), спустя 8 недель после действия ионизирующего излучения в основном по ходу альвеол. Более грубые рубцы возникают при присоединении тромбоза. Аллергический фиброзирующий альвеолит, в результате которого развивается диффузный альвеолярный Пневмосклероз (пневмофиброз), может носить экзогенный и эндогенный характер. К экзогенным относят фиброзирующий альвеолит, возникающий при приёме лекарственных средств (гексаметония, блеомицина, метотрексата, препаратов нитрофуранового ряда, сульфаниламидов, циклофосфамида). Экзогенный характер носит также аллергическая реакция лёгких на вдыхание пыли прелого сена («лёгкие фермера»), завершающим этапом которой может быть диффузный альвеолярный Пневмосклероз (смотри полный свод знаний: Экзогенные аллергические альвеолиты). Природа эндогенного фиброзирующего альвеолита неизвестна; он развивается при коллагеновых болезнях, синдромах Хаммена — Рича (смотри полный свод знаний: Хаммена — Рича синдром), Гудпасчера (смотри полный свод знаний: Лёгкие), Картагенера (смотри полный свод знаний: Лёгкие), идиопатическом гемосидерозе лёгких (смотри полный свод знаний), интерстициальной пневмонии (смотри полный свод знаний), а также аллергическом гранулематозе Вегенера (смотри полный свод знаний: Вегенера гранулематоз), саркоиде Бека (смотри полный свод знаний: Саркоидоз). К эндогенному идиопатическому фиброзирующему альвеолиту относят также наследственный идиопатический фиброз лёгких близнецов, описанный Пибоди (J. W. Peabody, 1950). Кардиоваскулярный Пневмосклероз возникает при митральном пороке сердца (порок левого предсердно-желудочкового клапана) любой этиологии и врождённых пороках сердца с гипертензией малого круга кровообращения, пролонгированных тромбозах и эмболиях лёгких, ангиитах, сопровождающихся нарушением оттока по лимфатических, сосудам. Патогенез. Пневмосклероз может возникать в результате различных патологический процессов. При инфекциях, пневмокониозах, травмах, воздействии токсических веществ наибольшее значение в развитии Пневмосклероз имеет воспаление (смотри полный свод знаний). Среди Пневмосклероз воспалительного происхождения различают метапневмонический, бронхогенный, бронхоэктатический, бронхиолярный и плеврогенный. В основе гистогенеза воспалительного Пневмосклероз лежат карнификация (смотри полный свод знаний), созревание грануляционной ткани, если имелось нагноение или некрозы, фиброз очагов интерстициального воспаления межальвеолярных перегородок. Воспалительная инфильтрация и склероз стенок бронхиол ведут к развитию так называемый сотового лёгкого с деструкцией межальвеолярных перегородок и формированием множественных полостей. Наибольшее значение среди Пневмосклероз воспалительного происхождения имеет бронхогенный Пневмосклероз, поскольку бронхи являются открытой средой для инфекции. Однако процесс не носит изолированного перибронхиального характера, а быстро становится периваскулярным в связи с обилием коллатералей между лимфатических, сосудами, оплетающими бронхи и кровеносные сосуды лёгких. Нарушение лимфогенного и бронхогенного дренирования вследствие бронхита (смотри полный свод знаний) или бронхиальной гиперсекреции способствует переходу воспаления на лёгочную ткань. Аналогичная ситуация возникает при кортикоплеврите (смотри полный свод знаний: Плеврит), особенно если присоединяются эмпиема или пневмогемоторакс, затрудняющие лимфообращение в лёгком вследствие ограничения его подвижности. Однако плеврогенный Пневмосклероз в отличие от бронхогенного имеет более локальный характер и захватывает поверхностные слои лёгкого вследствие карнификации или пневмонии. Бронхоэктатический Пневмосклероз обусловлен перифокальным воспалением интерстиция межальвеолярных перегородок, ателектазами, развитием грануляционной ткани. Цирротической деформации подвергаются сосуды, особенно сосуды корня лёгкого, что может привести к аневризматическому расширению одних и сдавливанию других сосудов. Деформация сосудов способствует шунтированию крови, нарушению насыщения крови кислородом, усилению кровенаполнения бронхиальных вен, что служит причиной их расширения, кровотечений и бронхиальной гиперсекреции. Ателектатический Пневмосклероз, или фиброателектаз, возникает при большинстве вышеупомянутых этиологического форм и имеет в своей основе нарушение преимущественно лимфообращения. Лимфоплетора, развиваясь в малоподвижном участке лёгкого (ателектазе), сопровождается истечением лимфы, пропитыванием сближенных между собой фиброзных прослоек стромы лёгкого белками и их метаболитами, что вместе с возникающей при этом гипоксией способствует пролиферации фибробластов и, следовательно, фибриллогенезу. Однако при асептически протекающем ателектазе Пневмосклероз, как правило, выражен незначительно. В случае присоединения воспаления он существенно усиливается, приобретая форму так называемый фиброателектаза. Фиброателектаз проявляется наиболее интенсивно при так называемый синдроме средней доли — неспецифическом процессе, обусловленном сдавлением средне-долевого бронха, характеризующегося большой длиной и узким просветом. Лимфогенный Пневмосклероз также имеет в основе лимфоплетору, но развивается без сближения тканевых элементов лёгкого, то есть без ателектаза, и только по ходу крупных лимфатических, коллекторов в фиброзных прослойках лёгкого. В той или иной степени этот механизм включается при всех этиологического формах Пневмосклероз, в том числе при Пневмосклероз кардиоваскулярного происхождения. В этом случае он часто бывает единственным проявлением Пневмосклероз, за исключением последних стадий «бурой индурации», когда присоединяется склероз межальвеолярных перегородок (смотри полный свод знаний: Бурое уплотнение лёгких). Пневмосклероз иммунного происхождения развивается при большинстве форм фиброзирующего альвеолита и гранулематоза лёгкого. В его основе лежит отложение иммунных комплексов и скопление иммунокомпетентных клеток (лимфоцитов, плазмоцитов, а также эозинофилов) по ходу базальной мембраны межальвеолярных перегородок. Количество клеток варьирует в зависимости от типа аллергической реакции. Процесс чаще имеет системный двусторонний характер. Патологическая анатомия. Морфологически картина Пневмосклероз определяется распространённостью патологический процесса, особенностями патогенеза и в меньшей степени этиологией, значение которой наиболее выражено при инфекционных формах Пневмосклероз Выделяют диффузные и локальные формы Пневмосклероз. Среди диффузных форм Пневмосклероз различают сетчатый лимфогенный (перибронхиальный, периваскулярный, перилобулярный), диффузный альвеолярный Пневмосклероз, или пневмофиброз, миофиброз гладких мышц бронхиол и мелких сосудов (артериокапиллярный Пневмосклероз). Указанные формы Пневмосклероз определяются вовлечением в патологический процесс фиброзной, ретикулярной и гладкомышечной стромы лёгкого. Сетчатый лимфогенный Пневмосклероз имеет крупноячеистый характер, развивается в пределах фиброзной стромы лёгкого, которая окутывает сосуды и бронхи первых порядков ветвления, иммобилизируя их при дыхательных экскурсиях лёгких. Она же разделяет анатомические сегменты лёгкого и сливается с висцеральной плеврой; в фиброзной строме проходят вена и лимфатических, сосуды, но нет капилляров. Сетчатый лимфогенный Пневмосклероз не имеет специфических морфологический признаков, встречается при всех этиологического формах Пневмосклероз, в том числе при гематогенно-диссеминированном туберкулёзе, кардиоваскулярной патологии. Ограниченный плеврогенный Пневмосклероз характеризуется обширными швартами и диффузным сетчатым, в основном периваскулярным, Пневмосклероз на фоне коллапса лёгочной ткани. В основе сетчатого лимфогенного Пневмосклероз лежат лимфогенные нарушения. Макро и микроскопически определяется крупнопетлистая сетка с чёткими контурами, располагающаяся вокруг сосудов и бронхов. В фиброзных прослойках микроскопически отмечается утолщение коллагеновых волокон, увеличенное количество лимфатических, фолликулов (рисунок 1), расширение лимфатических, сосудов, заполненных сгущённой лимфой. При обострении воспаления в фиброзных прослойках, прилегающих к пневмоническим очагам, коллагеновые волокна раздвигаются пикринофильной жидкостью. Впоследствии в этих участках развивается гиалиноз. Из-за того что сетчатый лимфогенный Пневмосклероз протекает без клеточной инфильтрации, его раньше ошибочно называли бесклеточным. На рентгенограммах сетчатый лимфогенный Пневмосклероз имеет вид усиленного лёгочного рисунка, что иногда ошибочно трактуется как интерстициальная пневмония, однако фиброз не выходит за пределы прослоек и не распространяется на альвеолы, что наблюдается при пневмонии. Диффузный альвеолярный Пневмосклероз, так называемый пневмофиброз, развивается в ретикулярной строме лёгкого, богатой капиллярами и входящей в состав межальвеолярных перегородок, стенок бронхиол и слизистой оболочки бронхов. Он чаще всего является исходом фиброзирующих альвеолитов различной этиологии. Кроме того, фиброз межальвеолярных перегородок на фоне их воспаления может быть обусловлен генетически (так называемый наследственный идиопатический фиброз лёгких), а также некоторыми экзогенными факторами, например, ионизирующим излучением (лучевой Пневмосклероз). При диффузном альвеолярном Пневмосклероз любого генеза лёгкие макроскопически имеют каучуковую консистенцию вместо свойственной им пористости. Процесс этот, как правило, двусторонний. Микроскопически наблюдается резкое утолщение и склероз межальвеолярных перегородок, сужение просветов альвеол, респираторных бронхиол (рисунок 2). При гибели альвеолярной выстилки просвет альвеол заполняется фибрином, отмечается карнификация, что особенно характерно для «острого фиброза лёгких» при синдроме Хаммена — Рича (смотри полный свод знаний: Хаммена — Рича синдром). Распространяющийся на стенки бронхиол склероз приводит к развитию «сотового лёгкого». Миофиброз гладких мышц бронхиол и сосудов, по данным И. К. Есиповой и Р. Такова, наблюдается при эмфиземе лёгких (смотри полный свод знаний). Он развивается без воспаления за счёт коллагено-образующей способности лейомиоцитов. Импульсом к выработке коллагена (смотри полный свод знаний) служит растяжение просвета бронхиол и сосудов, повышение тангенциального напряжения их стенок и гипертрофия мышечных клеток, сменяющаяся их атрофией вследствие сдавления избыточно развившимися коллагеновыми волокнами. Миофиброз стенок респираторных бронхиол приводит к изменению конфигурации ацинусов вследствие расширения устьев альвеол, что обусловлено расхождением склерозированных мышечных пучков бронхиол. В результате этого альвеолы натягиваются, базальная мембрана в условиях натяжения резко утолщается, развивается фиброз межальвеолярных перегородок. В просвете альвеол обнаруживают шпорообразные выступы, которые представляют собой дупликатуру утолщённой базальной мембраны, покрытой эпителием.
К локальным формам Пневмосклероз относятся воспалительные Пневмосклероз различной этиологии, фиброателектазы, очаги дисплазии, созревающие аллергические гранулемы (смотри полный свод знаний: Гранулема). Воспалительные очаги часто включают в себя фиброателектазы. Локальные формы Пневмосклероз определяются макроскопически, если захватывают сравнительно большие пространства, превышающие размеры долек. Они представляют собой участки мясистой консистенции, суховаты, в отличие от пневмонических фокусов не выбухают над поверхностью разреза, цвет их варьирует от серого до чёрного в фиброателектазах. Гистогенез очагового воспалительного Пневмосклероз складывается из карнификации, созревания грануляционной ткани, фиброза очагов перифокальной очаговой интерстициальной пневмонии. В пневмонических очагах при карнификации микроскопически можно выявить сохранившиеся эластические волокна; при нагноении эластические волокна выявляются в виде скрученных обрывков, а структуры респираторного отдела неразличимы. При очаговом воспалительном Пневмосклероз специфический характер процесса определяется по характеру инфильтрата, локализации процесса, наличию специфических гранулем. Так, при метатуберкулёзном очаговом Пневмосклероз о специфике процесса свидетельствуют очаги творожистого некроза, обызвествления, туберкулёзные бугорки, каверны, процесс захватывает преимущественно верхние доли, часто обезображивает верхушку лёгкого. Фиброателектазы представляют собой очаги аспидной индурации, образующиеся в результате высокого содержания угольного пигмента, скапливающегося при застое лимфы; они часто сочетаются с бронхоэктазами. По очертаниям очаги фиброателектаза соответствуют тем или иным структурным единицам лёгкого. Микроскопически отмечается сближение утолщённых фиброзных прослоек, усеянных большим количеством лимфатических, фолликулов. Альвеолярная паренхима лёгких богата скрученными эластическими волокнами — так называемый эластический цирроз (рисунок 3). В случае присоединения карнификации просветы альвеол неразличимы. Очаги диспластического Пневмосклероз обычно лишены угольного пигмента (за исключением редких форм), бедны эластическими волокнами, содержат кистовидные полости разных размеров. Клетки в таких очагах отличаются «монотонностью», напоминают лимфоциты (рисунок 4); в них, наряду с неправильно ветвящимися бронхами, встречаются очаги «мышечного цирроза» (рисунок 5). Избыточно выраженные мышечные пучки могут встречаться в очагах Пневмосклероз другого происхождения, развивающегося, например, при нарушении дренажной функции бронхов или затруднении лимфооттока, что является отражением компенсаторной перестройки мышечной ткани. Созревающие аллергические гранулемы представляют собой очаги различного размера, серо-розового или серовато-жёлтого цвета, локализующиеся иногда в обоих лёгких. Микроскопически на фоне соединительной ткани видны очаги ограниченного фиброзирующего альвеолита, в которых обнаруживают гистиоциты, эозинофилы, лимфоциты и плазмоциты, иногда многоядерные фагоциты, или так называемый гигантские клетки инородных тел. Эти очаги нередко сочетаются с васкулитами (смотри полный свод знаний: Васкулит), что усугубляет склероз. Клинические и дифференциально-диагностические признаки. Поскольку Пневмосклероз является компонентом или исходом ряда заболеваний, характерных клинических проявлений его не существует. Однако приведённые ниже некоторые клинические и дифференциально-диагностические признаки Пневмосклероз помогут врачу предположить у больного с патологией лёгких это грозное осложнение. Пневмосклероз определяется этиологией, распространённостью и топографией процесса, от которых зависят характер и степень нарушения бронхиального и лимфатического дренажа лёгкого, а главное— степень нарушения газообмена. При диффузном сетчатом бронхогенном воспалительном Пневмосклероз наиболее страдает вентиляция лёгких (смотри полный свод знаний: Лёгочная вентиляция), преимущественно по обструктивному типу, что часто сопровождается развитием эмфиземы (смотри полный свод знаний: Эмфизема лёгких), рецидивирующих пневмоний (смотри полный свод знаний: Пневмония) и рассеянных бронхоэктазов (смотри полный свод знаний). При диффузном альвеолярном Пневмосклероз (пневмофиброзе) нарушение функции газообмена протекает по рестриктивному типу: сильно возрастает ригидность лёгкого, нарушаются процессы диффузии газов, равномерность вентиляции и распределения кровотока в лёгких, что приводит к гипоксемии (смотри полный свод знаний: Гипоксия) и гиперкапнии (смотри полный свод знаний). Оба типа диффузного Пневмосклероз сопровождаются гипертензией малого круга кровообращения, но при диффузном алевеолярном Пневмосклероз она развивается быстрее. В развитии нарушений кровообращения и вентиляции лёгкого играет рольне только собственно Пневмосклероз, но и процессы, ему предшествующие (гиперсекреция, воспаление, спазм бронхов), которые вне зависимости от степени развития Пневмосклероз ведут к снижению парциального давления кислорода в альвеолах и, следовательно, к спазму артериол — гипертензии в малом круге кровообращения; они же обусловливают нарушение вентиляции. Отёк и воспалительная инфильтрация межальвеолярных перегородок вызывают повреждение аэрогемического барьера, нарушают диффузию газов, однако в отличие от фиброза они обратимы. В развитии Пневмосклероз бывают периоды, когда на первый план выступают клинические, проявления обострившихся процессов, вызвавших Пневмосклероз, и периоды ремиссии, когда на первом плане—клин, картина собственно Пневмосклероз При функциональном обследовании больного с диффузным сетчатым Пневмосклероз отмечается уменьшение жизненной ёмкости лёгких, небольшое увеличение объёма остаточного воздуха и их общего объёма, снижение максимального объёма вентиляции. Остальные показатели могут оставаться в пределах нормы. Специальные методы оценки бронхиальной проходимости — пневмотахография (смотри полный свод знаний), проба Тиффно (смотри полный свод знаний: Вотчала — Тиффно проба) — обнаруживают отчётливое повышение сопротивления, не снимающееся в достаточной мере бронхолитиками в отличие от спастических или гиперсекреторных форм нарушения бронхиальной проходимости. При диффузном альвеолярном Пневмосклероз, или пневмофиброзе, любой этиологии нарушение вентиляции протекает по рестриктивному типу. Жизненная ёмкость и общий объем лёгких уменьшаются без существенного увеличения остаточного объёма. Относительно рано выявляются снижение насыщения артериальной крови кислородом и гипертензия в малом круге кровообращения. В качестве осложнения возможно развитие спонтанного пневмоторакса (смотри полный свод знаний) из-за разрыва мелких кистозно-расширенных бронхов и бронхиол в стадии так называемый сотового лёгкого. При локальных Пневмосклероз нарушение функции газообмена (смотри полный свод знаний) может не определяться, а клинические, картина обусловливается обострением основного процесса, вызвавшего Пневмосклероз (обострение туберкулёза, нарушение белкового обмена, амилоидоз и другие).
При определении Пневмосклероз наиболее характерны рентгенологические изменения, по которым можно судить об этом симптоме. Рентгено л. картина Пневмосклероз полиморфна, поскольку может отражать многообразные проявления склероза и сопутствующих ему хронический бронхита, бронхиолита, бронхоэктазов, эмфиземы, нарушений бронхиальной проходимости, интерстициальной и альвеолярной инфильтрации и гемостаза. Изменения при Пневмосклероз, связанные с поражением крупных, средних и мелких бронхов, улавливаются и на обычных рентгенограммах высокого качества, но особенно хорошо на электро-рентгенограммах (смотри полный свод знаний: Электрорентгенография) и томограммах (смотри полный свод знаний: Томография). Они состоят в усилении и деформации линейных элементов лёгочного рисунка по ходу бронхиальных разветвлений за счёт уплотнения стенок бронхов, инфильтрации и склероза перибронхиальной ткани и клетчатки корня лёгкого (рис 6.). На периферии лёгкого хорошо выделяются многочисленные линейные тени с неровными очертаниями, идущие в необычном направлении, часто создающие характерные многоугольные фигуры. В средней зоне лёгочного поля дифференцируются укрупнённые полосковидные тени с неправильными контурами, обусловленные появлением перибронхиальных уплотнений («муфт») вокруг просветов бронхов (рисунок 7). Признаки эмфиземы являются почти обязательными «знаками» Пневмосклероз такого типа. Так, феномен «сотового лёгкого», возникающий вследствие склероза стенок и расширения бронхиол в зоне поражения, на рентгенограммах имеет вид более светлых участков в форме розеток, обрамлённых дугообразными линиями уплотнённых междольковых перегородок. Эти просветления отличаются множественностью, типичной формой, тонкостью и чёткостью стенок, изменчивостью на снимках в разных проекциях. При поражении более крупных бронхов могут наблюдаться вздутия субсегментов или даже целых сегментов. Рубцовые изменения в лёгочной ткани в зависимости от их происхождения дают неодинаковую рентгенологическое картину. Для поражений, обусловленных интерстициальным хронический воспалительным процессом при лимфангиитах, саркоидозе, пневмоконнозах, типичен сетчатый лимфогенный Пневмосклероз Отёк и последующий склероз перилобулярной лимфатических, сети на снимках проявляется сетчатым рисунком. Межрёберные промежутки густо заполнены пересекающими друг друга тенями, имеющими неровные контуры и неравномерную ширину. Обилие сосудов, идущих ортоградно, обусловливает мелкую пятнистость. Наряду с сетчатым лимфогенным Пневмосклероз, особенно в поздних стадиях болезни, развивается очаговый или ограниченный сегментарный склероз. Если пусковым механизмом поражения являлся хронический бронхит, то преобладают небольших размеров округлые или продолговатые очаги рубцовой ткани, образовавшиеся на почве дольковых и пластинчатых ателектазов, а также пневмонических фокусов. Если Пневмосклероз явился результатом не разрешившегося инфильтрата или нерасправившегося ателектаза в пределах субсегмента или сегмента, то на снимках определяются более крупные участки затемнения, соответствующие полям карнификации и фиброателектазам. На томограммах в зоне поражения, которая, как правило, уменьшена в объёме и пронизана грубыми тяжами, видны просветы деформированных бронхов с бронхоэктатическими расширениями в дистальных отделах. Плеврогенный склероз развивается, как правило, в кортикальных отделах лёгкого. Вариабельность формы и конфигурации патологический тени во многом зависит от степени развития соединительной ткани, выраженности плевральных сращений, компенсаторного вздутия соседних участков лёгкого. Обнаружение на обзорных рентгенограммах и томограммах описанных изменений служит основанием для выполнения бронхологического исследования. Бронхография (смотри полный свод знаний) позволяет обнаружить сближение, деформацию и неровность контуров бронхов, а также различного типа бронхоэктазы (рисунок 8). Нарушение сократительной способности бронхов (бронхоспазм, бронходилатация, дискинезия) сочетается с изменением скорости и равномерности заполнения их контрастным веществом; периферические бронхи при этом не контрастируются. На ангиопульмонограммах (смотри полный свод знаний: Ангиопульмонография) в поражённой части лёгкого обнаруживаются замедление кровообращения, деформация и обеднение сосудистой сети, а в отдельных случаях полное прекращение кровотока. При бронхиальной артериографии (смотри полный свод знаний) выявляются изменения архитектоники, формы и протяжённости сосудов, функционирующие бронхиально-лёгочные, артерио-артериальные и артериовенозные анастомозы. Рентгенологические изменения при локальных формах Пневмосклероз в первую очередь необходимо дифференцировать с рентгенологическое картиной при центральном раке лёгкого (смотри полный свод знаний: Лёгкие). В пользу Пневмосклероз свидетельствуют неравномерность и полиморфизм инфильтративных и фиброзных изменений, наличие деформированных, но проходимых крупных и средних бронхов, смещённых вследствие сморщивания поражённой части лёгкого. В трудных для диагностики случаях решающие сведения могут быть получены с помощью бронхоскопии и эндобронхиальной биопсии (смотри полный свод знаний: Бронхоскопия). При распространённом Пневмосклероз дифференциальную диагностику проводят главным образом с системными заболеваниями, для которых характерно преимущественное поражение сосудов (васкулиты), а также с раковым лимфангиитом. При наличии хронический васкулита и периваскулита склероз стенок кровеносных сосудов, организация множественных мелких лёгочных эмболов ведут к лёгочной гипертензии и лёгочному сердцу, для которых характерно сочетание усиления сосудистого рисунка, мелкой сетчатостью за счёт расширения мелких сосудов, увеличения правого желудочка и расширения лёгочного ствола. При ряде заболеваний — склеродермии (смотри полный свод знаний), бериллиозе (смотри полный свод знаний: Бериллий), саркоидозе (смотри полный свод знаний) и другие— Пневмосклероз развивается в результате поражения преимущественно межальвеолярных перегородок. Фиброзные структуры образуют беспорядочную мелкую сетчатость и множественные мелкие кистоподобные кольцевидные тени (при склеродермии). Деформация лёгочного рисунка в результате венозного застоя и гемосидероза лёгких происходит главным образом за счёт патологии междольковой и внутридольковой соединительной ткани (нежная мелкая сетчатость). При проведении дифференциальной диагностики наряду с анализом рентгенологическое картины необходимо учитывать данные анамнеза, клинические, картину и лабораторный данные. Так, например, периацинозный и более грубый фиброз застойного происхождения (кардиогенный Пневмосклероз) распознаются на основании наличия в анамнезе ревматизма, клинико-рентгенологическое картины порока сердца, застойных корней лёгких, признаков застойного полнокровия в малом круге кровообращения. Для диагностики пневмокониоза большое значение имеет длительный профессиональный контакт больного с пылью, а для распознавания саркоидоза, помимо данных о динамике процесса, сочетание интерстициального фиброза и гиперплазии бронхолёгочных (корневых) лимфатических, узлов. Экзогенный Пневмосклероз при фиброзирующих альвеолитах, так же, как и синдром Хаммена — Рича, характеризуется генерализованным сетчатым фиброзом с преобладанием поражений в нижних отделах лёгких при отсутствии выраженных изменений бронхов и перибронхиальной ткани. Наибольшее значение в диагностике могут иметь результаты гистологический и цитологический исследования материала, полученного при трансбронхиальной биопсии лёгкого (смотри полный свод знаний: Бронхоскопия, бронхофиброскопия) и трансторакальной пункции. Рентгенологические распознавание осложнений Пневмосклероз состоит главным образом в своевременном выявлении абсцедирования в зоне ограниченных рубцовых изменений, тонкостенных полостей на фоне грубой фиброзной сетки, в оценке характера нарушений топографических взаимоотношений органов в грудной полости (при цирротических процессах), распознавании признаков лёгочного сердца в случаях распространённого поражения. Диффузные формы Пневмосклероз, как правило, сопровождаются прекапиллярной гипертензией малого круга кровообращения (смотри полный свод знаний) и легочным сердцем (смотри полный свод знаний), которые в значительной степени обусловлены причинами, вызвавшими Пневмосклероз, поэтому прямой корреляции между степенью выраженности, распространённости Пневмосклероз и высотой давления в системе лёгочного ствола не наблюдается. Локальные цирротические формы Пневмосклероз могут вызвать резкую деформацию грудной клетки, частичную атрофию грудных мышц, сморщивание меж рёберных промежутков, смещение трахеи, крупных сосудов и сердца в сторону поражения. Цирротическая деформация корня лёгкого с компрессионным стенозом отдельных сосудов в области ворот лёгкого способствует развитию аневризм (смотри полный свод знаний: Аневризма) в ветвях как бронхиальных, так и лёгочных артерий, которые могут служить источником тяжёлых кровотечений. Пневмосклероз способствует развитию рака лёгкого, который, как показали статистические исследования В. И. Брауде (1971), чаще развивается при неспецифических формах Пневмосклероз Среди больных туберкулёзом рак чаще встречается на фоне затухшего рубцового процесса. Лица с Пневмосклероз различной локализации и распространённости обладают также высоким риском возникновения туберкулёза. По данным М. В. Шилова и Е. В. Полетило (1976), такие больные составляют 22,5% всех впервые взятых на учёт в противотуберкулёзных учреждениях. Имеются данные о возможной обратимости Пневмосклероз Впервые о декарнификации сообщил М. К. Даль (1956), наблюдавший лизис коллагеновых волокон макрофагами. А. Б. Шехтер (1978) описал ультраструктурные признаки лизиса коллагеновых фибрилл особыми клетками — фиброкластами. Реже обнаруживается фиброклазия в миофибробластах. Катаболизм коллагенообразования и рассасывания определяется рядом гуморальных факторов. Однако, возникнув, Пневмосклероз способствует прогрессированию воспалительных процессов, нарушению трофики и лимфообращения, поэтому профилактика его должна осуществляться в возможно ранние сроки. Профилактика заключается в предупреждении, а также в своевременном и рациональном лечении лёгочных инфекций, в борьбе с интоксикациями, прежде всего с загрязнением окружающей среды и курением, особенно в юношеском возрасте. Профилактика Пневмосклероз должна проводиться с детства, так как часто повторяющиеся катары верхних дыхательных путей, грипп, а также корь, коклюш могут привести к хронический бронхитам — основной причине Пневмосклероз. Особое внимание должно быть направлено на тщательное долечивание пневмоний, бронхитов, устранение аллергизирующих факторов, следует с осторожностью назначать лекарственные средства, учитывая их индивидуальную непереносимость, и своевременно их отменять в случае развития аллергии. Необходима санация очагов инфекции, в первую очередь в носоглотке, полости рта. При развитии хронический бронхита рекомендуется смена профессии, если она связана с вдыханием пыли. Развитие Пневмосклероз тормозят иммунодепрессанты, антигистаминные средства; резорбции коллагеновых волокон в рубцах способствуют препараты гиалуронидазы.
Вас категорически не устраивает перспектива безвозвратно исчезнуть из этого мира? Вы не желаете закончить свой жизненный путь в виде омерзительной гниющей органической массы пожираемой копошащимися в ней могильными червями? Вы желаете вернувшись в молодость прожить ещё одну жизнь? Начать всё заново? Исправить совершённые ошибки? Осуществить несбывшиеся мечты? Перейдите по ссылке: «главная страница».
|
||||||||||||||||||||||||||||||||||||||||||||||||||||||||||||