Ревматоидный артрит

Оглавление

  1. Дорога к бессмертию
  2. Бессмертие и религия
  3. Философия бессмертия
  4. Бессмертие и наука
  5. История анабиоза
  6. Смерть
  7. Кора головного мозга
  8. Бессмертие и анабиоз
  9. Анабиоз, медицина и биология
  10. Анабиоз и экономика
  11. Анабиоз и закон
  12. Анабиоз в Антарктиде
  13. Техническое обеспечение анабиоза
  14. Бессмертие и вера
  15. Библиотека Ordo Deus
  16. Контактная страница Ordo Deus

Ревматоидный артрит

Ревматоидный артрит (греческий rheuma, rheumatos, поток, струя + eidos вид; артрит[ы], синонимы: инфекционный неспецифический полиартрит, инфектартрит) — системное. воспалительное заболевание соединительной ткани с преимущественным поражением суставов по типу хронического прогрессирующего эрозивно-деструктивного полиартрита.

Ревматоидный артрит— наиболее частое заболевание среди хронических полиартритов (смотри полный свод знаний). Чаще (в 2—3 раза) болеют женщины, однако это различие не столь выражено в детском и пожилом возрасте.

Этиология не установлена. Общепризнанным является мнение о возможном участии в происхождении болезни трёх факторов: инфекции, нарушений со стороны иммунной системы и генетической предрасположенности.

Попытки найти инфекционный агент, являющийся возбудителем Ревматоидный артрит, остаются пока безуспешными. В разные периоды времени внимание привлекалось к стрептококку, дифтероидам, клостридиям, микоплазмам, различным вирусам. Однако прямых доказательств участия этих инфекционных агентов в развитии Ревматоидный артрит не получено. По-видимому, даже если такой возбудитель существует, механизм его действия не сводится к прямому повреждению тканей сустава и является значительно более сложным. Выдвигается предположение о том, что к этиологии Ревматоидный артрит могут иметь отношение различные микроорганизмы, обладающие неспецифическим адъювантным воздействием на иммунную систему, нарушения со стороны которой (при условии генетической предрасположенности) определяют дальнейшее течение болезни. Не исключается также возможность влияния вирусов на генетический аппарат клеток тканей сустава с последующим нарушением синтеза ряда белков, в частности поверхностных рецепторов, вследствие чего теряется иммунологический толерантность. В последнем случае обнаружить вирус общепринятыми методами не удаётся. Вариантом последней гипотезы является предположение о возможном первичном воздействии вирусной инфекции на иммунную систему, прежде всего на её регулирующие механизмы.

При Ревматоидный артрит обнаружены нарушения практически со стороны всех звеньев иммунной системы: гуморального (наличие аутоантител, прежде всего ревматоидных факторов (смотри полный свод знаний), а также иммунных комплексов), клеточного (нарушение соотношения Т- и В-лимфоцитов, пролиферативного ответа на митогены и другие), фагоцитирующих клеток (снижение хемотаксической и фагоцитарной функций). Существенным доказательством значения иммунной системы в развитии Ревматоидный артрит является выраженная эффективность удаления лимфоцитов при дренаже грудного лимфатических, протока. Тем не менее конкретное значение выявленных иммунологический нарушений в развитии Ревматоидный артрит остаётся неясным. Поскольку частота обнаружения их непостоянна, а выраженность зависит от активности болезни, больше данных за то, что они являются вторичными. Первичный дефект иммунитета при Ревматоидный артрит пока не обнаружен; есть основания предполагать связь его с регулирующими механизмами иммунной системы.

Открытие в 70-х годы регулирующих субпопуляций лимфоцитов (Т-лимфоцитов супрессоров и хелперов) привело к созданию гипотезы о возможном снижении при Ревматоидный артрит активности Т-лимфоцитов супрессоров, тормозящих в норме функции В-лимфоцитов. Снижение супрессорной функции Т-лимфоцитов у больных Ревматоидный артрит было подтверждено в ряде исследований. Диспропорция в числе регулирующих субпопуляций Т-лимфоцитов выявлена в синовиальной оболочке суставов у больных Ревматоидный артрит с помощью моноклональных антител. Ещё одним подтверждением этой гипотезы явилось успешное применение при Ревматоидный артрит лекарственных средств, способных усиливать функцию Т-лимфоцитов (левамизол, тимопоэтин).

Существование генетической предрасположенности при Ревматоидный артрит установлено довольно давно, на основании таких известных факторов, как повышенная частота заболевания среди родственников больных первой и второй степени родства, большая частота одновременного заболевания Ревматоидный артрит у монозиготных близнецов, чем у дизиготных. При Ревматоидный артрит найдены определённые особенности в распределении антигенов гистосовместимости.

Так, по данным Стастни (P. Stastny) и соавторами (1978, 1979), HLA Dw 4 обнаруживается у 52% больных Ревматоидный артрит и лишь в 13% в популяции; чаще, чем в популяции, по данным Батчелор, Моррис (J. R. Batchelor, P. J. Morris, 1978), встречаются также HLA DRw 4, а по данным Л. И. Беневоленской с соавторами (1981), В 18, Bw 35 и В 27, реже — HLA DRw 2 [Панаи (G. S. Panayi) с соавторами (1978).

Создание стройной теории этиологии Ревматоидный артрит, объединяющей в себе все три приведённых группы фактов, является задачей будущих исследований.

Патогенез. Наиболее изучены механизмы основного проявления Ревматоидный артрит — синовита (смотри полный свод знаний). Гипотетический этиологического фактор повреждает синовиальную оболочку (синовиальную мембрану, Т.), в результате чего развивается ответная иммунная реакция, сопровождающаяся образованием агрегированных иммуноглобулинов (смотри полный свод знаний). Изменённый IgG распознается иммунной системой как чужеродный антиген, и плазматические клетки синовиальной оболочки, лимфатических, узлов, селезёнки начинают вырабатывать к нему аутоантитела (ревматоидные факторы). Взаимодействие агрегированного IgG с ревматоидными факторами и комплементом (смотри полный свод знаний) приводит к образованию иммунных комплексов, что, в свою очередь, способствует агрегации тромбоцитов (формированию микротромбов, выделению вазоактивных аминов), стимулирует выделение цитотоксических факторов из лимфоцитов (смотри полный свод знаний: Медиаторы клеточного иммунитета), активирует систему комплемента, отдельные компоненты которой обладают анафилактогенными, цитотоксическими и хемотаксическими свойствами. Последнее способствует притоку большого числа нейтрофильных лейкоцитов в суставную полость. Фагоцитоз иммунных комплексов нейтрофильными лейкоцитами приводит к их разрушению и выделению лизосомальных ферментов — гидролаз (смотри полный свод знаний), способных активировать ряд медиаторов воспаления (гистамин, серотонин, кинины, простагландины, факторы комплемента и другие), играющих важную роль в развитии воспалительных, а затем деструктивных и пролиферативных изменений синовиальной оболочки. Повреждение тканей сустава и накопление агрегированного IgG стимулирует иммунный ответ, расширяется и углубляется инфильтрация этих тканей плазматическими клетками и сенсибилизированными лимфоцитами, которые оказывают непосредственное повреждающее действие на ткани суставов, а также выделяют медиаторы, способствующие активации нейтрофильных лейкоцитов. Создаётся ряд так. называемый порочных кругов (смотри полный свод знаний: Circulus vitiosus), в результате чего патологический процесс становится хроническим.

Патогенез большинства внесуставных (системных) проявлений Ревматоидный артрит связан с развитием васкулита (смотри полный свод знаний), а также, возможно, с непосредственным повреждением тканей сенсибилизированными лимфоцитами или аутоантителами.

Экспериментальные данные. Экспериментальной или природной модели, адекватно имитирующей Ревматоидный артрит, пока не найдено, что, безусловно, затрудняет изучение его этиологии и патогенеза. Тем не менее в эксперименте удаётся получить подострое или хронический воспаление суставов, напоминающее в определённой степени изменения, наблюдающиеся при Ревматоидный артрит

Наибольшее распространение, главным образом с целью экспериментального изучения противоревматических средств, получил так называемый адъювантный артрит, вызываемый у крыс при внутрикожном введении полного адъюванта Фрейнда. Примерно через 2 недель после этого развивается полиартрит с периартритом, который продолжается в течение нескольких недель и затем самостоятельно стихает. Характерной особенностью является развитие кальцификации околосуставных тканей, что приводит к анкилозам суставов. Установлено, что «артритогенными» свойствами обладают пептидогликаны, состоящие из цепи чередующихся молекул N-ацетилмурамовой кислоты, с которой соединён тетрапептид определённого состава. Пептидогликаны указанного состава являются структурными компонентами внутренних мембран бактерий самых различных типов.

Существует также модель хронический артрита, разработанная Кроматри (W. Y. Cromatrie) с соавторами При внутрибрюшинном введении крысам стерильной водной суспензии фрагментов клеточной стенки различных бактерий (обычно стрептококков) развивается хронический полиартрит, характеризующийся эрозивным процессом. Предполагается, что в данном случае, как и при адъювантном артрите, основное патогенетическое значение имеют пептидогликаны клеточной стенки.

Природной моделью Ревматоидный артрит в определённой мере можно считать эризипелоид — инфекционные заболевание свиней, вызываемое Erysipelothrix rhusiopathiae и характеризующееся острым или хронический артритом. При этом отмечается утолщение синовиальной оболочки, развитие в ней ворсин и значительной лимфоидной инфильтрации, то есть изменений, напоминающих ревматоидный синовит.



Информация об Ordo Deus Перейти в оглавление сайта

Рис. 1.
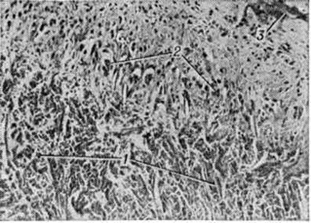
Электронограмма синовиальной оболочки сустава при ревматоидном артрите, полученная с помощью сканирующего микроскопа: видны ворсинчатые разрастания; ×35 000.





Информация об Ordo Deus Перейти в оглавление сайта

Рис. 2.
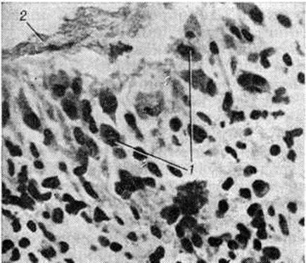
Микропрепарат синовиальной оболочки сустава при ревматоидном артрите: пролиферация синовиоцитов (1) с палисадообразным их расположением по отношению к фибриноподобным наложениям (2) на поверхности синовиальной оболочки; окраска гематоксилин-эозином; ×400.





Информация об Ordo Deus Перейти в оглавление сайта

Рис. 3.
Электронограмма синовиоцитов типа А синовиальной оболочки сустава при ревматоидном артрите: гиперплазия лизосом (1), митохондрий (2), зернистой эндоплазматической сети (3) и филоподий (4); ×600.



Патологическая анатомия. Для Ревматоидный артрит характерно вовлечение в патологический процесс многих органов и систем, но преимущественно поражаются суставы.

В основе тканевых повреждений при этом заболевании лежит иммунное воспаление, выражающееся в форме гиперчувствительности немедленного и замедленного типа. Включение факторов гуморальной аллергии (смотри полный свод знаний) подтверждается признаками резкого усиления сосудистой проницаемости, присутствием в участках поражения иммуноглобулинов и комплемента, полиморфно-ядерных лейкоцитов, плазмобластов, пролиферативно-деструктивным характером васкулита. Морфологически выражением клеточной гиперчувствительности является наличие большого числа бластных форм Т-лимфоцитов (смотри полный свод знаний: И мму некомпетентные клетки) и макрофагов (смотри полный свод знаний) с признаками интенсивно протекающего фагоцитоза (смотри полный свод знаний) в поражённых тканях. В развитии тканевых и органных повреждений при Ревматоидный артрит ведущую роль играют микроциркуляторные нарушения и лизосомные ферменты.

В суставах при развёрнутой клинические, картине заболевания обнаруживается ворсинчатое разрастание синовиальной оболочки (рисунок 1), в части случаев наползающей в виде паннуса на поверхность суставного хряща. При этом в суставном хряще определяются эрозии, трещины, щели; его остатки сухие и зернистые на вид. В суставных полостях обнаруживается увеличенное количество вязкой мутной синовиальной жидкости, постоянно отмечается утолщение и склероз суставной капсулы, имеются фиброзные спайки. Полная облитерация суставной полости спайками ведёт к развитию фиброзного анкилоза (смотри полный свод знаний). Пролиферация остеоидной ткани сопровождается развитием остеофитов (смотри полный свод знаний) и костных анкилозов.

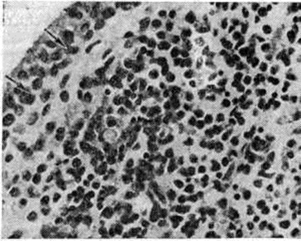
В гистологический картине синовита выделяют следующие изменения: 1) поражение сосудов микроциркуляторного русла; 2) гиперплазию и гипертрофию синовиальных клеток; 3) воспалительную клеточную инфильтрацию; 4) разрастание грануляционной ткани, склероз, липоматоз синовиальной собственной пластинки. Повышается проницаемость стенок сосудов микроциркуляторного русла, сопровождающаяся выходом фибринозного экссудата и образованием очагов фибриноида в синовиальной собственной пластинке и фибриноподобных наложений на поверхности синовиальной оболочки. Иммуноморфологически в очагах фибриноида и в фибриноподобных наложениях выявляются фибрин, иммуноглобулины (G, А, М) и С3-фракция комплемента. При обострении воспаления постоянно отмечается продуктивный или продуктивно-деструктивный васкулит с фиксацией в сосудистой стенке иммуноглобулинов и комплемента. В глубоких слоях синовиальной оболочки (смотри полный свод знаний) изредка определяются ревматоидные узелки — небольшие участки фибриноидного некроза, окружённые макрофагами и лимфоцитами. В 80% случаев встречается гиперплазия и гипертрофия синовиоцитов с характерным палисадообразным их расположением (рисунок 2). С помощью электронно-микроскопического исследования обнаружено, что гипертрофия синовиоцитов происходит за счёт гиперплазии их органелл, особенно зернистой эндоплазматической сети, полисом, аппарата Гольджи и лизосом (рисунок 3). В гиперплазии ворсинчатого слоя синовиальной оболочки участвуют синовиоциты всех трёх типов (А, В и С). На ранних стадиях обострения воспаления клеточная инфильтрация в синовиальной оболочке скудная, представлена лимфоцитами, макрофагами и полиморфно-ядерными лейкоцитами. В дальнейшем отмечается лимфоидно-плазмоцитарная инфильтрация (рисунок 4), иногда с формированием лимфоидных фолликулов. Параллельно при иммунофлюоресцентном изучении Т и В-лимфоцитов синовиальной оболочки при Ревматоидный артрит Банкхерст (A. D. Bankhurst) с соавторами (1976) выявил преобладание Т-лимфоцитов. В синовиальной оболочке отмечается значительная пролиферация фибробластов. В синовиальной собственной пластинке и фиброзном слое наблюдается разрастание грануляционной ткани с исходом в склероз (смотри полный свод знаний) и липоматоз (смотри полный свод знаний).

Разрушение суставного хряща происходит главным образом за счёт паннуса. Хрящ под паннусом истончён, имеет глубокие трещины, отмечаются эозинофилия основного вещества и уменьшение количества хондроцитов с нарушением зональности их расположения. При отсутствии паннуса изменения в суставном хряще захватывают обычно поверхностную зону, в которой выявляются небольшие узуры, фибриллярность матрикса, дистрофические изменения хондроцитов, а также резкое уменьшение содержания гликозаминогликанов. В суставном хряще при этом обнаруживаются иммунные комплексы. В деструкции суставного хряща значительную роль играют также нарушение обмена синовиальной жидкости и костномозговой паннус.

В патологический процесс при Ревматоидный артрит могут вовлекаться практически все внутренние органы. Наиболее часто поражаются почки, в которых выявляется амилоидоз (смотри полный свод знаний), реже гломерулонефрит (смотри полный свод знаний) и пиелонефрит (смотри полный свод знаний). Иногда наблюдается амилоидоз печени, желудочно-кишечные тракта, сердца, селезёнки. Поражение сердца и лёгких наиболее часто связано с полисерозитом (смотри полный свод знаний) или его последствиями в виде фиброзных спаек в полостях. В некоторых случаях обнаруживается клапанный эндокардит (смотри полный свод знаний) с формированием порока сердца, миокардит (смотри полный свод знаний) и кардиосклероз (смотри полный свод знаний), коронарит (смотри полный свод знаний) и коронаросклероз, хроническая пневмония (смотри полный свод знаний) и пневмосклероз (смотри полный свод знаний), обусловленные основным патологический процессом. В сердце и лёгких могут встречаться ревматоидные узелки. Изменения в центральная нервная система, как и в других органах, связаны с васкулитом, сопровождающимся гибелью нервных клеток, демиелинизацией и глыбчатым распадом осевых цилиндров аксонов. В скелетных мышцах при высокой общей активности заболевания отмечается картина локального миозита (смотри полный свод знаний). В единичных случаях в подкожной клетчатке выявляются ревматоидные узлы, которые на разрезе имеют вид крошащихся серо-жёлтых масс, окружённых фиброзной капсулой. При микроскопическом исследовании в них определяются бесструктурные некротические массы, к которым примыкает вал из палисадообразно расположенных гистиоцитов (рисунок 5).



Информация об Ordo Deus Перейти в оглавление сайта

Рис. 4.
Микропрепарат синовиальной оболочки сустава при ревматоидном артрите: диффузная лимфоидно-плазмоцитарная инфильтрация и пролиферация синовиоцитов (указаны стрелками); окраска гематоксилин-эозином; ×200.





Информация об Ordo Deus Перейти в оглавление сайта

Рис. 5.
Микропрепарат ревматоидного узла при ревматоидном артрите: некротические массы (1) окружены валом из палисадообразно расположенных гистиоцитов (2), к которым примыкает грануляционная и фиброзная ткань (3); окраска гематоксилин-эозином; ×200.



Клиническая картина. В соответствии с принятой в СССР рабочей классификацией выделяют Ревматоидный артрит, проявляющийся моно-, олиго или полиартритом, Ревматоидный артрит с системными (внесуставными) проявлениями. К особым формам Ревматоидный артрит относят синдром Фелти (смотри полный свод знаний: Фелти синдром), синдром Каплана (смотри полный свод знаний: Каплана синдром), синдром Шегрена (смотри полный свод знаний: Шегрена синдром). Различают также серопозитивный Ревматоидный артрит (при наличии ревматоидных факторов в сыворотке крови) и серонегативный Ревматоидный артрит (при их отсутствии). Наличие ревматоидных факторов (смотри полный свод знаний: Ревматоидный фактор), особенно в высоком титре, имеет диагностическое и прогностическое значение, что и послужило основанием для внесения этой иммунологический характеристики в классификацию.

Так, при обнаружении стойко высоких титров ревматоидных факторов Ревматоидный артрит характеризуется упорным течением, быстрым нарастанием эрозивно-деструктивного процесса в суставах и развитием различных проявлений ревматоидного васкулита. Серонегативный Ревматоидный артрит, напротив, протекает более доброкачественно и характеризуется поражением меньшего числа суставов; внесуставные признаки, как правило, не обнаруживаются. Кроме того, отсутствие ревматоидных факторов требует исключения других вариантов хронический артритов (смотри полный свод знаний: Артриты). В классификации также выделяются три степени активности в зависимости от выраженности артрита, числа поражённых суставов, внес уставных проявлений и изменений показателей активности воспаления, а также варианта течения — быстро прогрессирующее и медленно прогрессирующее. В классификации также отражены рентгенологическое стадии процесса по схеме Стайнброккера (смотри полный свод знаний: ниже) и три степени функциональной недостаточности суставов.

Начало болезни может быть острым и подострым, но наиболее типично постепенное медленное развитие, при котором как бы исподволь появляются стойкие боли, ощущение скованности и припухлость суставов. В ряде случаев больные отмечают связь этих явлений с различными (в основном острыми респираторными) инфекциями, травмами, нервным перенапряжением, беременностью и родами. Обычно сначала поражается небольшое число суставов, чаще проксимальные межфаланговые, пястно-фаланговые и плюснефаланговые суставы, а также лучезапястные, межзапястные и коленные. Характерно симметричное поражение суставов. При поражении проксимальных межфаланговых суставов пальцы руки приобретают веретенообразную форму (цветной рисунок 1). Примерно в 10% случаев заболевание начинается и длительно протекает в виде моно или олигоартрита крупных суставов. Боли обычно умеренные и возникают лишь при движениях. Характерное ощущение скованности в суставах более выражено по утрам.

У взрослых редко встречается вариант Ревматоидный артрит, характеризующийся острым началом, высокой температурой, а также наличием различных внесуставных проявлений, что более типично для ювенильного Ревматоидный артрит Высокая температурная реакция с ознобами — первый и наиболее выраженный симптом этого варианта болезни. На первое место в клинические, картине выступают также симптомы интоксикации (смотри полный свод знаний), признаки системности процесса (серозиты, кардит, увеличение лимфатических, узлов, печени, селезёнки), лейкоцитоз, ускорение РОЭ. Явления артрита вначале могут вообще отсутствовать (отмечаются только полиартралгии) либо быть умеренно выраженными. Лишь спустя несколько недель или даже месяцев проявляется стойкий суставной синдром. В дальнейшем нередко сохраняется тенденция к агрессивному течению болезни с сохранением в периоды обострений лихорадки.

Редко начальные проявления Ревматоидный артрит носят характер рецидивирующего артрита, в ряде случаев неотличимого от палиндромного ревматизма (смотри полный свод знаний). Артрит одного или нескольких суставов развивается остро или подостро и без лечения бесследно проходит через небольшой промежуток времени. Повторяющиеся атаки артрита могут в течение ряда лет предшествовать развитию типичного стойкого полиартрита (смотри полный свод знаний).

В типичных случаях при осмотре отмечаются припухлость поражённых суставов, их болезненность при пальпации и сжатии (симптом сжатия кистей, стоп и другие), гипертермия кожи в области суставов, цвет которой, как правило, не изменён. Уже в самом начале болезни отмечается один из наиболее характерных признаков заболевания — симметричность поражения суставов.

Нередко развивается воспаление влагалищ сухожилий и самих сухожилий. Типично поражение влагалища сухожилий разгибателей пальцев, расположенного в области лучезапястного и межзапястного суставов, которое может привести к сдавлению срединного нерва, что сопровождается парестезиями в III—IV пальцах и атрофией мышц возвышения большого пальца (синдром запястного канала). Вследствие поражения сухожилий мышц, прикрепляющихся к плечевой кости, может наблюдаться плечелопаточный периартрит (смотри полный свод знаний). Выраженное воспаление сумки полуперепончатой мышцы, скопление в ней экссудата сопровождается её растяжением и может привести к появлению в подколенной ямке пальпируемого образования — так называемый кисты Бейкера, или кисты полуперепончатой синовиальной сумки (смотри полный свод знаний: Подколенная ямка).

В большинстве случаев отмечается медленное, неуклонное прогрессирование заболевания. Выраженность клинические, проявлений обычно возрастает после различных инфекционные болезней, травм, повышенной инсоляции, переохлаждения, родов, а нередко без видимых причин. На ранних этапах заболевания могут отмечаться спонтанные ремиссии, чаще непродолжительные. Постепенно в процесс вовлекаются другие суставы, развивается деструкция хряща и субхондральной костной пластинки, нарушается функция суставов. При Ревматоидный артрит могут поражаться любые суставы, включая височно-нижнечелюстные, грудино-ключичные, акромиально-ключичные, суставы слуховых косточек, хрящей гортани, а также позвоночные суставы шейного отдела позвоночника. Однако артрит дистальных межфаланговых суставов, суставов грудного и поясничного отделов позвоночника и пояснично-крестцовых сочленений для ревматоидного артрита не характерен.

Стойкий синовит (смотри полный свод знаний), а также воспаление суставной капсулы, сухожилий и их влагалищ и сумок, сообщающихся с суставами, приводят со временем к развитию деформаций суставов, контрактур, подвывихов, анкилозов. Некоторые виды деформаций суставов типичны почти исключительно для Ревматоидный артрит К ним относятся деформация пальцев кисти в виде «шеи лебедя» (цветной рисунок 2) — сгибательная контрактура пястно-фаланговых суставов с переразгибанием в проксимальных и сгибанием в дистальных межфаланговых суставах, деформация пальца в виде «пуговичной петли» — сгибательная контрактура проксимального и переразгибание дистального межфалангового суставов (положение пальца при застёгивании пуговицы), подвывих пястно-фаланговых суставов с отклонением пальцев в локтевую сторону (кисть в виде плавника моржа). Эти три типа деформаций составляют понятие так называемый ревматоидной кисти.



Информация об Ordo Deus Перейти в оглавление сайта

Рис. 1. Кисть больной ревматоидным артритом: пальцы имеют веретенообразную форму, обусловленную артритом проксимальных межфаланговых суставов.
Рис. 2. Кисть больной ревматоидным артритом: деформация пальцев по типу «шеи лебедя».
Рис. 3. Предплечье и дистальная часть плеча больной ревматоидным артритом: стрелками указаны подкожные ревматоидные узлы.
Рис. 4. Кисть больного ревматоидным артритом при дигитальном артериите: стрелками указаны точечные некрозы кожи пальцев.
Рис. 5. Обширная язва наружной поверхности нижней трети голени больного ревматоидным артритом с васкулитом.
Рис. 6. Больной ювенильным ревматоидным артритом: ревматоидная сыпь на передней поверхности грудной клетки и живота (особенно выражена в области рёберных дуг) на фоне гиперемии кожи.



Молоточковидная деформация пальцев стопы, подвывихи плюснефаланговых суставов с развитием плоскостопия (смотри полный свод знаний), hallux valgus (смотри полный свод знаний), а при поражении голеностопного сустава также и вальгусного отклонения стопы, носят название ревматоидной стопы. Типично также развитие сгибательных контрактур локтевых и коленных суставов.

Характер поражения разных суставов у одного больного может быть различным: в одних суставах преобладают воспалительные изменения, гипертермия, боль, в других — утолщение периартикулярных тканей, сгибательные контрактуры. Но чаще эти изменения сочетаются в одном суставе. Стойкое поражение суставов сопровождается уменьшением массы прилежащих мышц. Мышечная атрофия раньше развивается и наиболее выражена на тыле кисти при артрите мелких суставов (смотри полный свод знаний: Атрофия мышечная).

Внесуставные проявления Ревматоидный артрит и поражения внутренних органов редко выступают на первый план. Их частота увеличивается по мере прогрессирования заболевания, особенно при полиартикулярных и серопозитивных формах. Чаще других встречаются подкожные ревматоидные узелки, полиневропатия и ревматоидный васкулит.

Подкожные ревматоидные узелки (обычно безболезненные, умеренно плотные, небольших размеров) чаще располагаются в области локтевого отростка и проксимальной части локтевой кости (цветной рисунок 3), а также в области суставов пальцев кистей, больших вертелов, на апоневрозе сухожильного шлема черепа и другие

Полиневропатия — проявление васкулита сосудов, питающих периферические нервы (vasa nervorum). Характерно поражение дистальных отделов нервных стволов, чаще всего общего малоберцового нерва, с развитием нарушений чувствительности. Больных беспокоят онемение, жжение, зябкость в дистальных отделах конечностей. При пальпации отмечается болезненность не только поражённых суставов, но и окружающих тканей. Значительно реже возникают двигательные расстройства. Как правило, полиневропатия отмечается у больных с серопозитивной формой Ревматоидный артрит одновременно с наличием подкожных узелков.

Ревматоидный васкулит (поражаются главным образом сосуды мелкого и среднего калибра) лежит в основе ряда других, реже встречающихся внесуставных проявлений: точечных участков некроза, расположенных чаще всего в области ложа ногтя,— так называемый дигитальный артериит (цветной рисунок 4), безболезненных язв, располагающихся обычно на нижней трети голени (цветной рисунок 5), эписклерита, микроинфарктов или кровоизлияний в бассейне лёгочных, мозговых, коронарных или брыжеечных сосудов.

Клинические, признаки поражения внутренних органов отмечаются относительно редко. Помимо перикардита, могут наблюдаться изменения, обусловленные миокардитом (преимущественно очаговым) и эндокардитом. Известны случаи формирования пороков сердца, почти исключительно в виде изолированной недостаточности митрального (левого предсердно-желудочкового) клапана или клапанов аорты; выраженность пороков сердца обычно небольшая, нарушения гемодинамики возникают редко. Поражение лёгких при Ревматоидный артрит включает диффузный фиброзирующий альвеолит, узелковое поражение лёгочной ткани (рисунок 6), васкулит. В ряде случаев отмечается полисерозит (смотри полный свод знаний), который чаще проявляется плевритом (смотри полный свод знаний), перикардитом (смотри полный свод знаний).

Поражение почек (гломерулонефрит) встречается намного реже, чем амилоидоз и лекарственные нефропатии, и характеризуется умеренной протеинурией и микрогематурией.

Диагноз. Ни один отдельно взятый симптом не является специфичным для Ревматоидный артрит Лишь сочетание таких клинические, признаков, как поражение преимущественно мелких суставов кистей и стоп, симметричность, эрозивный характер и стойкость артрита, своеобразие внесуставных проявлений (подкожные узелки, полиневропатия), а также средние и высокие титры ревматоидных факторов в сыворотке крови позволяют с большой достоверностью диагностировать Ревматоидный артрит Для диагностики Ревматоидный артрит на ранних стадиях болезни можно пользоваться диагностическими критериями, предложенными Американской ревматологической ассоциацией. К ним относятся 11 следующих симптомов и признаков: 1) утренняя скованность; 2) боль при движениях или болезненность хотя бы одного сустава; 3) припухлость сустава; 4) припухлость по крайней мере ещё одного сустава, обнаруженная с интервалом не более 3 месяцев; 5) симметричность припухания суставов; 6) подкожные узелки; 7) типичные рентгенологическое изменения суставов, включая околосуставной остеопороз; 8) обнаружение ревматоидных факторов в сыворотке крови; 9) присущие Ревматоидный артрит изменения синовиальной жидкости; 10) характерные изменения синовиальной оболочки суставной капсулы; 11) наличие ревматоидных узелков характерного гистологический строения (симптомы, обозначенные цифрами 1—5, должны наблюдаться в течение не менее 6 недель).

При наличии семи симптомов устанавливают диагноз классического ревматоидного артрита, пяти — определённого ревматоидного артрита, трёх — вероятного Ревматоидный артрит Для постановки диагноза Ревматоидный артрит в соответствии с указанными критериями необходимо также предварительно исключить целый ряд болезней суставов и других заболеваний, для которых характерно поражение суставов (смотри полный свод знаний: Суставы).

Для Ревматоидный артрит характерен ряд нарушений лабораторный показателей. У преобладающего большинства больных отмечается повышение неспецифических показателей воспаления: ускорение РОЭ, повышение содержания фибриногена, серомукоида, α2-глобулинов сыворотки крови п другие, а также появление С-реактивного белка (смотри полный свод знаний). Эти изменения выявляются, как правило, уже в начале заболевания, и выраженность их обычно зависит от активности процесса. Во многих случаях наблюдается нормоцитарная гипохромная анемия (смотри полный свод знаний: Железодефицитная анемия), степень которой обычно также соответствует активности заболевания.

Для Ревматоидный артрит типичен ряд иммунологический нарушений, в первую очередь наличие в 70—80% случаев ревматоидных факторов в сыворотке крови и синовиальной жидкости. Частота обнаружения ревматоидных факторов возрастает по мере прогрессирования заболевания. В клинические, практике ревматоидные факторы определяют с помощью реакции Волера — Роуза (к сыворотке крови больного добавляют эритроциты барана, нагруженные нативным γ-глобулином кролика), латекс-теста (использование частиц латекса с адсорбированным на них γ-глобулином человека), и, реже, пробы с дерматолом, которую проводят как латекс-тест, но вместо латекса используют частицы дерматола. У ряда больных Ревматоидный артрит, главным образом при наличии высокой активности и генерализованного васкулита, выявляются антинуклеарные реакции, единичные LE-клетки, антинуклеарные факторы и антитела к нативной ДНК (обычно — непостоянно, а при наличии— невысокие титры).

Синовиальная жидкость (смотри полный свод знаний) при Ревматоидный артрит характеризуется низкой вязкостью, наличием в ней главным образом нейтрофилов (до 50% от общего числа лейкоцитов, составляющих обычно не более 10 000 в 1 микролитров), некоторые из них — так называемый рагоциты — содержат включения в виде гроздьев винограда, представляющих собой фагоцитированные иммунные комплексы. Определяются также ревматоидные факторы, которые иногда выявляются в синовиальной жидкости раньше, чем в сыворотке крови, а также снижение уровня комплемента, содержания глюкозы и повышение некоторых лизосомальных ферментов.

Помощь в диагностике Ревматоидный артрит оказывает морфологический исследование кусочков синовиальной оболочки суставов, полученной при пункционной биопсии (смотри полный свод знаний) или синовэктомии (смотри полный свод знаний). К характерным гистологический признакам ревматоидного синовита относятся: ревматоидные узелки, выраженная пролиферация синовиоцитов с палисадообразным расположением клеток, диффузная инфильтрация лимфоцитами, макрофагами, плазматическими клетками, лимфоидные фолликулы, ангиоматоз, большое количество фибробластов в синовиальной собственной пластинке.

Рентгенодиагностика. В задачи рентгенодиагностики входит, помимо распознавания болезни, также оценка характера, тяжести и распространённости изменений костно-суставного аппарата, определение стадии, а при повторных исследованиях оценка эволюции заболевания. Наиболее распространённой методикой рентгенологическое исследования является стандартная рентгенография суставов. Более детальное изображение структуры кости можно получить, используя безэкранную рентгенографию. Томография (смотри полный свод знаний) при Ревматоидный артрит применяется крайне редко и имеет лишь вспомогательное значение. Поскольку наиболее характерные для Ревматоидный артрит рентгенологическое изменения обнаруживаются у взрослых в кистях и дистальных отделах стоп, а у детей, кроме того, и в шейном отделе позвоночника, эти области исследуют в первую очередь. Динамика рентгенологическое изменений при Ревматоидный артрит отличается медленным темпом, что делает излишним частое повторение исследования.

Продолжительность рентгенонегативного периода при Ревматоидный артрит значительно варьирует и чаще всего составляет от нескольких недель до 1—2 месяцев Ревматоидному артриту свойственны симметричность изменений суставов и склонность этих изменений к прогрессированию. Прогрессируют выявляемые рентгенологические изменения неравномерно, ускоряясь при обострениях болезни и замедляясь, вплоть до полной стабилизации, в периоды ремиссий. У ряда пациентов не отмечается корреляции между клинические, течением болезни и прогрессированием рентгенологическое изменений, в частности рентгенологическое картина может ухудшаться при отсутствии клинические, признаков активности ревматоидного артрита.

При Ревматоидный артрит обнаруживаются разнообразные рентгенологическое симптомы, ни один из которых нельзя считать патогномоничным. Ранние рентгенологическое изменения при Ревматоидный артрит являются неспецифичными, так как свойственны всем артритам (смотри полный свод знаний), и характеризуются утолщением мягких тканей в области поражённых суставов и околосуставным остеопорозом (смотри полный свод знаний). На ранней стадии более чем у половины больных Ревматоидный артрит отмечаются также кистовидные просветления в ближайших к суставам участках костей.



Информация об Ordo Deus Перейти в оглавление сайта

Рис. 6.
Рентгенограмма грудной клетки при ревматоидном артрите (прямая проекция): стрелками указаны ревматоидные узлы в лёгких.



В дальнейшем присоединяется сужение суставных щелей, эрозии костей, подвывихи и вывихи (рисунок 7, 8). Часто на фоне описанных изменений на краях суставных поверхностей формируются остеофиты — проявление вторичного артроза. Тяжёлое ревматоидное поражение суставов может приводить к их анкилозированию; в случаях особо неблагоприятного течения возможен остеолиз ближайших к суставам отделов костей (рисунок 9). Как редкие рентгенологическое симптомы встречаются периоститы (смотри полный свод знаний), асептические остеонекрозы (смотри полный свод знаний: Остеохондропатия).

На основании рентгенологическое изменений суставов выделяют стадии Ревматоидный артрит Из многочисленных схем наиболее известна схема Стайнброккера, согласно которой выделяют 4 стадии ревматоидного артрита. К 1-й стадии относят случаи с околосуставным остеопорозом (смотри полный свод знаний), но без сужения суставных щелей и эрозии костей. Если к остеопорозу присоединяется сужение суставных щелей, то это соответствует 2-й стадии. Наличие эрозий костей указывает на 3-ю стадию, а костного анкилоза — на 4-ю стадию. Ларсен (A. Larsen, 1974) предложил более детализированную оценку, выделив 6 стадий, и дал для каждого сустава отдельную схему, отражающую местные особенности проявлений Ревматоидный артрит

Дифференциальная диагностика представляет трудности обычно лишь на ранних стадиях ; Ревматоидный артрит при отсутствии рентгенологическое признаков эрозивного артрита и ревматоидных факторов в сыворотке крови. Чаще всего дифференциальный диагноз проводят с некоторыми вариантами таких заболеваний, как болезнь Бехтерева, болезнь Рейтера, псориатический артрит, остеоартроз, подагра (смотри полный свод знаний).

Поражение периферических суставов при болезни Бехтерева (смотри полный свод знаний: Бехтерева болезнь) в ряде случаев, однако, слабовыраженные (требующие целенаправленного поиска) или кратковременные.

Поражение суставов при псориатическом артрите (смотри полный свод знаний: Артриты), как правило, отличается от Ревматоидный артрит несимметричностью, наличием периартикулярного отёка, вовлечением в процесс дистальных межфаланговых суставов кистей. Важное значение имеет обнаружение типичных изменении кожи. Однако они могут быть непостоянными, небольшими по размерам и локализоваться, например, только на волосистой части головы или ногтях, что при недостаточно внимательном осмотре может привести к диагностической ошибке.

Вторичный синовит при деформирующем остеоартрозе (смотри полный свод знаний: Артрозы) с преимущественным поражением суставов кистей отличается от Ревматоидный артрит тем, что возникает только в тех суставах, которые наиболее часто вовлекаются в процесс именно при остеоартрозе (дистальных, реже проксимальных межфаланговых), и практически не встречается в пястно-фаланговых суставах, как правило страдающих Ревматоидный артрит, а также отсутствием ревматоидных факторов.

Лечение. Существует большое количество различных методов лечения Ревматоидный артрит, выбор которых зависит от формы болезни, степени её активности, течения, характера изменений суставов, внесуставных проявлений и других факторов. Основное значение в лечении имеют лекарственные средства.

При отсутствии клинические, признаков внесуставных проявлений лечение, как правило, следует начинать с подбора нестероидных -противовоспалительных средств. Из препаратов этой группы чаще используют ацетилсалициловую кислоту, бутадион, индометацин, ибупрофен, вольтарен, напроксен — быстродействующие средства, максимальный терапевтический эффект которых проявляется через 2—3 недель. Путём последовательного назначения нескольких препаратов подбирают наиболее эффективный и хорошо переносимый больным. В большинстве случаев нестероидные противовоспалительные средства используют практически непрерывно в сочетании с любыми другими средствами.



Информация об Ordo Deus Перейти в оглавление сайта

Рис. 8.
Рентгенограммы кистей в норме (а) и при 3-й (по схеме Стайнброккера) стадии ревматоидного артрита (б): в отличие от нормы на рисунок б отмечаются околосуставной остеопороз (1), сужение суставных щелей (2), краевые эрозии костей в области суставов (3).





Информация об Ordo Deus Перейти в оглавление сайта

Рис. 7.
Рентгенограммы дистальных отделов стоп в норме (а) и при 3-й (по схеме Стайнброккера) стадии ревматоидного артрита (б): в отличие от нормы на рисунок б отмечаются околосуставной остеопороз и кистовидные разрежения костной ткани (1), суставные щели плюснефаланговых суставов сужены (2), видны краевые эрозии костей преимущественно в области IV—V плюснефаланговых суставов (3).



Широко применяют внутрисуставное введение кортикостероидов (суспензии гидрокортизона и препаратов пролонгированного действия — кеналог, депомедрол), что особенно целесообразно при поражении небольшого числа в основном крупных суставов. Назначение кортикостероидов внутрь абсолютно показано лишь у больных с генерализованным васкулитом, особенно при высокой температурной реакции. Препаратом выбора является преднизолон, дозу которого подбирают индивидуально (обычно 20—30 миллиграмм, реже до 60 миллиграмм в сутки). Во всех остальных случаях применение кортикостероидов является вынужденной и, что особенно важно, временной мерой. Необходимость в этом возникает, как правило, при множественном поражении суставов с выраженным болевым синдромом, который не удаётся подавить с помощью нестероидных противовоспалительных средств и внутрисуставного введения кортикостероидов. Суточная доза преднизолона в таких случаях не должна превышать 10 миллиграмм. Лечение кортикостероидами при Ревматоидный артрит само по себе не тяжёлых возможности контролировать в достаточной мере явления артрита и замедлять прогрессирование процесса. При стихании активности заболевания необходимо во всех случаях пытаться постепенно снизить дозу и полностью отменить кортикостероидный препарат, заменив его противоревматическими средствами, обладающими медленным действием.

Сохранение выраженных клинические, проявлений и прогрессирование болезни несмотря на лечение нестероидными противовоспалительными средствами является показанием для применения противоревматических средств медленного действия (так называемый базисных средств). К ним относятся производные хинолина (делагил, плаквенил), соли золота (кризанол), D-пеницилламин, левамизол и цитостатические иммунодепрессанты. В связи с медленным развитием эффекта (отчётливые признаки улучшения появляются лишь через 3 месяцев, а максимальный эффект — не ранее чем через 6 месяцев непрерывного лечения) применять эти средства следует длительно. При этом необходимо регулярно контролировать ход лечения, так как они довольно часто вызывают различные, иногда серьёзные побочные реакции. Выбирают то или иное средство этой группы, как правило, произвольно (кроме иммунодепрессантов), имеет значение лишь наличие противопоказаний к применению конкретного препарата. Делагил назначают по 0,25 грамм в сутки. При этом 1 раз в 3—4 месяцев необходим осмотр больного окулистом для предупреждения осложнений со стороны органа зрения. Кризанол вводят внутримышечно по 17—51 миллиграмм на инъекцию (в ампуле 5% раствора кризанола содержится 34 миллиграмм кристаллического золота). D-пеницилламин назначают по 300 миллиграмм в сутки в течение первых 3 месяцев, затем при отсутствии эффекта суточную дозу каждые 4 недель увеличивают на 150 миллиграмм. Максимальная суточная доза препарата обычно не должна превышать 750—900 миллиграмм. При применении кризанола и D-пеницилламина необходимо еженедельно проводить исследования мочи и крови с целью диагностики и предупреждения развития лекарственной нефропатии и цитопении. Левамизол назначают по 150 миллиграмм в сутки в течение одного или трёх последовательных дней каждой недели или ежедневно с обязательным еженедельным исследованием числа лейкоцитов крови.

При значительном улучшении состояния больного через 6—8 месяцев после начала лечения целесообразно продолжить лечение в течение того промежутка времени (подчас годы), пока сохраняется достигнутый эффект. При отсутствии положительного результата в течение 6— 8 месяцев назначают другой препарат данной группы.

Цитостатические иммунодепрессанты также относятся к медленно действующим средствам, но применяют их обычно в последнюю очередь. Однако в ряде случаев при генерализованном васкулите, полиневропатии, выраженных признаках поражения внутренних органов (нефрит, альвеолит) иммунодепрессанты являются препаратами выбора. Используют обычно хлорбутин (суточная доза 8—12 миллиграмм.), азатиоприн и, реже, циклофосфамид (100—150 миллиграмм в сутки). При этом 1 раз в неделю проводят общий анализ крови.



Информация об Ordo Deus Перейти в оглавление сайта

Рис. 9.
Рентгенограммы кистей при 4-й (по схеме Стайнброккера) стадии ревматоидного артрита: а — распространённый остеопороз, сужение межсуставных щелей, выраженные деструктивные изменения, включая остеолиз проксимальных межфаланговых суставов (указаны стрелками); на рисунок б наряду с этим отмечается костный анкилоз всех межзапястных суставов (указан стрелкой).



Большое значение имеет лечебный физкультура, занятия которой должны проводиться ежедневно и ограничиваются лишь при высокой активности болезни и значительно выраженном болевом синдроме. При стихании активности Ревматоидный артрит большинству больных показан массаж (смотри полный свод знаний).

Физические методы лечения применяют в комплексной терапии Ревматоидный артрит с целью местного воздействия на воспалительный процесс в суставах, активизации регуляторных систем и процессов восстановления. Физиотерапия показана в любой стадии Ревматоидный артрит при минимальной или средней активности заболевания, отсутствии ярких внесуставных проявлений. Противовоспалительное действие оказывают индуктотермия и дециметровые волны, которые применяют на область суставов при незначительных экссудативных явлениях. При выраженной экссудативной реакции в суставах противовоспалительное действие оказывают УФ-излучение, электрофорез (смотри полный свод знаний) и фонофорез (смотри полный свод знаний: Ультразвуковая терапия) противовоспалительных средств. Индуктотермию (смотри полный свод знаний) поражённых суставов проводят с помощью индуктора (кабеля или диска) в слаботепловой или тепловой дозе в течение 10—15 минут (не более 30—35 минут на одну процедуру). При лечении дециметровыми волнами (смотри полный свод знаний: Микроволновая терапия) излучатель располагают на расстоянии 3 сантиметров от поверхности кожи в области сустава и используют тепловую дозу, продолжительностью 7—14 минут Курс лечения состоит обычно из 12—18 процедур.

С целью стимуляции синтеза глюкокортикостероидов надпочечниками применяют воздействие индуктотермии и дециметровых волн на область проекции надпочечников (уровень нижнего грудного и поясничного отделов позвоночника, ThX—LIV) в тех же дозах, что и на область суставов.

УФ-облучение рекомендуют проводить в эритемных дозах (5—6 процедур). При выраженных экссудативных явлениях применяют фонофорез суспензии гидрокортизона или электрофорез анальгина (2— 5% Р-Р), при которых противовоспалительный эффект лекарственных средств сочетается с действием ультразвука или постоянного тока. Назначают аппликации С диметилсульфоксидом (смотри полный свод знаний), который оказывает противовоспалительное действие, способствует более глубокому проникновению через кожу лекарственных средств, применяемых в смеси с ним, например, гепарина, анальгина. При преобладании пролиферативных изменений в суставах больным с минимальной активностью процесса показана ультразвуковая терапия (интенсивность 0,2—0,6 ват/сантиметров², по 4—6 минут на сустав, на курс 8—12 процедур). Противопоказана ультразвуковая терапия при высокой активности и системных проявлениях Ревматоидный артрит, а также сопутствующих ишемической болезни сердца и тиреотоксикозе. Рассасывающее действие диметилсульфоксида на фиброзную ткань используют для лечения сгибательных контрактур. Этот метод противопоказан при аллергии к препарату.

При преобладании фиброзных изменений суставов и мышечных контрактур проводят аппликации грязи (смотри полный свод знаний: Грязелечение), озокерита (смотри полный свод знаний: Озокеритолечение) и парафина (смотри полный свод знаний: Парафинолечение).

Больным с минимальной активностью Ревматоидный артрит показана бальнеотерапия (смотри полный свод знаний): радоновые ванны (40—80 нанокюри/литров), сульфидные (концентрация сероводорода 50—100 миллиграмм/литров), хлоридные натриевые (20 грамм/литров), йодобромные, а также нафталановые ванны с температурой воды 36—38° длительностью от 8 до 15 минут (на курс 8—12 процедур). Бальнеотерапия и теплолечение противопоказаны при высокой активности процесса, наличии выраженных экссудативных явлений в суставах, внесуставных проявлений, а также при общих противопоказаниях к отдельным видам бальнеотерапии и теплолечения.

Хирургическую коррекцию изменений суставов при Ревматоидный артрит производят обычно лишь в поздних стадиях болезни, при развитии значительных функциональных нарушений — сгибательных контрактур, подвывихов, анкилозов суставов. Выбор метода оперативного лечения зависит от характера поражения отдельных суставов: синовэктомия (смотри полный свод знаний), протезирование суставов (смотри полный свод знаний: Эндопротезирование), артродез (смотри полный свод знаний) и другие При моно-, олигоартритах эффективна так называемый ранняя синовэктомия, выполняемая либо оперативным путём, либо с помощью внутрисуставного введения радиоактивных нуклидов (золота, иттрия и другие).

Прогноз для жизни в большинстве случаев благоприятный. По данным Рейгена и Фаррингтона (С. Ragan, Е. Farrington, 1964), худший прогноз в отношении функционального состояния суставов отмечается в тех случаях, когда Ревматоидный артрит начинается в возрасте до 30 лет, при сохраняющейся активности Ревматоидный артрит в течение более чем одного года от начала болезни, при наличии подкожных ревматоидных узелков и высокого титра ревматоидных факторов в сыворотке крови. Прогноз ухудшается также при появлении у больного клинические, признаков васкулита, развитии синдрома Шегрена, амилоидоза.

Ювенильный ревматоидный артрит (синонимы ювенильный хронический артрит) — особая форма ревматоидного артрита, развивающаяся у детей в возрасте до 16 лет и характеризующаяся острым началом, лихорадкой, внесуставными проявлениями, поражением небольшого числа суставов (моно-, олигоартрит), преимущественно крупных (коленных, голеностопных), и частым вовлечением суставов шейного отдела позвоночника, а также частым развитием увеита (смотри полный свод знаний), редким обнаружением ревматоидных факторов в сыворотке крови, более благоприятным течением и прогнозом.

Распространённость ювенильного Ревматоидный артрит, по данным ряда исследователей, составляет 0,01—0,001% среди детского населения. У детей грудного возраста случаи заболевания редки; чаще (в 1½—2 раза) болеют девочки.

Этиология и патогенез изучены недостаточно и рассматриваются обычно с тех же позиций, что и при Ревматоидный артрит у взрослых. Однако при ювенильном Ревматоидный артрит обращают на себя внимание определённые генетические особенности, в частности распределение антигенов гистосовместимости (смотри полный свод знаний: Иммунитет трансплантационный). Так, по данным Финка и Стастни (С. W. Fink, P. Stastny, 1979), при ювенильном Ревматоидный артрит реже, чем в популяции, и реже, чем при Ревматоидный артрит у взрослых, определяется HLA Dw 4 и значительно чаще HLA ТМо, особенно при моно и олигоартикулярном вариантах. При моноартрите и олигоартикулярном варианте также часто определяются HLA Dw 7 и Dw 8. По сравнению с Ревматоидный артрит у взрослых при ювенильном Ревматоидный артрит крайне редко выявляется HLA DRw 4.

Эти данные, как и особенности иммунных нарушений, течения и прогноза заболевания, побуждают ряд учёных обсуждать вопрос о его нозологической самостоятельности. С другой стороны, существует мнение, что ювенильный Ревматоидный артрит представляет собой сборную группу хронических воспалительных заболеваний суставов различной этиологии. Оно основывается главным образом на известных трудностях дифференциальной диагностики у детей заболеваний, протекающих с поражением периферических суставов, например, болезни Бехтерева, псориаза, хронических энтеропатий.



Информация об Ordo Deus Перейти в оглавление сайта

Рис. 10.
Больная ювенильным ревматоидным артритом с недоразвитой нижней челюстью (микрогения).



В связи с этим на Международном рабочем совещании педиатров-ревматологов (1977) было предложено отдавать предпочтение термину «ювенильный хронический артрит».

Характер тканевых повреждений при ювенильном Ревматоидный артрит в целом не отличается от описанных изменений при Ревматоидный артрит у взрослых. Однако у детей отмечают более слабую гиперпластическую клеточную реакцию и воспалительную инфильтрацию в синовиальной оболочке, реже находят эрозии в суставном хряще.

Основные признаки поражения суставов при ювенильном Ревматоидный артрит такие же, как и при Ревматоидный артрит у взрослых: боль, припухлость, утренняя скованность. Выраженность болей в суставах у детей обычно меньше, чем у взрослых, иногда, несмотря на припухлость сустава и болезненность его при пальпации, жалобы на боли вообще отсутствуют. Дети младшего возраста редко жалуются на утреннюю скованность, которую можно выявить лишь при внимательном наблюдении за их поведением. Нередко отмечаются такие общие симптомы, как слабость, повышенная утомляемость и раздражительность, снижение аппетита, похудание, субфебрильная температура.

При ювенильном Ревматоидный артрит реже отмечается артрит мелких суставов кистей и стоп. Примерно у 1/3 больных наблюдается вовлечение межпозвоночных суставов шейного отдела позвоночника (особенно СII—СIII) с болями и ограничением движений. Часто отмечается артрит височно-нижнечелюстных суставов (смотри полный свод знаний). Примерно у 25% больных обычно через несколько лет от начала заболевания при рентгенологическое исследовании выявляется сакроилеит (смотри полный свод знаний). В целом деструкция суставного хряща и прилежащих отделов костей и деформации суставов развиваются при ювенильном Ревматоидный артрит значительно медленнее, чем при Ревматоидный артрит у взрослых.

Характерными чертами ювенильного Ревматоидный артрит являются замедление физического развития, отставание в росте, а также нарушения роста отдельных сегментов скелета в связи с поражением близлежащих суставов, напр, недоразвитие нижней челюсти — микрогения (рисунок 10), укорочение или удлинение фаланг пальцев или других костей.

Принято выделять три клинические, варианта начала ювенильного Ревматоидный артрит (по совокупности симптомов, развивающихся в течение 4—6 месяцев болезни): полиартикулярный, моно-, олигоартикулярный и системный.

Полиартрит (смотри полный свод знаний) с самого начала болезни отмечается примерно у 50% больных. Полиартикулярный вариант в большей мере, чем другие, напоминает Ревматоидный артрит у взрослых, но число поражённых суставов обычно меньше; у многих больных отмечается спондилоартрит (смотри полный свод знаний) шейного отдела позвоночника. Чаще, чем при других вариантах, выявляются ревматоидные факторы (смотри полный свод знаний: Ревматоидный фактор). Внёс уставные проявления встречаются нечасто, выраженность их гораздо меньше, чем при системном варианте. Течение болезни волнообразное, часты более или менее длительные ремиссии, но у ряда больных отмечается постепенное прогрессирование заболевания.

Моно-, олигоартикулярный вариант начала ювенильного Ревматоидный артрит отмечается примерно у 1/3 больных. Преимущественно поражаются коленные, голеностопные, кистевые -суставы. У многих больных долгое время может наблюдаться моноартрит какого-либо из этих суставов (чаще коленного). Характерны умеренно и слабо выраженные экссудативные изменения суставов, редкость поражения шейного отдела позвоночника, системных проявлений (за исключением увеита) и появления ревматоидного фактора в сыворотке крови, минимальные отклонения со стороны лабораторный показателей, свидетельствующих о воспалении. Примерно у 20% больных с этим вариантом начала ювенильного Ревматоидный артрит, как правило у девочек, в сыворотке крови выявляется антинуклеарный фактор. Именно у них чаще развивается увеит. С течением времени у 50—60% больных сохраняется умеренно выраженный олигоартрит, вовлечения новых суставов не отмечается. У 25% больных этой группы наблюдаются длительные ремиссии, чередующиеся с относительно непродолжительными обострениями, напоминающими начало болезни; у остальных происходит постепенный переход в полиартикулярный вариант.

Системный вариант начала ювенильного Ревматоидный артрит характеризуется высокой лихорадкой, наличием ревматоидной сыпи, гепатоспленомегалии, генерализованной лимфаденопатии, серозита, выраженного лейкоцитоза в крови и носит название синдрома Стилла. У некоторых детей артрит развивается лишь через несколько недель или даже месяцев после начала лихорадки и других внесуставных проявлений болезни. Ревматоидные факторы обычно не выявляются, антинуклеарные антитела встречаются редко, LE-клетки, как правило, не обнаруживаются. Примерно у половины больных с системным вариантом начала ювенильного Ревматоидный артрит в дальнейшем отмечаются длительные ремиссии с периодическими обострениями, характеризующимися теми же проявлениями, что и вначале. У других в течение длительного времени заболевание остаётся активным, в результате лечения удаётся уменьшить выраженность внесуставных проявлений, однако главной проблемой становится прогрессирующее поражение суставов. Системный вариант начала ювенильного Ревматоидный артрит может протекать по типу субсепсиса Висслера — Фанкони (смотри полный свод знаний: Субсепсис аллергический).

Наиболее серьёзное внесуставное проявление болезни — хронический увеит (практически не встречающийся при Ревматоидный артрит у взрослых), в ряде случаев приводящий к слепоте (смотри полный свод знаний). Увеит чаще развивается у девочек с олигоартикулярным вариантом болезни при наличии в сыворотке крови антинуклеарных антител. Поражение глаз нередко протекает без ярких клинические, симптомов, иногда бессимптомно и не имеет параллелизма с выраженностью суставных проявлений болезни.

У 10—20% больных наблюдается высокая температура (38—39°) с ознобами. Лихорадка имеет интермиттирующий характер, подъёмы температуры отмечаются 1—2 раза в сутки, чаще во второй половине дня; она не снижается при лечении антибиотиками и поддаётся лишь большим дозам ацетилсалициловой кислоты и особенно глюкокортикостероидам. Как правило, высокой температуре сопутствует ревматоидная (розоватого цвета) сыпь, имеющая кореподобный макулёзный характер, локализующаяся преимущественно на туловище и проксимальных отделах конечностей (цветной рисунок 6). Эта сыпь специфична для ювенильного Ревматоидный артрит и её обнаружение имеет большое диагностическое значение. Ревматоидная сыпь быстро проходит, «расцветает» во время подъёма температуры и при потирании подозрительных участков кожи (смотри полный свод знаний: Кебнера феномен).



Информация об Ordo Deus Перейти в оглавление сайта

Рис. 11.
Рентгенограмма шейного отдела позвоночника при ювенильном ревматоидном артрите (боковая проекция): стрелкой указан костный анкилоз позвоночных суставов в области III и IV шейных позвонков.



Типичными внесуставными проявлениями ювенильного Ревматоидный артрит являются экссудативный перикардит (реже другие проявления серозита — плеврит, перитонит), генерализованная лимфаденопатия, увеличение печени, иногда селезёнки. Перикардит чаще слабо выражен. Внесуставные проявления (кроме увеита) встречаются, как правило, при системном варианте и значительно реже при полиартикулярном и олигоартикулярном вариантах болезни.

Из других системных проявлений при ювенильном Ревматоидный артрит описаны миокардит, эндокардит (с медленным развитием недостаточности митрального клапана и клапанов аорты), диффузный интерстициальный лёгочный фиброз, гломерулит (проявляющийся лишь непостоянной микрогематурией). Подкожные узелки, полиневропатия, дигитальный васкулит, столь характерные для Ревматоидный артрит у взрослых, встречаются лишь в 5— 10% случаев, обычно при наличии ревматоидных факторов в сыворотке крови.

У ряда больных ювенильным ревматоидным артритом обычно через много лет от начала болезни может развиться амилоидоз, главным образом почек.

При ювенильном Ревматоидный артрит наблюдаются те же рентгенологическое изменения, что и при Ревматоидный артрит Характерно более частое, чем при Ревматоидный артрит, развитие артрита мелких суставов шейного отдела позвоночника, иногда с исходом в анкилоз (рисунок 11), и нарушения нормального хода развития скелета: ускорение роста трубчатых костей поражённой конечности или, наоборот, недоразвитие отдельных костей (например, нижней челюсти).

Изменения лабораторный показателей неспецифичны. У многих больных отмечается нормоцитарная гипохромная анемия, ускорение РОЭ, повышение уровней фибриногена, α2-глобулинов в сыворотке крови, появление С-реактивного белка. Эти изменения обычно коррелируют с активностью заболевания. Обычен также нейтрофильный лейкоцитоз, особенно выраженный (до 15 000—50 000 в 1 микролитров.) при системном варианте болезни. Ревматоидные факторы в сыворотке крови выявляются не более чем у 20% больных, как правило через длительны срок от начала болезни. У 40% больных определяется антинуклеарный фактор (обычно непостоянно н в небольших титрах). Наличие антител к нативной ДНК и LE-клеток ювенильному Ревматоидный артрит несвойственно. Характер изменений синовиальной жидкости в целом такой же, как и при Ревматоидный артрит у взрослых, однако в ней реже встречаются ревматоидные факторы и рагоциты.

Поскольку при ювенильном Ревматоидный артрит отсутствуют специфические клинические (за исключением редко встречающейся ревматоидной сыпи) и лабораторный признаки, диагноз болезни с уверенностью может быть установлен лишь при наличии стойкого артрита и исключении других заболеваний, имеющих сходные проявления. Группой ревматологов социалистических

стран в 1979 год предложены следующие критерии, которые необходимо учитывать при ранней диагностике ювенильного ревматоидного артрита: 1) артрит продолжительностью более 3 недель (обязательный признак); 2) поражение трёх суставов в течение первых 3 недель болезни; 3) симметричное поражение мелких суставов; 4) поражение шейного отдела позвоночника; 5) признаки выпота в суставную полость; 6) утренняя скованность; 7) тендосиновит или бурсит; 8) увеит; 9) ревматоидные узелки; 10) эпифизарный остеопороз; 11) сужение суставной щели; 12) уплотнение периартикулярных тканей (признаки 10, 11 и 12 устанавливают при рентгенологическое исследовании); 13) ускорение РОЭ более 35 миллиметров в час; 14) обнаружение ревматоидных факторов в сыворотке крови; 15) характерные гистологический данные, полученные при биопсии синовиальной оболочки.

При наличии трёх критериев диагноз считается вероятным, четырёх — определённым, семи — классическим; во всех случаях обязательным условием является наличие первого критерия.

Дифференциальную диагностику проводят в первую очередь с ревматизмом (смотри полный свод знаний), системной красной волчанкой (смотри полный свод знаний) и болезнью Бехтерева.

При ревматизме боли в суставах обычно очень сильные, мигрирующего характера, непродолжительные (отмечается выраженный лечебный эффект от применения ацетилсалициловой кислоты), лихорадка обычно постоянная без ознобов, сыпь имеет характер кольцевидной эритемы, отмечается значительное и стойкое повышение противострептококковых антител в сыворотке крови. При ювенильном Ревматоидный артрит в отличие от ревматизма не наблюдается появления громких шумов в области сердца.

Для системной красной волчанки в отличие от ювенильного Ревматоидный артрит типична полисиндромность (эритема на коже лица, диффузный гломерулонефрит, признаки поражения центральная нервная система и другие), наличие LE-клеток в крови, значительного количества антител к нативной ДНК, снижение уровня комплемента.

Болезнь Бехтерева развивается преимущественно у мальчиков школьного возраста, основной дифференциальный признак — раннее развитие двустороннего сакроилеита, наличие HLA В27.

При проведении дифференциальной диагностики принимают во внимание также возможность развития артрита при некоторых острых вирусных инфекциях, например, краснухе, кори, инфекционном мононуклеозе, гепатите В и другие, а также сепсисе, туберкулёзе, остром лейкозе и лимфомах, гемофилии, травме, наследственных иммунодефицитных заболеваниях (гипо и агаммаглобулинемии, дефицит иммуноглобулина А, С2 компонента комплемента) и другие

Лечение проводят теми же средствами и методами, что и Ревматоидный артрит у взрослых. Лишь левамизол и D-пеницилламин при ювенильном Ревматоидный артрит не нашли широкого применения в связи с частым развитием серьёзных осложнений. У многих больных в лечении удаётся ограничиться нестероидными противовоспалительными средствами и внутрисуставным введением гидрокортизона. Производные хинолина и соли золота назначают при олигоартикулярном и полиартикулярном вариантах начала болезни в случае недостаточного эффекта от предшествующего лечения и отсутствия склонности к спонтанным ремиссиям. Кортикостероиды внутрь и иммунодепрессанты применяют редко, обычно лишь при системном варианте и, как правило, в течение ограниченного периода времени (несколько месяцев).

Большое значение имеет своевременное выявление и настойчивое лечение увеита. При олигоартикулярном варианте начала Ревматоидный артрит детей, особенно девочек, 2—3 раза в год должен осматривать окулист. В ряде случаев, помимо местного лечения, показано назначение внутрь кортикостероидов.

Прогноз в целом благоприятный. У большинства больных отмечаются длительные ремиссии, выраженность артрита на протяжении многих лет может оставаться небольшой, число поражённых суставов, как правило, ограничено, значительные функциональные нарушения развиваются редко. Но примерно у 1/3 больных в результате хронического прогрессирующего артрита постепенно возникают существенные ограничения движений в суставах, развиваются контрактуры и анкилозы. Особенно часто это отмечается у больных с системным и полиартикулярным вариантами начала заболевания. Резко ухудшает прогноз развитие увеита (прогностическое значение имеет обнаружение антинуклеарного фактора в сыворотке крови) и вторичного амилоидоза (смотри полный свод знаний).

Бунчук H.В.; Григорьева В.Д.; Копьева Т.Н.; Мылов Н.М.; Насонова В.А.

⇐ Перейти на главную страницу сайта

⇑ Вернуться в начало страницы ⇑

Библиотека Ordo Deus ⇒

⇐ Ревматизм

⇓ Полный свод знаний. Том первый А. ⇓

Рейно болезнь ⇒

Все статьи в полном изложении, Вы можете найти в большой медицинской энциклопедии — Главный редактор: академик АН СССР (РАН) и АМН СССР (РАМН) Б.В. Петровский. — Москва издательство «Советская энциклопедия» 1989г.

Внимание! Вы находитесь в библиотеке «Ordo Deus». Все книги в электронном варианте, содержащиеся в библиотеке «Ordo Deus», принадлежат их законным владельцам (авторам, переводчикам, издательствам). Все книги и статьи взяты из открытых источников и размещаются здесь только для чтения.

Вся информация на сайте Ordo Deus находится в свободном доступе. Ordo Deus не предоставляет информацию на платной основе.

Все авторские права сохраняются за правообладателями. Если Вы являетесь автором данного документа и хотите дополнить его или изменить, уточнить реквизиты автора, опубликовать другие документы или возможно вы не желаете, чтобы какой-то из ваших материалов находился в библиотеке, пожалуйста, свяжитесь с нами по e-mail:
info @ ordodeus. ru
Формы для прямой связи с нами находятся в нижней части страниц: контакты и устав «Ordo Deus», для перехода на эти страницы воспользуйтесь кнопкой контакты вверху страницы или ссылкой в оглавлении сайта.

Вас категорически не устраивает перспектива безвозвратно исчезнуть из этого мира? Вы не желаете закончить свой жизненный путь в виде омерзительной гниющей органической массы пожираемой копошащимися в ней могильными червями? Вы желаете вернувшись в молодость прожить ещё одну жизнь? Начать всё заново? Исправить совершённые ошибки? Осуществить несбывшиеся мечты? Перейдите по ссылке: «главная страница».

© Ordo Deus, 2010. При копировании ссылка на сайт http://www.ordo-deus.ru обязательна.