Спонгиобластома полярная

Оглавление

  1. Дорога к бессмертию
  2. Бессмертие и религия
  3. Философия бессмертия
  4. Бессмертие и наука
  5. История анабиоза
  6. Смерть
  7. Кора головного мозга
  8. Бессмертие и анабиоз
  9. Анабиоз, медицина и биология
  10. Анабиоз и экономика
  11. Анабиоз и закон
  12. Анабиоз в Антарктиде
  13. Техническое обеспечение анабиоза
  14. Бессмертие и вера
  15. Библиотека Ordo Deus
  16. Контактная страница Ordo Deus

Спонгиобластома полярная

Спонгиобластома полярная (spongioblastoma; греческий spongia губка + blastos росток, зародыш + -oma; синонимы примитивная полярная спонгиобластома) — злокачественная опухоль центральной нервной системы.

Термин «полярная спонгиобластома» является спорным, от него неоднократно отказывались как от устаревшего и в отечественной литературе, в настоящий, время он не принят. Однако в Международной гистологической классификации опухолей центральная нервная система вновь введен термин «примитивная полярная спонгиобластома» для обозначения злокачественных опухолей макроглиального ряда.

Спонгиобластома полярная составляет, по данным разных исследователей, 3,7—7,1% от всех глиом и 1,5—1,7% от всех опухолей центральная нервная система Наблюдается в детском и юношеском возрасте.

Преимущественная локализация Спонгиобластома полярная— зрительный перекрест, таламус, средний мозг, дно четвертого желудочка, варолиев мост (мост головного мозга), мозжечок, полушария головного мозга, спинной мозг.

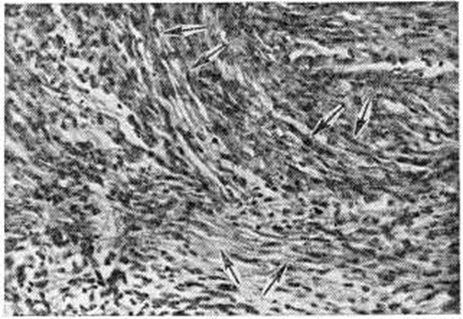
Макроскопически Спонгиобластома полярная имеет вид хорошо отграниченного узла белого или бело-серого цвета плотной консистенции (рисунок 1), часто с кистами, реже с очагами кровоизлияний на разрезе. Микроскопически Спонгиобластома полярная состоит из веретенообразных вытянутых клеток (спонгиобластов) с овальными или круглыми светлыми ядрами, содержащими большое количество хроматина. Клетки располагаются параллельно, формируют пучки различной толщины, переплетающиеся в различных направлениях (рисунок 2). Митозы немногочисленны. Для Спонгиобластома полярная характерны гидропическая и слизистая дистрофия клеток с вакуолизацией цитоплазмы. Кровеносных сосудов в опухоли немного, пролиферация эндотелия не наблюдается.



Информация об Ordo Deus Перейти в оглавление сайта

Рис. 1.
Макропрепарат полярной спонгиобластомы варолиева моста и полушария мозжечка (фронтальный разрез через ствол мозга и мозжечок): 1 — полушарие мозжечка; 2 — опухоль; 3 — варолиев мост.



По своей гистологический структуре Спонгиобластома полярная может быть похожа на веретенообразно-клеточную саркому. В дифференциальной морфологический диагностике этих опухолей помогает импрегнация по методу Рамон-и-Кахаля (смотри полный свод знаний: Рамон-и-Кахаля методы), а также импрегнация серебром (смотри полный свод знаний: Серебрения методы).

При импрегнации по методу Рамон-и-Кахаля в случае Спонгиобластома полярная выявляются типичные уни и биполярные спонгиобласты, клетки же веретенообразно-клеточной саркомы не импрегнируются. Трудности могут возникать при дифференциальной диагностике Спонгиобластома полярная с фибриллярными астроцитомами (смотри полный свод знаний), особенно при локализации их в мозжечке, мозговом стволе и дне третьего желудочка. При окраске гематоксилин-эозином Спонгиобластома полярная отличается от фибриллярных астроцитом значительно более плотным расположением клеток, наличием митозов, а при импрегнации по методу Рамон-и-Кахаля — наличием унии биполярных спонгиобластов, что и даёт основание для постановки морфологический диагноза Спонгиобластома полярная



Информация об Ordo Deus Перейти в оглавление сайта

Рис. 2.
Микропрепарат полярной спонгиобластомы: видны клетки веретенообразной формы с овальными и круглыми ядрами, формирующие пучки (указаны стрелками); окраска гематоксилин-эозином; ×200.



Клинические проявления зависят от локализации опухоли и степени выраженности общемозговой симптоматики. Часто отмечают повышение внутричерепного давления (застойные явления на глазном дне, головные боли и другие) — смотри, полный свод знаний: Гипертензивный синдром.

Подробно клинику, лечение и прогноз Спонгиобластома полярная — смотри, полный свод знаний: Головной мозг, опухоли.

Вихерт Т.М.

⇐ Перейти на главную страницу сайта

⇑ Вернуться в начало страницы ⇑

Библиотека Ordo Deus ⇒

⇐ Спленомегалия тромбофлебитическая

⇓ Полный свод знаний. Том первый А. ⇓

Спонгиоз ⇒

Все статьи в полном изложении, Вы можете найти в большой медицинской энциклопедии — Главный редактор: академик АН СССР (РАН) и АМН СССР (РАМН) Б.В. Петровский. — Москва издательство «Советская энциклопедия» 1989г.

Внимание! Вы находитесь в библиотеке «Ordo Deus». Все книги в электронном варианте, содержащиеся в библиотеке «Ordo Deus», принадлежат их законным владельцам (авторам, переводчикам, издательствам). Все книги и статьи взяты из открытых источников и размещаются здесь только для чтения.

Вся информация на сайте Ordo Deus находится в свободном доступе. Ordo Deus не предоставляет информацию на платной основе.

Все авторские права сохраняются за правообладателями. Если Вы являетесь автором данного документа и хотите дополнить его или изменить, уточнить реквизиты автора, опубликовать другие документы или возможно вы не желаете, чтобы какой-то из ваших материалов находился в библиотеке, пожалуйста, свяжитесь с нами по e-mail:
info @ ordodeus. ru
Формы для прямой связи с нами находятся в нижней части страниц: контакты и устав «Ordo Deus», для перехода на эти страницы воспользуйтесь кнопкой контакты вверху страницы или ссылкой в оглавлении сайта.

Вас категорически не устраивает перспектива безвозвратно исчезнуть из этого мира? Вы не желаете закончить свой жизненный путь в виде омерзительной гниющей органической массы пожираемой копошащимися в ней могильными червями? Вы желаете вернувшись в молодость прожить ещё одну жизнь? Начать всё заново? Исправить совершённые ошибки? Осуществить несбывшиеся мечты? Перейдите по ссылке: «главная страница».

© Ordo Deus, 2010. При копировании ссылка на сайт http://www.ordo-deus.ru обязательна.