Туберозный склероз

Оглавление

  1. Дорога к бессмертию
  2. Бессмертие и религия
  3. Философия бессмертия
  4. Бессмертие и наука
  5. История анабиоза
  6. Смерть
  7. Кора головного мозга
  8. Бессмертие и анабиоз
  9. Анабиоз, медицина и биология
  10. Анабиоз и экономика
  11. Анабиоз и закон
  12. Анабиоз в Антарктиде
  13. Техническое обеспечение анабиоза
  14. Бессмертие и вера
  15. Библиотека Ordo Deus
  16. Контактная страница Ordo Deus

Туберозный склероз

Туберозный склероз (sclerosis tuberosa; латынь tuberosus бугристый; склероз; синонимы: болезнь Бурневилля, болезнь Бурневилля — Прингла) — наследственное прогрессирующее заболевание из группы факоматозов, характеризующееся сочетанным поражением нервной системы, кожи, глаз, костной и эндокринной систем, внутренних органов.

Впервые описан в 1863 год Ф. Реклингхаузеком. В 1880 год Бурневилль (D.-M. Bourneville), выделив это заболевание в отдельную нозологическую форму, ввёл термин туберозный склероз и детально описал ранние неврологический симптомы, изменения кожи и другие В 1890 год Прингл (J. J. Pringle) подробно изучил аденомы сальных желёз кожи лица и подчеркнул, что они характерны для Туберозный склероз

По данным Пенроуза (L. S. Penrose), Туберозный склероз в общей популяции встречается с частотой примерно 1:600 000, среди больных с различной степенью умственной отсталости — 1:30 000.

Этиология. В развитии Туберозный склероз большую роль отводят генетическим факторам. Семейные формы заболевания нередко наблюдаются в нескольких поколениях. Наследуется Туберозный склероз по аутосомно-доминантному типу с неполной пенетрантностью мутантного гена (смотри полный свод знаний: Пенетрантность гена). Близнецовый метод (смотри полный свод знаний) исследования обнаруживает высокую конкордантность по признакам болезни у монозиготных близнецов.

Патогенез. Предполагается, что в основе заболевания лежит генетически обусловленное нарушение развития зародышевых клеток, приводящее к эктомезодермальным дисплазиям с образованием склонных к неопластической трансформации опухолевидных узлов в центральная нервная система и внутренних органах.

Патологическая анатомия. Головной мозг при Туберозный склероз обычно увеличен по сравнению с возрастной нормой, однако иногда наблюдают и микроцефалию (смотри полный свод знаний). Кора головного мозга на отдельных различной величины участках белесовато-желтоватого цвета и большей, по сравнению с окружающей тканью, плотности. В центре участков изменённой коры имеются неглубокие западения, в которые погружаются сосуды. На разрезах полушарий головного мозга в коре обнаруживается различное количество грибовидных опухолеподобных образований, или бугров (рисунок 1); выявление их легло в основу названия заболевания. Единичные или множественные сероватые бугорки размером от булавочной головки до нескольких сантиметров в диаметре также обнаруживают в белом веществе полушарий головного мозга, в боковых желудочках, чаще вблизи ленты таламуса, реже в передних и нижних рогах боковых желудочков, в сильвиевом водопроводе (водопровод среднего мозга) и в четвёртом желудочке. В некоторых случаях Туберозный склероз изменения имеются и в мозжечке. Опухолеподобные образования могут нарушать отток цереброспинальной жидкости из желудочков и приводить к развитию внутренней гидроцефалии (смотри полный свод знаний). Эти образования обычно обызвествлёны, причём очаги обызвествления расположены чаще в глубине бугра.

При гистологический исследовании туберозных участков в коре головного мозга обнаруживают атипичные, причудливой формы крупные нейроны (рисунок 2), аксоны которых нередко направляются к поверхности коры, сплетаются в клубки, внедряются в стенки сосудов. В коре обнаруживают и крупные атипичные клетки с одним-двумя пузырьковидными ядрами, цитоплазма которых при окрашивании тионином приобретает бледно-голубую окраску. Эти клетки, как установлено современными иммунологический исследованиями, также являются нейронами, а не астроцитами, как предполагалось ранее. В коре головного мозга имеются и нарушения нормальной цитоархитектоники с отсутствием нейронов, их атрофией и вакуолизацией. Кора головного мозга нечётко отграничена от белого вещества, в ней определяются выраженный глиоз (смотри полный свод знаний), аргентофильные образования, зернистые шары, расположенные по ходу сосудов (появление зернистых шаров некоторые исследователи связывают с деструктивными процессами, обусловленными частыми эпилептическими припадками). Стенки сосудов мозга утолщены, отмечаются признаки фиброза и гиалиноза (смотри полный свод знаний). Мягкая и паутинная оболочки головного мозга утолщены, в последней увеличено количество меланофоров.



В буграх, расположенных в белом веществе полушарий головного мозга и мозжечка, обнаруживают единичные крупные атипичные клетки с пузырьковидным ядром, а также гнездные скопления клеток с гиперхромными ядрами и сморщенной цитоплазмой (рисунок 3). Опухолеподобные образования в мозге больных Туберозный склероз содержат в одних случаях крупные округлые клетки, похожие на атипичные нейроны, в других — округлые или веретенообразные клетки с овальными либо удлинёнными ядрами или многоядерные клетки. Эти образования по гистологический строению сходны с невриномами (смотри полный свод знаний), субэпендимарными астроцитомами (смотри полный свод знаний), эпендимомами (смотри полный свод знаний). Узлы, обнаруживаемые в глазном яблоке, чаще всего являются глиомами. Описаны также очаговые обызвествления в сосудистой оболочке глазного яблока, её ангиомы (смотри полный свод знаний), пороки развития глаза.

В миокарде больных Туберозный склероз также обнаруживают опухолеподобные узлы, нередко расположенные в области проводящей системы сердца или растущие в полости сердца и имеющие строение липомы (смотри полный свод знаний), фибролипомы, рабдомиомы (смотри полный свод знаний). Известны наблюдения рабдомиоматоза миокарда (скопления атипичных клеток в миокарде). В почках при Туберозный склероз обнаруживают мелкие и гигантские гамартомы (смотри полный свод знаний), капиллярные ангиомы, а также другие пороки развития сосудов и различных отделов нефрона. Описаны также липомиомы п саркоматозная ткань в лимфатических, узлах, липомиомы, ангиомиолипомы (смотри полный свод знаний: Почки) и ангиоматозные аденомы (смотри полный свод знаний: Ангиоматоз) в печени и селезёнке, кисты и миоматозные образования в лёгких, скопления жировых и атипичных эпителиальных клеток в щитовидной железе, аплазия и гипоплазия яичек, липоматозные образования в надпочечниках, аденомы (смотри полный свод знаний) из клеток панкреатических островков, скопления клеток многослойного плоского эпителия в передней доле гипофиза, кисты в задней его доле и другие



Информация об Ordo Deus Перейти в оглавление сайта

Рис. 1.
Макропрепарат правого полушария головного мозга (медиальная поверхность) при туберозном склерозе: стрелками указаны множественные бугры в коре головного мозга и боковом желудочке.





Информация об Ordo Deus Перейти в оглавление сайта

Рис. 2.
Микропрепарат коры головного мозга при туберозном склерозе: стрелкой указан крупный атипичный нейрон; импрегнация по Бильшовскому; ×400.





Информация об Ordo Deus Перейти в оглавление сайта

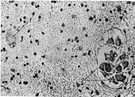
Рис. 3.
Микропрепарат белого вещества полушария головного мозга при туберозном склерозе: 1 — крупная атипичная клетка; 2 — гнездное скопление клеток со сморщенной цитоплазмой и гиперхромными ядрами; окраска гематоксилинэозином; ×400.





Информация об Ordo Deus Перейти в оглавление сайта

Рис. 4.
Лицо больного туберозным склерозом: видны множественные аденомы сальных желёз.



Клиническая картина. Заболевание развивается у детей 1—3 лет, начинается обычно с возникновения эпилептических припадков (смотри полный свод знаний: Эпилепсия) полиморфного характера: малых, больших, с генерализованными или очаговыми судорогами (смотри полный свод знаний). Малые эпилептические припадки разной формы (абсансы, миоклонические, акинетические, пропульсивные) по мере развития заболевания переходят в большие судорожные припадки с потерей сознания. Возникают очаговые моторные, сенсорные приступы, судорожные припадки по типу джексоновской эпилепсии (смотри полный свод знаний). Ранними симптомами является также отставание психического развития (смотри полный свод знаний: Олигофрении) и нарушение поведения. Снижение интеллекта достигает степени имбецильности и даже идиотии. Имеется чёткая корреляция между умственной деградацией и тяжестью эпилептических приступов. В неврологический статусе выявляются поражения черепномозговых (черепных) нервов, чаще глазодвигательного, блокового и отводящего, пирамидные гемипарезы (смотри полный свод знаний: Гемиплегия), экстрапирамидные гиперкинезы (смотри полный свод знаний) и другие Наряду с этим могут возникать гипоталамические расстройства: вегетативнотрофические, эндокринно-обменных (сахарный диабет, преждевременное половое развитие, гипотиреоз, дисфункция гипофизарно-надпочечниковой системы). Кожные проявления возникают позже нервно-психических нарушений. Для Туберозный склероз характерно появление аденом сальных желёз (смотри полный свод знаний: Аденома сальных желёз), расположенных симметрично в форме бабочки на лице, преимущественно в области крыльев носа, на щеках, подбородке (рисунок 4); иногда аденомы могут распространяться на шею, область надплечий. Они бывают одиночными или множественными, имеют вид мелких или крупных папул жёлтого или розового цвета, плотных, напоминающих зерна саго. Наряду с аденомами на коже обнаруживают пятна цвета кофе с молоком (смотри полный свод знаний: Меланоз), плотные участки шагреневой кожи, ангиофибромы (смотри полный свод знаний), ангиэктазии (смотри полный свод знаний), гипер или гипопигментацию (смотри полный свод знаний: Пигментация). Ангиофибромы и ангиэктазии могут возникать и на слизистых оболочках. У больных Туберозный склероз часто выявляются дизэмбриогенетические изменения костной системы, например, spina bifida (смотри полный свод знаний). Обнаруживаемые во внутренних органах (сердце, печени, почках) опухолевидные образования и кисты клинически могут длительное время или совсем не проявляться либо проявляться неспецифическими симптомами поражения данного органа, например, гематурия (смотри полный свод знаний) при поражении почек и другие

При офтальмологический исследовании устанавливают специфические изменения на глазном дне: в области диска зрительного нерва — единичные узелковые гамартомы или множественные серо-жёлтого цвета узелки, напоминающие плоды шелковицы; в сетчатке — изменения пигментного слоя. Прогрессирование патологический изменений глаз приводит к глаукоме и слепоте.

Течение болезни прогрессирующее: появляются и нарастают центральные параличи (смотри полный свод знаний: Параличи, парезы), экстрапирамидные, гипоталамические, нейроэндокринные, психические расстройства. Особенно быстрое прогрессирование заболевания наступает в пубертатном периоде.

Диагноз основывается на появлении эпилептических припадков полиморфного характера в раннем детском возрасте, отставании умственного развития, задержке развития моторных и речевых функций, наличии аденом сальных желёз на лице и других характерных изменений кожи, изменении на глазном дне, прогрессировании болезни, семейном характере заболевания. При рентгенографии черепа обнаруживают остеосклероз (смотри полный свод знаний) преимущественно свода черепа, признаки внутричерепной гипертензии и петрификаты (смотри полный свод знаний) в структурах мозга, которые по виду напоминают очаги обызвествления при токсоплазмозе и цитомегалии. Правильной и ранней диагностике помогают данные компьютерной томографии (смотри полный свод знаний: Томография компьютерная), обнаруживающей изменения системного характера в головном мозге, почках, печени, сердце и другие При компьютерной томографии головного мозга выявляют множественные опухолевидные образования, расширение желудочков, гидроцефалию различной выраженности, петрификаты, которые локализуются в коре, чаще в лобной и теменной долях, в третьем и боковых желудочках. Рентгенологические исследование позвоночника, костей таза, конечностей выявляет очаги остеосклероза, утолщение периоста, кистоподобные образования в периосте костей рук и ног, остеопороз (смотри полный свод знаний) пястных и плюсневых костей и другие

При электрофизиологические исследовании обнаруживают фокальные или диффузные изменения ЭЭГ эпилептоидного характера (смотри полный свод знаний: Электроэнцефалография). Цереброспинальная жидкость обычно не изменена, за исключением случаев, когда при тяжёлых поражениях головного мозга развиваются гидроцефалия, отёк мозга, эпилептический статус и другие осложняющие течение болезни состояния.

Дифференциальный диагноз проводят с нейрофиброматозом (смотри полный свод знаний), энцефалотригеминальным ангиоматозом (смотри полный свод знаний) болезнью Гиппеля — Линдау (смотри полный свод знаний: Гиппеля — Линдау болезнь), синдромом Клиппеля — Треноне (смотри полный свод знаний: Кровеносные сосуды, пороки развития), синдромом Олбрайта (смотри полный свод знаний: Псевдогипопаратиреоз), синдромом Ларсена и пороками развития центральная нервная система

Лечение симптоматическое. Применяют противосудорожные, дегидратирующие средства. В редких случаях проводят оперативное удаление опухолевидных образований в центральной нервной системы и лучевую терапию.

Прогноз неблагоприятный. Больные погибают при эпилептическом статусе, от отёка и набухания головного мозга (смотри полный свод знаний). Нередко к гибели больных ведут осложняющие течение Туберозный склероз инфекционные болезни. Продолжительность жизни большинства больных не более 20 лет.

Профилактика заключается в медико-генетической консультации (смотри, полный свод знаний:), при которой может быть рекомендован отказ от деторождения в семьях с зарегистрированными случаями Туберозный склероз

Смотри полный свод знаний: Факоматозы.

Калинина Л.В.; Моргунов В.А.

⇐ Перейти на главную страницу сайта

⇑ Вернуться в начало страницы ⇑

Библиотека Ordo Deus ⇒

⇐ Туберкулиновая аллергия

⇓ Полный свод знаний. Том первый А. ⇓

Тубоотит ⇒

Все статьи в полном изложении, Вы можете найти в большой медицинской энциклопедии — Главный редактор: академик АН СССР (РАН) и АМН СССР (РАМН) Б.В. Петровский. — Москва издательство «Советская энциклопедия» 1989г.

Внимание! Вы находитесь в библиотеке «Ordo Deus». Все книги в электронном варианте, содержащиеся в библиотеке «Ordo Deus», принадлежат их законным владельцам (авторам, переводчикам, издательствам). Все книги и статьи взяты из открытых источников и размещаются здесь только для чтения.

Вся информация на сайте Ordo Deus находится в свободном доступе. Ordo Deus не предоставляет информацию на платной основе.

Все авторские права сохраняются за правообладателями. Если Вы являетесь автором данного документа и хотите дополнить его или изменить, уточнить реквизиты автора, опубликовать другие документы или возможно вы не желаете, чтобы какой-то из ваших материалов находился в библиотеке, пожалуйста, свяжитесь с нами по e-mail:
info @ ordodeus. ru
Формы для прямой связи с нами находятся в нижней части страниц: контакты и устав «Ordo Deus», для перехода на эти страницы воспользуйтесь кнопкой контакты вверху страницы или ссылкой в оглавлении сайта.

Вас категорически не устраивает перспектива безвозвратно исчезнуть из этого мира? Вы не желаете закончить свой жизненный путь в виде омерзительной гниющей органической массы пожираемой копошащимися в ней могильными червями? Вы желаете вернувшись в молодость прожить ещё одну жизнь? Начать всё заново? Исправить совершённые ошибки? Осуществить несбывшиеся мечты? Перейдите по ссылке: «главная страница».

© Ordo Deus, 2010. При копировании ссылка на сайт http://www.ordo-deus.ru обязательна.