Лимфоцитома кожи

Оглавление

  1. Дорога к бессмертию
  2. Бессмертие и религия
  3. Философия бессмертия
  4. Бессмертие и наука
  5. История анабиоза
  6. Смерть
  7. Кора головного мозга
  8. Бессмертие и анабиоз
  9. Анабиоз, медицина и биология
  10. Анабиоз и экономика
  11. Анабиоз и закон
  12. Анабиоз в Антарктиде
  13. Техническое обеспечение анабиоза
  14. Бессмертие и вера
  15. Библиотека Ordo Deus
  16. Контактная страница Ordo Deus

Лимфоцитома кожи

Лимфоцитома кожи (lymphocytoma cutis; лимфоцит[ы] + -oma; синонимы: доброкачественный лимфаденоз кожи Беверстедта, саркоид Шпиглера — Фендта) — доброкачественное лимфоретикулярное гиперпластическое поражение кожи. Чаще болеют женщины в возрасте после 40 лет и дети 5—10 лет.

Этиология не известна. Наиболее распространён взгляд на Лимфоцитома кожи как на реактивную (в ответ на эндо и особенно экзогенные факторы, в том числе инфекционные и травматические) гиперплазию зрелых лимфоидно-ретикулярных клеток.

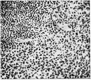
Патогистология. В дерме — массивный инфильтрат, состоящий в основном из лимфоцитов и гистиоцитов (рисунок) и отделённый от эпидермиса тонкой зоной неизменённого коллагена. Расположение клеточных элементов инфильтрата может напоминать структуру фолликулов лимфатических узла.

Клиническая картина. Проявляется Лимфоцитома кожи одним или реже несколькими безболезненными, резко отграниченными узлами размером 1 — 2 см в диаметре, плотновато-эластической консистенции красноватого или коричневатого цвета, локализующимися чаще на лице. Редко встречающаяся диссеминированная форма Лимфоцитома кожи (множественные рассеянные высыпания на коже туловища), по-видимому, не относится к собственно Лимфоцитома кожи, а является проявлением истинного лимфосаркоматоза кожи (смотри полный свод знаний).

Информация об Ordo Deus Перейти в оглавление сайта

Рис
Микропрепарат лимфоцитомы кожи: массивный инфильтрат в дерме, состоящий из лимфоцитов и гистиоцитов.

Диагноз ставится на основании клинические, картины и подтверждается гистологический исследованием узла. Дифференциальный диагноз проводят с саркоидом Бека (смотри полный свод знаний Саркоидоз), поражениями кожи при лейкозе (смотри полный свод знаний Лейкозы), ретикулезами кожи (смотри полный свод знаний), эозинофильной гранулемой лица (смотри полный свод знаний) и другие

Лечение — антибиотики, рентгенотерапия, иссечение узла.

Прогноз для жизни благоприятный, течение заболевания длительное, возможны рецидивы Лимфоцитома кожи после удаления узла, а также самопроизвольная инволюция Лимфоцитома кожи

⇐ Перейти на главную страницу сайта

⇑ Вернуться в начало страницы ⇑

Библиотека Ordo Deus ⇒

⇐ Лимфоцитоз острый инфекционный

⇓ Полный свод знаний. Том первый А. ⇓

Лимфоэпителиома ⇒

Все статьи в полном изложении, Вы можете найти в большой медицинской энциклопедии — Главный редактор: академик АН СССР (РАН) и АМН СССР (РАМН) Б.В. Петровский. — Москва издательство «Советская энциклопедия» 1989г.

Внимание! Вы находитесь в библиотеке «Ordo Deus». Все книги в электронном варианте, содержащиеся в библиотеке «Ordo Deus», принадлежат их законным владельцам (авторам, переводчикам, издательствам). Все книги и статьи взяты из открытых источников и размещаются здесь только для чтения.

Вся информация на сайте Ordo Deus находится в свободном доступе. Ordo Deus не предоставляет информацию на платной основе.

Все авторские права сохраняются за правообладателями. Если Вы являетесь автором данного документа и хотите дополнить его или изменить, уточнить реквизиты автора, опубликовать другие документы или возможно вы не желаете, чтобы какой-то из ваших материалов находился в библиотеке, пожалуйста, свяжитесь с нами по e-mail:
info @ ordodeus. ru
Формы для прямой связи с нами находятся в нижней части страниц: контакты и устав «Ordo Deus», для перехода на эти страницы воспользуйтесь кнопкой контакты вверху страницы или ссылкой в оглавлении сайта.

Вас категорически не устраивает перспектива безвозвратно исчезнуть из этого мира? Вы не желаете закончить свой жизненный путь в виде омерзительной гниющей органической массы пожираемой копошащимися в ней могильными червями? Вы желаете вернувшись в молодость прожить ещё одну жизнь? Начать всё заново? Исправить совершённые ошибки? Осуществить несбывшиеся мечты? Перейдите по ссылке: «главная страница».

© Ordo Deus, 2010. При копировании ссылка на сайт http://www.ordo-deus.ru обязательна.